电脑桌面
添加小米粒文库到电脑桌面
安装后可以在桌面快捷访问

路基路面工程沥青路面课程设计VIP免费

路基路面工程沥青路面课程设计_第1页
1/10
路基路面工程沥青路面课程设计_第2页
2/10
路基路面工程沥青路面课程设计_第3页
3/10
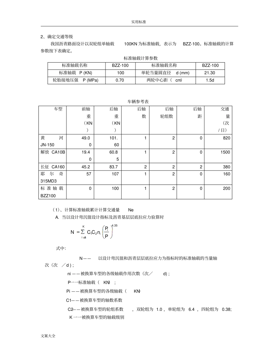
实用标准文案大全《路基路面工程》课程设计专业:道路工程班级:2014级5班学生姓名:周治勇学号:p141914394指导教师:王睿老师实用标准文案大全一、新建沥青路面结构设计计算1、设计资料a、甘肃定西地区某新建双向2车道二级公路,拟采用沥青混凝土路面,路基土为中液限粘土,路基填土高度1.2m,地下水位距路床2.3m,属中湿状态;多年最大道路冻深160cm。b、经过OD调查及论证2012年底的交通组成情况如下表:车型黄河JN-150解放CA10B长征CZ160上海SH130小汽车辆/日8201500380160200C、该公路按二级公路标准修建,设计道路横断面为双向两车道。经OD调查:该公路自2013年通车后前五年交通量增长率为4.5%,其后设计年限内交通量增长率为6%。车道系数:二级公路双向两车道在0.6~0.7,取0.7二级公路设计年限为12年车道数:2车道设计速度:60km/h路基宽度:10m车道宽度:3.5mγ=0.05375实用标准文案大全2、确定交通等级我国沥青路面设计以双轮组单轴载100KN为标准轴载,表示为BZZ-100。标准轴载的计算参数按下表确定。标准轴载计算参数标准轴载名称BZZ-100标准轴载名称BZZ-100标准轴载P(KN)100单轮当量圆直径d(mm)21.30轮胎接地压强P(MPa)0.70两轮中心距(cm)1.5d车辆参考表车型前轴重(KN)后轴重(KN)后轴数后轴轮组数后轴距交通量(次/日)黄河JN-15049.00101.60120820解放CA10B19.4060.851201500长征CA16045.283.7222380耶尔奇315MD357107120160标准轴载BZZ1000100120200(1)、计算标准轴载累计计算交通量NeA.当以设计弯沉值设计指标及沥青基层层底拉应力验算时35.4121KiiiPPnCCN式中:N——以设计弯沉值和沥青层层底拉应力为指标时的标准轴载的当量轴次(次/d);ni——被换算车型的各级轴载作用次数(次/d);P一一标准轴载(KN);Pi——被换算车型的各级轴载(KN)C1——被换算车型的轴数系数C2——被换算车型的轮组系数,双轮组为1.0,单轮组为6.4,四轮组为0.38;K一一被换算车型的轴载级别实用标准文案大全当轴间距大于3米时,应按单独的一个轴载计算;当轴间距小于3米时,双轴或多轴的轴载系数应按以下公式计算:C1=1+1.2(m-1)设计年限内一个车道累计当量轴次:计算公式:累计当量轴次:NrrNet365]1)1[(试中:r——设计年限内交通量的平均年增长率%t——设计年限N——运营第一年双向日平均当量轴次(次/d)N——车道系数轴载换算结果车型Pi(KN)C1C2ni(辆/日)黄河JN-150前轴49.0016.4820235.69后轴101.6011878.62解放CA10B前轴19.4016.415007.66后轴60.8511172.83长征CA160前轴45.2016.438076.88后轴83.7011175.24耶尔奇315MD3前轴5716.416075.01后轴10711196.83标准轴载BZZ100前轴016.42000后轴100.11200轴载小于25KN的轴载作用可以不计。2013.1通过计算软件得到当以设计弯沉值和沥青层底拉应力为设计指标时,设计年限内一个车道上累计当量轴次γγη,属中度交通等级;实用标准文案大全B.以弯拉应力为指标的标准轴载的当量轴次(次/d)′′′式中:′—以弯拉应力为指标的标准轴载的当量轴次(次/d);ni—被换算车型的各级轴载作用次数(次/d);P—标准轴载(KN);Pi—被换算车型的各级轴载(KN);′—轴数系数;′—轮组系数,单轮组18.5,双轮组1,四轮组,0.09;K—被换算车型的轴载级别。当轴间距大于3m时,应按单独的一个轴载进行计算,此时轴数为m=1;当轴间距小于3m时,按双轴或多轴进行计算,轴数系数为:′式中:m—轴数轴载换算结果车型Pi(KN)C1C2(辆/日)′′黄河JN-150前轴49.00118.582050.41后轴101.6011931.03解放CA10B前轴19.40118.515000.05后轴60.85110.35长征CA160前轴45.2118.538012.25后轴83.71191.5耶尔奇315MD3前轴57118.516024.79后轴10711236.39标准准轴BZZ100前轴0118.52000后轴10011200轴载小于50KN的轴载作用可以不计。′′′1509.33当以半刚性材料结构层层底拉压力为设计指标时,设计年限内一个车道上累计当量轴次实用标准文案大全γγη==7412135(次),属中度交通等级。二、沥青路面结构推荐与选择(确定面层类型)根据交通等级和已有经验和规范推荐的路面结构,拟定几种可能的路面结构组合与厚度方案。方案一:双层式沥青面层,上面层选用...

1、当您付费下载文档后,您只拥有了使用权限,并不意味着购买了版权,文档只能用于自身使用,不得用于其他商业用途(如 [转卖]进行直接盈利或[编辑后售卖]进行间接盈利)。
2、本站所有内容均由合作方或网友上传,本站不对文档的完整性、权威性及其观点立场正确性做任何保证或承诺!文档内容仅供研究参考,付费前请自行鉴别。
3、如文档内容存在违规,或者侵犯商业秘密、侵犯著作权等,请点击“违规举报”。

碎片内容

路基路面工程沥青路面课程设计

您可能关注的文档

确认删除?
VIP
微信客服
  • 扫码咨询
会员Q群
  • 会员专属群点击这里加入QQ群
客服邮箱
回到顶部