电脑桌面
添加小米粒文库到电脑桌面
安装后可以在桌面快捷访问

路基路面计算书VIP免费

路基路面计算书_第1页
1/16
路基路面计算书_第2页
2/16
路基路面计算书_第3页
3/16
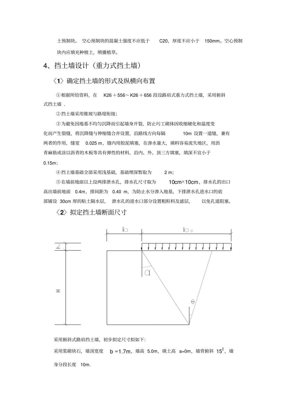
某一级公路路路基路面计算书1、路基设计〈1〉确定路基横断面形式根据任务书所给条件确定该路段路基断面形式为路堤式路基,其中前400按照标准断面形式设计,后100米设置挡土墙并采取相应的断面形式.〈2〉确定自然区划和路基干湿类型由《公路自然区划标准》知:江淮丘陵区属于Ⅳ2分区.地基土质为粘性土,由教材表1-9知:路基临界高度11.61.7H21.11.2H=30.9H=0.8.该公路为一级汽车专用线,取路基干湿类型为干燥.〈3〉拟定路基断面尺寸,取计算行车速度为80kmh①路基宽度查《公路工程技术标准》(JTGB01—2003),有:3.0.2:行车道宽度为:2×8=16m3.0.4:中央带宽=中央分隔带宽=2m3.0.5:路肩宽=硬路肩宽+土路肩宽=2×2.5+2×0.75=6.5m故路基宽度为:行车道宽度+中央带宽+路肩宽=16+2+6.5=24.5m②路基高度路基干湿类型为干燥,则由教材表1-8有:路基高度H>1H,取路基中线高度作为设计高度,故可取公路路基最小填土高度H=5.3m③路基边坡坡率路堤上部高度为:5.3-1.3=4m<8m,路基填料为细料土.由教材表3-3可取边坡坡度为:1:m=1:1.5,则边坡宽度为:b=1.5H=6m.2、路基排水设计〈1〉确定边沟布置,断面形式及尺寸边沟设置在路堤的坡脚外侧无需水力计算,横断面采用梯形标准横断面式,取梯形边沟内侧边坡坡度为1:1.5,外侧边坡坡度与挖方边坡坡度相同,取为1:1.5,因江淮丘陵区降水量较大,故取底宽与深度均为0.6m,边沟纵坡为0.5%,边沟采用浆砌片石,砌筑用砂浆强度采用M7.5.〈2〉确定排水沟布置,断面形式及尺寸排水沟断面形式采用梯形,取纵坡为0.5%,采用对称式梯形断面m=1.5,n=0.031,sQ=1.33ms根据水力计算确定断面尺寸:①假定b=0.47m,参照教材表7-15有,bh=0.61取h=0.77m②由式(7-23):2bhmh=1.252m由式(7-24):221km=3.61,bkh=3.25m由式(7-25);R=0.38m③式(7-21):2.50.130.75(.10)0.28ynRn由式(7-20):1yCRn=24.60由式(7-18):V=CRi=1.07ms由式(7-19):QV=1.343ms④验算:按照表7-14,maxV=1.2ms由式(7-22):当0.5时,12min0.31VRms实际流量介于此二者之间,故流速符合要求.0.0310.05ssQQQ,故流量也符合要求.综上所述,可取底宽为0.47m,沟深H应为水深h加上安全高度h=0.100.20m,此处取h=0.13m,所以H=h+h=0.90m,边坡坡率为0.5%.<3>确定沟渠的防护加固形式因为0.5%1%i,故沟渠无需进行加固,采用夯实平整土沟,不铺砌.3、路基防护((查JTJ013—95)《公路路基设计规范》)对于高等级道路,采用六角形空心混凝土预制块防护,本段公路采用六角形空心混凝土预制块。空心预制块的混凝土强度不应低于C20,厚度不应小于150mm。空心预制块内应填充种植土,喷播植草。4、挡土墙设计(重力式挡土墙)〈1〉确定挡土墙的形式及纵横向布置①根据所给资料,在K26+556~K26+656段设路肩式重力式挡土墙,采用俯斜式挡土墙.②挡土墙采用锥坡与路堤衔接;③为避免因地基不均匀沉降而引起墙身开裂,防止圬工砌体因收缩硬化和温度变化而产生裂缝,将沉降缝与伸缩缝合并设置,沿路线方向每隔10m设置一道缝,兼有两者的作用,缝宽0.025m,缝内用胶泥填塞,在渗水量大,填料容易流失地区,用沥青麻筋或涂以沥青的木板等具有弹性的材料,沿内、外、顶三方填塞,填深不宜小于0.15m;④挡土墙基础全部采用浅基础,基础埋深暂取为2m;⑤在墙前地面以上设两排泄水孔,排水孔尺寸取为1010cmcm,排水孔的出口高出墙前地面0.4m,排间距为0.40m,为防止水分渗入地基,下排泄水孔进水口的底部铺设30cm厚的粘土隔水层,泄水孔的进水口部分设置粗粒料及滤层,以免孔道阻塞。〈2〉拟定挡土墙断面尺寸采用俯斜式路肩挡土墙,初步拟定尺寸拟如下:采用浆砌块石,墙顶宽度1.7bm,墙高5.0m,填土高a=0m,墙背俯斜15,墙身分段长度10m.〈3〉主动土压力计算①车辆荷载换算:由表6-5知:当墙高H≤2.0m时,20.0qkpa;当墙高H≥10.0m,10.0qkpa,(附加荷载强度)取墙高H5m,根据线性插值的方法:20102021025x,即16.25x.016.250.9317.5qhr.由规范得:''8322148oo,取15o.设计已知:计算内摩擦角26,o墙背填土与墙背间摩擦角13,2o填背填土容重317.5KNm,23ckpa.②土压力计算:Ⅰ、假设破裂...

1、当您付费下载文档后,您只拥有了使用权限,并不意味着购买了版权,文档只能用于自身使用,不得用于其他商业用途(如 [转卖]进行直接盈利或[编辑后售卖]进行间接盈利)。
2、本站所有内容均由合作方或网友上传,本站不对文档的完整性、权威性及其观点立场正确性做任何保证或承诺!文档内容仅供研究参考,付费前请自行鉴别。
3、如文档内容存在违规,或者侵犯商业秘密、侵犯著作权等,请点击“违规举报”。

碎片内容

路基路面计算书

您可能关注的文档

确认删除?
VIP
微信客服
  • 扫码咨询
会员Q群
  • 会员专属群点击这里加入QQ群
客服邮箱
回到顶部