电脑桌面
添加小米粒文库到电脑桌面
安装后可以在桌面快捷访问

输气管道工程交工资料表格VIP免费

输气管道工程交工资料表格_第1页
1/50
输气管道工程交工资料表格_第2页
2/50
输气管道工程交工资料表格_第3页
3/50
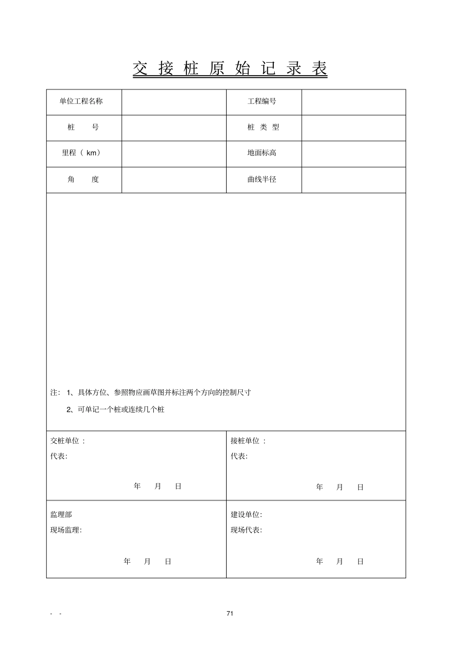
--69二、输气管道工程70扫线状况记录单位工程名称工程编号班组名称工作日期扫线区段桩号:使用设备型号台数基本地质状况各地貌、长度以及土石方荒地农田沟渠果园/树林沼泽石方段单位或户主长度扫线宽度地上构筑物记录地下构筑物记录施工技术负责人:施工质量检查员年月日现场监理:年月日--71交接桩原始记录表单位工程名称工程编号桩号桩类型里程(km)地面标高角度曲线半径注:1、具体方位、参照物应画草图并标注两个方向的控制尺寸2、可单记一个桩或连续几个桩交桩单位:代表:年月日接桩单位:代表:年月日监理部现场监理:年月日建设单位:现场代表:年月日72测量放线施工记录单位工程名称放线班组仪器名称及型号仪器台数控制桩测量放线记录转角处理方式(角度/曲率半径)桩号里程实测转角与图纸角度差弹性弯曲冷弯弯管热煨弯头放线加桩记录(纵向变坡桩、变壁厚桩、穿越标志桩、百米桩、曲线加密桩)加密桩号类型里程地上构筑物简述地下构筑物简述放线单位放线人员:日期:监理部监理代表:日期:73防腐管出厂质量合格证单位工程名称:编号:承运人车辆牌号及姓名:收货单位:生产日期钢管规格数量总长度(m)防腐材料类别防腐等级防腐管编号防腐质量钢管制造厂钢管号管径(mm)壁厚(mm)防腐质量检查员:监理工程师:年月日防腐单位技术负责人:(公章)年月日74管道组对记录单位工程名称:工程编号安装位置序号焊口号焊口上游钢管(弯头)出厂编号钢管(弯头)规格长/角度钢管(弯头)长/角度钝边(mm)间隙(mm)坡口角度(°)错边量(mm)施工班(组)长:年月日施工单位质量检查员:年月日现场监理:年月日75管道焊接记录单位工程名称:工程编号安装位置序号焊口号焊接层次预热温度(℃)电流极性电流(A)电压(V)焊接速度(cm/min)施焊人施焊日期施工班(组)长:年月日施工单位质量检查员:年月日施工单位技术负责人:年月日现场监理::年月日76管道焊缝外观检查记录单位工程名称:工程编号安装位置序号焊口号有无表面缺陷咬边情况焊缝余高(mm)焊缝宽度(mm)外观质量情况预热温度(℃)焊接日期备注咬边深度(mm)咬边长度(mm)施工班(组)长:年月日施工单位质量检查员:年月日施工单位技术负责人:年月日现场监理:年月日77冷弯管加工检查记录表单位工程名称工程编号管子弯曲设计要求或技术标准:管子规格(mm)材质:防腐管及弯管编号:设计压力(MPa):弯曲半径:弯曲角度(α):椭圆率(%):壁厚减薄率(%):冷弯温度(℃):处理硬度(HB):附图(应注意尺寸及偏差)及弯曲情况说明:检查结论:施工技术负责人:年月日施工质量检查员:年月日监理工程师:年月日78管道焊口统计表单位工程名称工程编号焊工代号及组号焊口起、止号焊口数量一次合格率(%)返修数量备注射线超探制表人:审核人:年月日现场监理:年月日注:焊工姓名一档如人员填不下可往下扩宽此行。79管线焊口分布图单位工程名称工程编号施工单位起始桩号终止桩号焊口分布示意图:编制人年月日审核人年月日现场监理年月日80焊缝返修记录工程名称工程编号焊口编号焊接位置缺陷情况评片级别焊工编号备注返修前返修后记录人:质量检查员:施工技术负责人:年月日监理部:现场监理:年月日81管沟复测记录单位工程名称工程编号桩号设计挖深(m)地面高程(m)沟底高程(m)挖深比差(±m)沟底宽度(m)水平长度(m)纵向角(±°′)水平角(°′)备注技术负责人测量人现场监理82管沟开挖记录单位工程名称工程编号管沟位置自第号桩至第号桩管沟情况管沟深度管沟宽度平整度中心偏移(m)实长(m)设计深度(m)实挖深度(m)要求宽度(m)实挖宽度(m)上口宽度沟底宽度上口宽度沟底宽度施工质量检查员年月日施工技术负责人年月日现场监理年月日83管沟回填记录单位工程名称工程编号管沟位置第号桩至第号桩序号黄土地/石方位置长度(km)深度备注灰土/细土回填情况二次回填情况地貌恢复情况其他情况施工单位质量检查员:施工单位技术负责人:年月日现场监理:年月日建设单位现场代表:年月日84管道防腐补口施工记录单位工程名称工程编号施工单位施工日期管道起始桩号管道终止桩号补口材料补口检测电压Kv环境温度℃焊口编号基层处理情况底漆漆膜厚...

1、当您付费下载文档后,您只拥有了使用权限,并不意味着购买了版权,文档只能用于自身使用,不得用于其他商业用途(如 [转卖]进行直接盈利或[编辑后售卖]进行间接盈利)。
2、本站所有内容均由合作方或网友上传,本站不对文档的完整性、权威性及其观点立场正确性做任何保证或承诺!文档内容仅供研究参考,付费前请自行鉴别。
3、如文档内容存在违规,或者侵犯商业秘密、侵犯著作权等,请点击“违规举报”。

碎片内容

输气管道工程交工资料表格

确认删除?
VIP
微信客服
  • 扫码咨询
会员Q群
  • 会员专属群点击这里加入QQ群
客服邮箱
回到顶部