电脑桌面
添加小米粒文库到电脑桌面
安装后可以在桌面快捷访问

运动的描述-知识点归纳-专题总结-典型例题分析整理VIP免费

运动的描述-知识点归纳-专题总结-典型例题分析整理_第1页
1/15
运动的描述-知识点归纳-专题总结-典型例题分析整理_第2页
2/15
运动的描述-知识点归纳-专题总结-典型例题分析整理_第3页
3/15
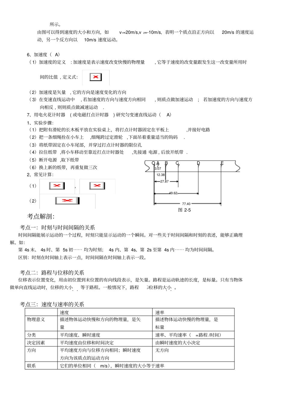
第一章.运动的描述基础知识点归纳1.质点(A)(1)没有形状、大小,而具有质量的点。(2)质点是一个理想化的物理模型,实际并不存在。(3)一个物体能否看成质点,并不取决于这个物体的大小,而是看在所研究的问题中物体的形状、大小和物体上各部分运动情况的差异是否为可以忽略的次要因素,要具体问题具体分析。2.参考系(A)(1)物体相对于其他物体的位置变化,叫做机械运动,简称运动。(2)在描述一个物体运动时,选来作为标准的(即假定为不动的)另外的物体,叫做参考系。对参考系应明确以下几点:①对同一运动物体,选取不同的物体作参考系时,对物体的观察结果往往不同的。②在研究实际问题时,选取参考系的基本原则是能对研究对象的运动情况的描述得到尽量的简化,能够使解题显得简捷。③因为今后我们主要讨论地面上的物体的运动,所以通常取地面作为参照系3.路程和位移(A)(1)位移是表示质点位置变化的物理量。路程是质点运动轨迹的长度。(2)位移是矢量,可以用以初位置指向末位置的一条有向线段来表示。因此,位移的大小等于物体的初位置到末位置的直线距离。路程是标量,它是质点运动轨迹的长度。因此其大小与运动路径有关。(3)一般情况下,运动物体的路程与位移大小是不同的。只有当质点做单一方向的直线运动时,路程与位移的大小才相等。图1-1中质点轨迹ACB的长度是路程,AB是位移S。(4)在研究机械运动时,位移才是能用来描述位置变化的物理量。路程不能用来表达物体的确切位置。比如说某人从O点起走了50m路,我们就说不出终了位置在何处。4、速度、平均速度和瞬时速度(A)(1)表示物体运动快慢的物理量,它等于位移s跟发生这段位移所用时间t的比值。即v=s/t。速度是矢量,既有大小也有方向,其方向就是物体运动的方向。在国际单位制中,速度的单位是(m/s)米/秒。(2)平均速度是描述作变速运动物体运动快慢的物理量。一个作变速运动的物体,如果在一段时间t内的位移为s,则我们定义v=s/t为物体在这段时间(或这段位移)上的平均速度。平均速度也是矢量,其方向就是物体在这段时间内的位移的方向。(3)瞬时速度是指运动物体在某一时刻(或某一位置)的速度。从物理含义上看,瞬时速度指某一时刻附近极短时间内的平均速度。瞬时速度的大小叫瞬时速率,简称速率5、匀速直线运动(A)(1)定义:物体在一条直线上运动,如果在相等的时间内位移相等,这种运动叫做匀速直线运动。根据匀速直线运动的特点,质点在相等时间内通过的位移相等,质点在相等时间内通过的路程相等,质点的运动方向相同,质点在相等时间内的位移大小和路程相等。(2)匀速直线运动的x—t图象和v-t图象(A)(1)位移图象(x-t图象)就是以纵轴表示位移,以横轴表示时间而作出的反映物体运动规律的数学图象,匀速直线运动的位移图线是通过坐标原点的一条直线。(2)匀速直线运动的v-t图象是一条平行于横轴(时间轴)的直线,如图2-4-1ABCABC图1-1V/m.s-1t/sO-101020V1V215105所示。由图可以得到速度的大小和方向,如v1=20m/s,v2=-10m/s,表明一个质点沿正方向以20m/s的速度运动,另一个反方向以10m/s速度运动。6、加速度(A)(1)加速度的定义:加速度是表示速度改变快慢的物理量,它等于速度的改变量跟发生这一改变量所用时间的比值,定义式:(2)加速度是矢量,它的方向是速度变化的方向(3)在变速直线运动中,若加速度的方向与速度方向相同,则质点做加速运动;若加速度的方向与速度方向相反,则则质点做减速运动.7、用电火花计时器(或电磁打点计时器)研究匀变速直线运动(A)1、实验步骤:(1)把附有滑轮的长木板平放在实验桌上,将打点计时器固定在平板上,并接好电路(2)把一条细绳拴在小车上,细绳跨过定滑轮,下面吊着重量适当的钩码.(3)将纸带固定在小车尾部,并穿过打点计时器的限位孔(4)拉住纸带,将小车移动至靠近打点计时器处,先接通电源,后放开纸带.(5)断开电源,取下纸带(6)换上新的纸带,再重复做三次2、常见计算:(1),(2)考点解剖:考点一:时刻与时间间隔的关系时间间隔能展示运动的一个过程,时刻只能显示运动的一个瞬间。对一些关于时间间隔和时刻的表述,...

1、当您付费下载文档后,您只拥有了使用权限,并不意味着购买了版权,文档只能用于自身使用,不得用于其他商业用途(如 [转卖]进行直接盈利或[编辑后售卖]进行间接盈利)。
2、本站所有内容均由合作方或网友上传,本站不对文档的完整性、权威性及其观点立场正确性做任何保证或承诺!文档内容仅供研究参考,付费前请自行鉴别。
3、如文档内容存在违规,或者侵犯商业秘密、侵犯著作权等,请点击“违规举报”。

碎片内容

运动的描述-知识点归纳-专题总结-典型例题分析整理

您可能关注的文档

确认删除?
VIP
微信客服
  • 扫码咨询
会员Q群
  • 会员专属群点击这里加入QQ群
客服邮箱
回到顶部