电脑桌面
添加小米粒文库到电脑桌面
安装后可以在桌面快捷访问

图纸会审记录表格VIP免费

图纸会审记录表格_第1页
1/4
图纸会审记录表格_第2页
2/4
图纸会审记录表格_第3页
3/4
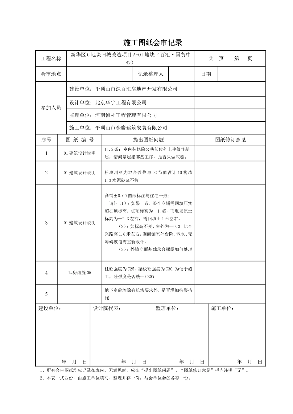
施工图纸会审记录工程名称新华区G地块旧城改造项目A-01地块(百汇·国贸中心)共页第页会审地点记录整理人日期参加人员建设单位:平顶山市深百汇房地产开发有限公司设计单位:北京华宇工程有限公司监理单位:河南诚社工程管理有限公司施工单位:平顶山市金鹰建筑安装有限公司序号图纸编号提出图纸问题图纸修订意见101建筑设计说明11.2条:室内装修除公共部位外土建仅作基层,请问基层指哪些工序,是否只做底糙。201建筑设计说明粉刷用料为混合砂浆与D2节能设计10构造1:3水泥砂浆不符301建筑设计说明商铺±0.00图纸标注与住宅一致:请问(1):如果一致,整个商铺需回填压实超桩顶标高。桩顶标高为—1.45,而现场原土标高为—2.3左右,需回填土1米左右。(2):如标高不变,室外为—0.3,比合兴路高1.8米左右。则商铺室外台阶、散水、无障碍坡道需重新设计。(3):外墙立面基础承台裸露如何处理41#房结施05柱砼强度为C25,梁板砼强度为C30.为便于施工,砼强度是否统一C30?5地下室砼墙除有抗渗要求外,是否增加抗裂措施建设单位:年月日设计院代表:年月日监理单位:年月日施工单位:年月日1、所有会审图纸均应记录在表内。无意见时,应在“提出图纸问题”、“图纸修订意见”栏内注明“无”。2、本表一式四份,由施工单位填写、整理并存一份,与会单位会签各存一份。工程名称新华区G地块旧城改造项目A-01地块(百汇·国贸中心)共页第页会审地点记录整理人日期序号图纸编号提出图纸问题图纸修订意见8结施-33LT21处北侧增加一结构预留洞,见附图。9结施-351-R~1-S/21轴BL5a(1)修改为BL5.10结施-35V-W/20-21轴位于LT上口的梁RL4(1)取消。11结施-35地下室顶板室外框架梁位于十字梁时,此框架梁为加密。12结施-61-P~1-Q/24-25轴电梯坑标高修改为建筑标高先下2050mm.13结施-71-D~1-E/24-25轴电梯坑标高修改为建筑面标高向下2050mm。14结施-368/E以及8/F轴两条框架梁无编号以及配筋。KL400*600,422;422。15结施-36Q/12-13轴处剪力墙缺一连梁编号是否修改为BLL1.16结施-65应将本图为平法标高16.450修改为16.950。17结施-72说明中应修改为钢柱底部节点大样详结施71大样①建设单位:年月日设计院代表:年月日监理单位:年月日施工单位:年月日工程名称唐山市丰南区港岛中心商业综合体项目共页第页会审地点现场办公室记录整理人吴新新日期2011年11月24日序号图纸编号提出图纸问题图纸修订意见18结施-6823A-23A节点高度修改为1560。19结施-6926A-26A节点高度修改为1560。20结施-65AC座四层钢结构连廊结构平面图中,M/7-8轴增加一牛腿节点编号22/68。21电梯图与最近抬高500高图不符合。22建施地下室建筑图5-6/A-B轴处房间是否增加两扇进户门。23建施1交A轴厕所门无标号24建施地下室卷帘门无高度。25建施防火墙墙体材料????建施节点现场具体交流。建设单位:年月日设计院代表:年月日监理单位:年月日施工单位:年月日

1、当您付费下载文档后,您只拥有了使用权限,并不意味着购买了版权,文档只能用于自身使用,不得用于其他商业用途(如 [转卖]进行直接盈利或[编辑后售卖]进行间接盈利)。
2、本站所有内容均由合作方或网友上传,本站不对文档的完整性、权威性及其观点立场正确性做任何保证或承诺!文档内容仅供研究参考,付费前请自行鉴别。
3、如文档内容存在违规,或者侵犯商业秘密、侵犯著作权等,请点击“违规举报”。

碎片内容

图纸会审记录表格

慧源书苑+ 关注
实名认证
内容提供者

热爱教育事业,爱好互联网行业

确认删除?
VIP
微信客服
  • 扫码咨询
会员Q群
  • 会员专属群点击这里加入QQ群
客服邮箱
回到顶部