电脑桌面
添加小米粒文库到电脑桌面
安装后可以在桌面快捷访问

通信技术专业技能培养方案VIP免费

通信技术专业技能培养方案_第1页
1/3
通信技术专业技能培养方案_第2页
2/3
通信技术专业技能培养方案_第3页
3/3
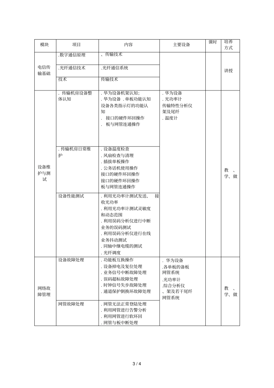
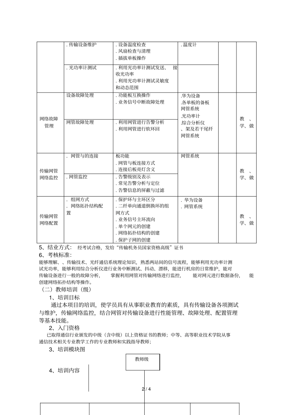
1/4通信技术专业技能培养方案(教师)光纤传输模块光纤传输专业技能教师培训方案教师培训分为、两级,级高于级。取得级或级以上等级合格证,可具备“双师型”教师的认定条件之一。(一)级(基本型)1、培训目标通过本项目的培训,使学员具有从事职业教育的素质,具有传输设备认知,传输网络告警监控,传输设备测试与维护,结合网管对传输设备进行性能管理、故障分析等基本技能。2、入门资格具备一定的电工基础及通信知识,电信传输技术所必备的基础知识;尚未取得通信行业颁发的中级(含中级)以上资格证书的教师;中等、高等职业技术学院从事通信技术相关专业教学工作的专业教师和实践指导教师;即将从事光纤通信相关专业教学工作的新任教师。3、培训模块图4、培训内容模块项目内容主要设备课时培养方式电信传输基础.数字通信原理、传输技术讲授.光纤通信技术.光纤通信系统技术传输技术设备维护与测试.设备认知.华为设备的组成.华为设备单板功能认知设备各类指示灯的功能认知.华为设备.光功率计传输特性分析仪架及尾纤教、学、做教师级数字通信技术光纤通信技术技术电信传输基础设备维护与测试传输网管网络配置传输网管网络监控网络故障管理设备认知传输设备维护光功率计测试设备故障处网管故障处网管与的连接网管监控组网方式网络拓扑结构配2/4.传输设备维护.设备温度检查.风扇检查与清理.插拔单板操作.温度计.光功率计测试.利用光功率计测试发送、接收光功率.利用光功率计测试灵敏度和动态范围网络故障管理设备故障处理.功能板互换操作.业务信号中断故障处理.华为设备.各单板的备板网管系统.光功率计.综合分析仪、架及若干尾纤网管系统教、学、做网管故障处理.利用网管进行告警分析.利用网管进行软环回传输网管网络监控.网管与的连接板功能.网管与板连接方式.连接后板亮灯含义网管系统教、学、做.网管监控.告警级别及表示.常见告警分析与定位.告警信息的屏蔽与过滤传输网管网络配置.组网方式.网络拓扑结构配置.保护环与主环区分.二纤单向通道倒换环的组网方式.业务信号主环流向.单个网元的创建.网络拓扑结构的创建.保护子网的创建.华为设备.网管系统教、学、做5、结业方式:经考试合格,发给“传输机务员国家资格高级”证书6、考核标准:能够理解、、传输技术、光纤通信系统理论知识,熟悉两站间的信号流程,能够利用光功率计测试光功率,能够利用综合分析仪进行业务中断测试、抖动、漂移,能进行机房的日常维护,能对传输设备进行一般的故障分析,掌握利用网管对传输网络进行监控,能对网元进行数据备份,能创建网络拓扑结构等操作。(二)教师培训(级)1、培训目标通过本项目的培训,使学员具有从事职业教育的素质,具有传输设备各项测试与维护,传输网络监控,结合网管对传输设备进行性能管理、故障处理、配置管理等基本技能。2、入门资格已取得通信行业颁发的中级(含中级)以上资格证书的教师;中等、高等职业技术学院从事通信技术相关专业教学工作的专业教师和实践指导教师;3、培训模块图4、培训内容教师级3/4模块项目内容主要设备课时培养方式电信传输基础.数字通信原理、传输技术讲授.光纤通信技术.光纤通信系统技术传输技术设备维护与测试.传输机房设备整体认知.华为设备机架认知;.华为设备.单板功能认知设备各类指示灯的功能认知.接口的硬件环回操作.板与网管连通操作.华为设备.光功率计传输特性分析仪架及尾纤.温度计教、学、做.传输机房日常维护.设备温度检查.风扇检查与清理.插拔单板操作.公务话机使用操作接口的硬件环回操作接口的硬件环回操作板与网管连通操作设备性能测试.利用光功率计测试发送、接收光功率.利用光功率计测试灵敏度和动态范围.利用误码分析仪进行中断业务的误码测试.利用误码分析仪进行在线业务抖动测试.同轴中继电缆的测试.光纤调度网络故障管理设备故障处理.功能板互换操作.设备掉电及复位处理.业务信号中断故障处理.误码超标故障处理.时钟信号失步故障处理.通道保护倒换环故障处理.华为设备.各单板的备板网管系统.光功率计.综合分析仪、架及若干尾纤网管系统教、学、做网管故障处理.网管无法正常登陆处理.利用网管进行告警分析.利用网管进行软环回.网管与板中断处理

1、当您付费下载文档后,您只拥有了使用权限,并不意味着购买了版权,文档只能用于自身使用,不得用于其他商业用途(如 [转卖]进行直接盈利或[编辑后售卖]进行间接盈利)。
2、本站所有内容均由合作方或网友上传,本站不对文档的完整性、权威性及其观点立场正确性做任何保证或承诺!文档内容仅供研究参考,付费前请自行鉴别。
3、如文档内容存在违规,或者侵犯商业秘密、侵犯著作权等,请点击“违规举报”。

碎片内容

通信技术专业技能培养方案

确认删除?
VIP
微信客服
  • 扫码咨询
会员Q群
  • 会员专属群点击这里加入QQ群
客服邮箱
回到顶部