电脑桌面
添加小米粒文库到电脑桌面
安装后可以在桌面快捷访问

通风管道及部件制作工程技术交底VIP免费

通风管道及部件制作工程技术交底_第1页
1/6
通风管道及部件制作工程技术交底_第2页
2/6
通风管道及部件制作工程技术交底_第3页
3/6
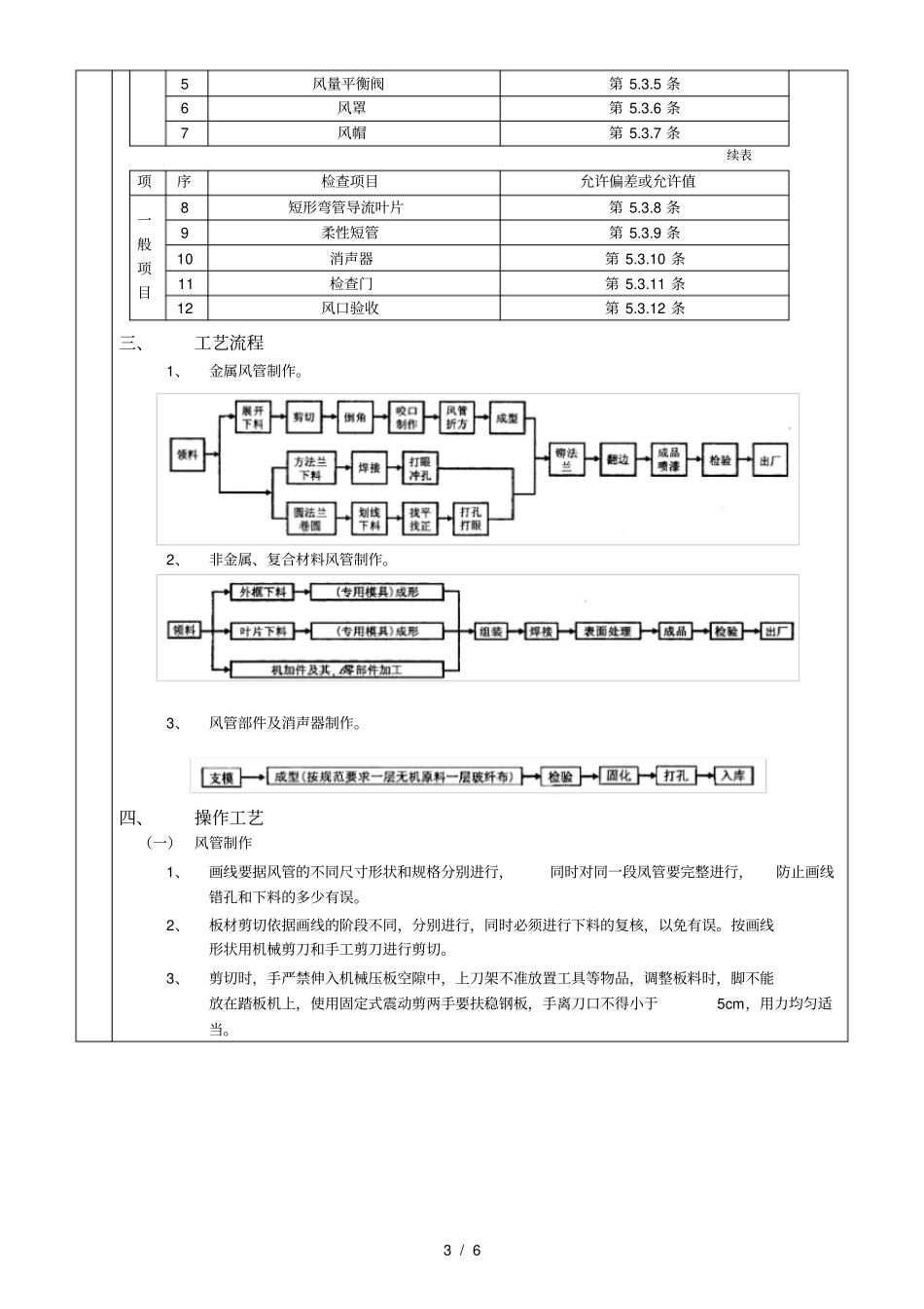
1/6通风管道及部件制作工程分项工程质量技术交底卡GD2301003施工单位工程名称分部工程交底部位日期年月日交底内容交底内容交底内容交底内容交底内容交底内容一、施工准备(一)作业条件1、集中加工应具有宽敞、明亮、洁净、地面平整、不潮湿的厂房。2、作业地点要有相应的加工工艺的必备工具、设施及电源和可靠的安全防护装置,并有消防器材。3、风管制作应有批准的图纸,经审查的大样图,系统图,并有施工员书面的技术质量及安全交底。(二)施工器具:龙门剪板机、电冲剪、手用电动剪倒角机、咬口机、压筋机、折方机、合缝机、振动式曲线剪板机、卷圆机、圆弯头咬口机、型钢切割机、角(扁)钢卷圆机、液压钳钉钳、电动拉铆枪、台钻、手电钻、冲孔机、插条法兰机、螺旋卷管机、电、气焊设备、空气压缩机油漆喷枪等设备及不锈钢板尺、钢直尺、角尺量角器、圆规、洋冲、铁锤、木锤、拍板、各类胎具、料桶、刷子等小型工具。(三)材料要求1、能适用的板材、管材等主要材料应有出厂质量证明文件(包括出厂合格证、质量合格证明及检测报告等)。2、非金属材料及填充料等应符合设计要求,有齐全的质量证明文件。二、质量要求1、金属风管及配件制作。质量要求应符合《通风与空调工程施工质量验收规范》(GB50243-2021)的规定。表6-14项序检查项目允许偏差或允许值主控项目1材料种类、性能及厚度第4.2.1条2防火风管材料及密封垫料第4.2.3条3风管强度及严密性、工艺性检测第4.2.5条4风管的连接第4.2.6条5风管的加固第4.2.10条6矩形弯管制作及导流片第4.2.12条7净化空调风管第4.2.13条一般项目1圆形弯管制作第4.3.1-1条2风管外观质量和外形尺寸第4.3.1-2.3条3焊接风管第4.3.1-4条4法兰风管制作第4.3.2条2/65铝板或不锈钢板风管第4.3.2-4条续表项序检查项目允许偏差或允许值一般项目6无法兰圆形风管制作第4.3.3条7无法兰矩形风管制作第4.3.3条8风管的加固第4.3.4条9净化空调风管第4.3.11条2、非金属与复合材料风管及配件制作。质量要求应符合《通风与空调工程施工质量验收规范》(GB30243-2021)的规定。表6-15项序检查项目允许偏差或允许值主控项目1材料种类、性能及厚度第4.2.2条2复合材料风管的材料第4.2.4条3风管强度及严密性、工艺性检测第4.2.5条4风管的连接第4.2.7条5复合材料风管法兰连接第4.2.8条6砖、混凝土风道的变形缝第4.2.9条7风管的加固第4.2.11条8矩形弯管制作及导流片第4.2.12条9净化空调风管第4.2.13条一般项目1风管制作第4.3.1条2硬聚氯乙烯风管第4.3.5条3有机玻璃钢风管第4.3.6条4无机玻璃钢风管第4.3.7条5砖、混凝土风管第4.3.8条6双面铝箔绝热板风管第4.3.9条7铝箔玻璃纤维板风管第4.3.10条8净化空调风管第4.3.11条3、风管部件及消声器制作。质量要求应符合《通风与空调工程施工质量验收规范》(GB50243-2021)的规定。表6-16项序检查项目允许偏差或允许值主控项目1一般风阀第5.2.1条2电动气动风阀第5.2.2条3防火阀、排烟阀(口)第5.2.3条4防爆风阀第5.2.4条5净化空调系统风阀第5.2.5条6特殊风阀第5.2.6条7防排烟柔性短管第5.2.7条8消防弯管、消声器第5.2.8条一般项目1调节风阀第5.3.1条2止回风阀第5.3.2条3插板风阀第5.3.3条4三通调节风阀第5.3.4条3/65风量平衡阀第5.3.5条6风罩第5.3.6条7风帽第5.3.7条续表项序检查项目允许偏差或允许值一般项目8短形弯管导流叶片第5.3.8条9柔性短管第5.3.9条10消声器第5.3.10条11检查门第5.3.11条12风口验收第5.3.12条三、工艺流程1、金属风管制作。2、非金属、复合材料风管制作。3、风管部件及消声器制作。四、操作工艺(一)风管制作1、画线要据风管的不同尺寸形状和规格分别进行,同时对同一段凤管要完整进行,防止画线错孔和下料的多少有误。2、板材剪切依据画线的阶段不同,分别进行,同时必须进行下料的复核,以免有误。按画线形状用机械剪刀和手工剪刀进行剪切。3、剪切时,手严禁伸入机械压板空隙中,上刀架不准放置工具等物品,调整板料时,脚不能放在踏板机上,使用固定式震动剪两手要扶稳钢板,手离刀口不得小于5cm,用力均匀适当。4/64、板材下料后在轧口之前,必须用倒角机或剪刀进行倒角工作。倒角形状如图6-10:5、金属薄...

1、当您付费下载文档后,您只拥有了使用权限,并不意味着购买了版权,文档只能用于自身使用,不得用于其他商业用途(如 [转卖]进行直接盈利或[编辑后售卖]进行间接盈利)。
2、本站所有内容均由合作方或网友上传,本站不对文档的完整性、权威性及其观点立场正确性做任何保证或承诺!文档内容仅供研究参考,付费前请自行鉴别。
3、如文档内容存在违规,或者侵犯商业秘密、侵犯著作权等,请点击“违规举报”。

碎片内容

通风管道及部件制作工程技术交底

您可能关注的文档

确认删除?
VIP
微信客服
  • 扫码咨询
会员Q群
  • 会员专属群点击这里加入QQ群
客服邮箱
回到顶部