电脑桌面
添加小米粒文库到电脑桌面
安装后可以在桌面快捷访问

通风管道安装工程质量管理VIP免费

通风管道安装工程质量管理_第1页
1/8
通风管道安装工程质量管理_第2页
2/8
通风管道安装工程质量管理_第3页
3/8
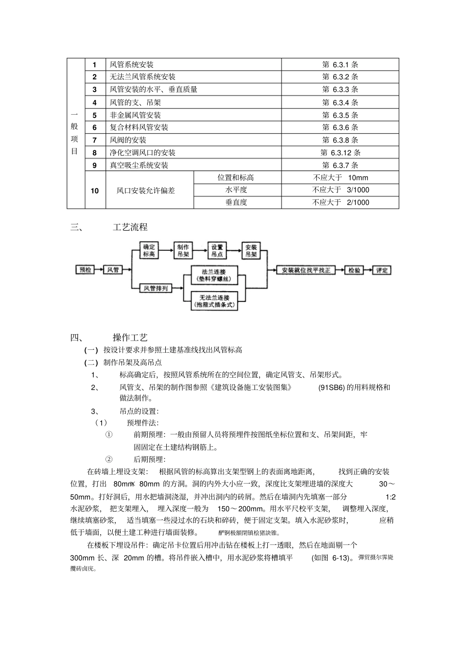
一、施工准备(一)作业条件1、一般排风机系统和空调系统的安装,要在建筑物围护结构施工完,障碍物已清理,地面无杂物的条件下进行。2、对空气洁净系统的安装,应在建筑物内部安装部件的地面做好,墙面已抹灰完毕,室内无灰尘飞扬或有防尘措施的条件下进行。矚慫润厲钐瘗睞枥庑赖。3、一般除尘系统风管安装宜在厂房的工艺设备安装完或设备基础己确定,设备连接器、罩体方位已知的情况下进行。4、检查现场预留孔洞位置、尺寸应符合图纸要求,每边比实际截面大100mm。5、作业地点要有相应的辅助设施,如梯子、架子、安全防护、消防器材,并有施工员的技术、质量、安全交底。(二)材料要求1、各类板材、管材等应有质量证明文件(包括出厂合格证、质量合格证明及检测报告等)和产品清单。2、风管成品不允许有变形、扭曲、开裂、孔洞、法兰脱落、开焊、漏铆、漏打螺栓孔等缺陷。3、安装的阀体消声器、罩体、风口等部件应检查调节装置是否灵活,消声片、油漆层有无损伤。4、安装使用的材料:螺栓、螺母、垫圈、垫料、密封条、自攻螺钉、拉铆钉、电焊条、各种帆布、无纺布、射钉、膨胀螺栓等应符合产品质量要求。聞創沟燴鐺險爱氇谴净。(三)施工机具手锤、电锤、手电钻、手锯、电动双刃剪、砂轮锯、角向磨光机、台钻、电气焊具、扳手、改锥、手剪、倒链、高凳、大绳、尖冲、射钉枪、刷子等。残骛楼諍锩瀨濟溆塹籟。二、质量要求(一)风管系统安装工作(送、排风,防排烟,除尘系统)质量要求符合《通风与空调工程施工质量验收规范》(GB50243-2002)的规定。表6-21项序检查项目允许偏差或允许值主控项目1风管穿越防火、防爆墙第6.2.1条2风管安装第6.2.2条3高于80℃风管系统第6.2.3条4风管部件安装第6.2.4条5防火阀、排烟阀安装第6.2.5条6手动密闭阀安装第6.2.9条7风管严密性检验第6.2.8条续表项序检查项目允许偏差或允许值一般项1风管系统安装第6.3.1条2无法兰风管系统安装第6.3.2条3风管连接的水平、垂直度第6.3.3条目4风管支、吊架安装第6.3.4条5复合材料风管安装第6.3.6条6非金属风管安装第6.3.5条7风阀安装第6.3.8条8风帽安装第6.3.9条9吸、排风罩安装第6.3.10条10风口安装第6.3.11条(二)风管系统安装工程(空调系统)质量要求符合《通风与空调工程施工质量验收规范》(GB50243-2002)的规定。表6-22项序检查项目允许偏差或允许值主控项目1风管穿越防火、防爆墙(楼板)第6.2.1条2风管内严禁其他管线穿越第6.2.2-1条3易燃、易爆环境风管第6.2.2-2条4室外立管的固定拉索第6.2.2-3条5高于80℃风管系统第6.2.3条6风管部件安装第6.2.4条7手动密闭阀安装第6.2.9条8风管严密性检验第6.2.8条一般项目1风管系统安装第6.3.1条2无法兰风管系统安装第6.3.2条3风管连接的水平、垂直质量第6.3.3条4风管支、吊架安装第6.3.4条5铝板、不绣钢板风管安装第6.3.1-8条6非金属风管安装第6.3.5条7复合材料风管安装第6.3.6条8风阀安装第6.3.8条9风口安装第6.3.11条10变风量末端装置安装第6.3.10条(三)风管系统安装工程(净化空调系统)质量要求符合《通风与空调工程施工质量验收规范》(GB50243-2002)的规定。表6-23项序检查项目允许偏差或允许值主控项目1风管穿越防火、防爆墙第6.2.1条2风管安装第6.2.2条3高于80℃风管系统第6.2.3条4风管部件安装第6.2.4条5手动密闭阀安装第6.2.9条6净化风管安装第6.2.6条7真空吸尘系统安装第6.2.7条8风管严密性检验第6.2.8条续表项序检查项目允许偏差或允许值一般项目1风管系统安装第6.3.1条2无法兰风管系统安装第6.3.2条3风管安装的水平、垂直质量第6.3.3条4风管的支、吊架第6.3.4条5非金属风管安装第6.3.5条6复合材料风管安装第6.3.6条7风阀的安装第6.3.8条8净化空调风口的安装第6.3.12条9真空吸尘系统安装第6.3.7条10风口安装允许偏差位置和标高不应大于10mm水平度不应大于3/1000垂直度不应大于2/1000三、工艺流程四、操作工艺(一)按设计要求并参照土建基准线找出风管标高(二)制作吊架及高吊点1、标高确定后,按照风管系统所在的空间位置,确定风管支、吊架形式。2、风管支、吊架的制作图参照《建筑设备施工安装图集》(91SB6)的用料规格和做法制作。3、吊点的设置:(1)预埋件法:①前...

1、当您付费下载文档后,您只拥有了使用权限,并不意味着购买了版权,文档只能用于自身使用,不得用于其他商业用途(如 [转卖]进行直接盈利或[编辑后售卖]进行间接盈利)。
2、本站所有内容均由合作方或网友上传,本站不对文档的完整性、权威性及其观点立场正确性做任何保证或承诺!文档内容仅供研究参考,付费前请自行鉴别。
3、如文档内容存在违规,或者侵犯商业秘密、侵犯著作权等,请点击“违规举报”。

碎片内容

通风管道安装工程质量管理

您可能关注的文档

确认删除?
VIP
微信客服
  • 扫码咨询
会员Q群
  • 会员专属群点击这里加入QQ群
客服邮箱
回到顶部