电脑桌面
添加小米粒文库到电脑桌面
安装后可以在桌面快捷访问

钢结构工程施工质量验收标准VIP免费

钢结构工程施工质量验收标准_第1页
1/6
钢结构工程施工质量验收标准_第2页
2/6
钢结构工程施工质量验收标准_第3页
3/6
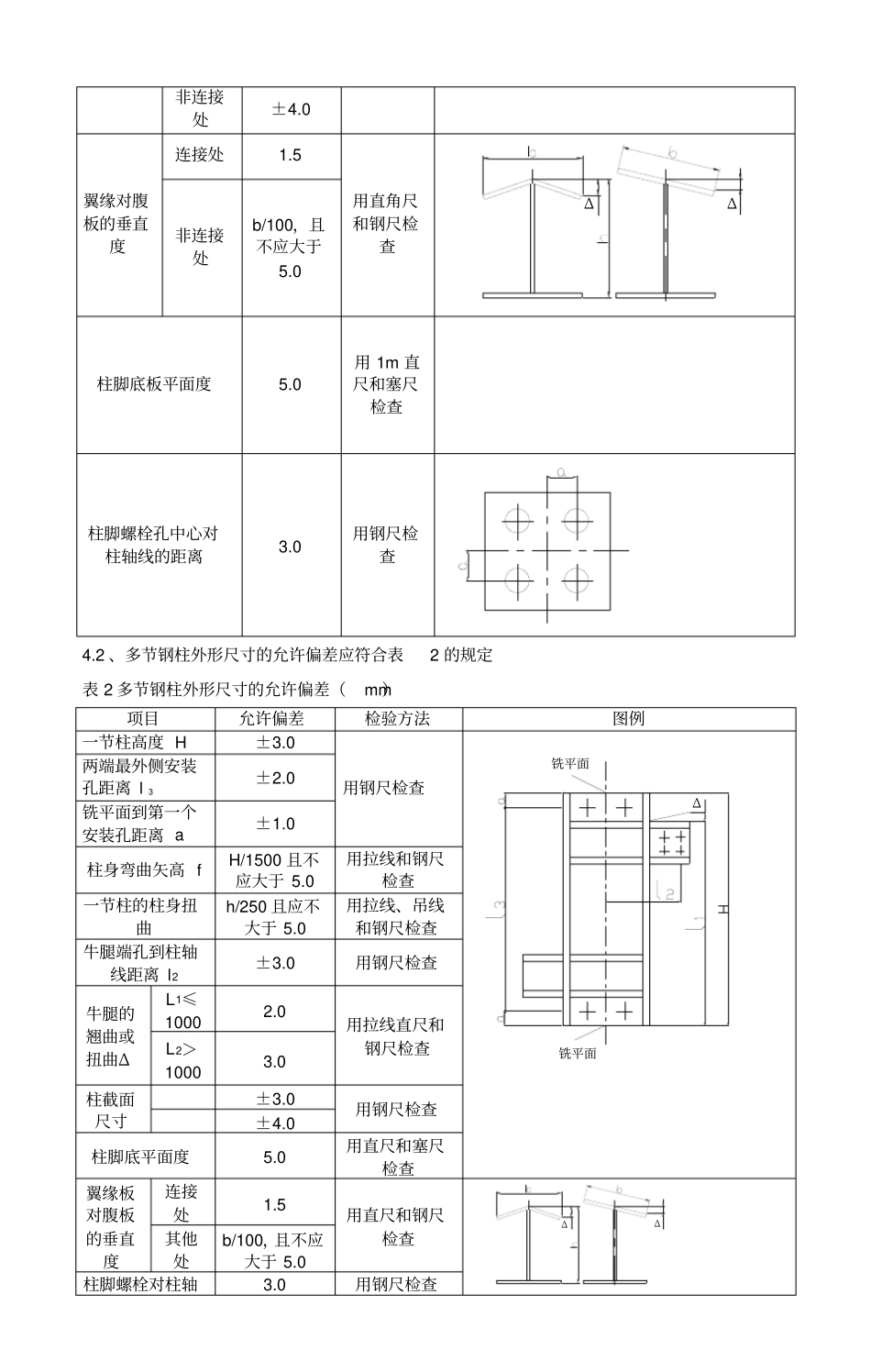
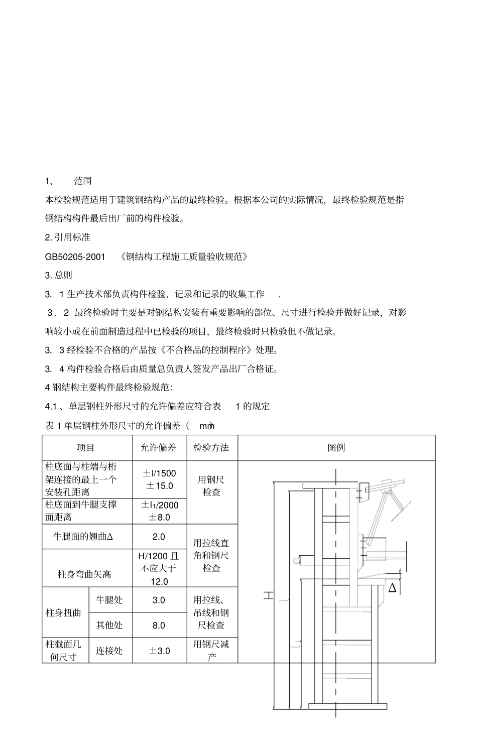
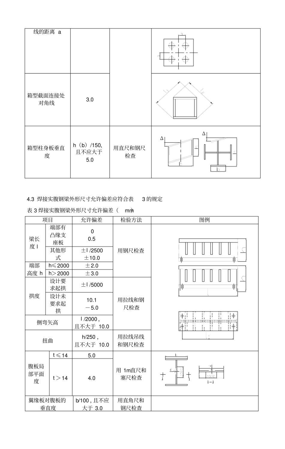
1、范围本检验规范适用于建筑钢结构产品的最终检验。根据本公司的实际情况,最终检验规范是指钢结构构件最后出厂前的构件检验。2.引用标准GB50205-2001《钢结构工程施工质量验收规范》3.总则3.1生产技术部负责构件检验、记录和记录的收集工作.3.2最终检验时主要是对钢结构安装有重要影响的部位、尺寸进行检验并做好记录,对影响较小或在前面制造过程中已检验的项目,最终检验时只检验但不做记录。3.3经检验不合格的产品按《不合格品的控制程序》处理。3.4构件检验合格后由质量总负责人签发产品出厂合格证。4钢结构主要构件最终检验规范:4.1、单层钢柱外形尺寸的允许偏差应符合表1的规定表1单层钢柱外形尺寸的允许偏差(mm)项目允许偏差检验方法图例柱底面与柱端与桁架连接的最上一个安装孔距离±l/1500±15.0用钢尺检查Δ柱底面到牛腿支撑面距离±l1/2000±8.0牛腿面的翘曲Δ2.0用拉线直角和钢尺检查柱身弯曲矢高H/1200且不应大于12.0柱身扭曲牛腿处3.0用拉线、吊线和钢尺检查其他处8.0柱截面几何尺寸连接处±3.0用钢尺减产非连接处±4.0翼缘对腹板的垂直度连接处1.5用直角尺和钢尺检查ΔΔ非连接处b/100,且不应大于5.0柱脚底板平面度5.0用1m直尺和塞尺检查柱脚螺栓孔中心对柱轴线的距离3.0用钢尺检查4.2、多节钢柱外形尺寸的允许偏差应符合表2的规定表2多节钢柱外形尺寸的允许偏差(mm)项目允许偏差检验方法图例一节柱高度H±3.0用钢尺检查铣平面铣平面Δ两端最外侧安装孔距离l3±2.0铣平面到第一个安装孔距离a±1.0柱身弯曲矢高fH/1500且不应大于5.0用拉线和钢尺检查一节柱的柱身扭曲h/250且应不大于5.0用拉线、吊线和钢尺检查牛腿端孔到柱轴线距离l2±3.0用钢尺检查牛腿的翘曲或扭曲ΔL1≤10002.0用拉线直尺和钢尺检查L2>10003.0柱截面尺寸±3.0用钢尺检查±4.0柱脚底平面度5.0用直尺和塞尺检查翼缘板对腹板的垂直度连接处1.5用直尺和钢尺检查ΔΔ其他处b/100,且不应大于5.0柱脚螺栓对柱轴3.0用钢尺检查线的距离a箱型截面连接处对角线3.0箱型柱身板垂直度h(b)/150,且不应大于5.0用直尺和钢尺检查ΔΔ4.3焊接实腹钢梁外形尺寸允许偏差应符合表3的规定表3焊接实腹钢梁外形尺寸允许偏差(mm)项目允许偏差检验方法图例梁长度l端部有凸缘支座板00.5用钢尺检查其他形式±l/2500±10.0端部高度hh≤2000±2.0h>2000±3.0拱度设计要求起拱±l/5000用拉线和钢尺检查设计未要求起拱10.1-5.0侧弯矢高l/2000,且不大于10.0扭曲h/250,且不大于10.0用拉线吊线和钢尺检查腹板局部平面度t≤145.0用1m直尺和塞尺检查t>144.0翼缘板对腹板的垂直度b/100,且不应大于3.0用直角尺和钢尺检查吊车梁上翼缘于轨道接触面的平面度1.0用200mm、1m直尺和塞尺检查箱型截面对角线差5.0用钢尺检查箱型截面两腹板至翼缘板中心距离a连接处1.0其他处1.5梁端板的平面度(只允许凹进)h/500,且应不大于2.0用直角尺和钢尺检查梁端板与腹板的垂直度h/500,且不应大于2.0用直角尺和钢尺检查4.4.钢桁架外形尺寸的允许偏差应符合表4的规定表4钢桁架外形尺寸的允许偏差项目允许偏差检验方法图例桁架最外端两个孔或两端支撑面最外侧距离l≤24mm+3.0-7.0用钢尺检查l>24mm+5.0-10.0桁架跨中高度±10.0桁架跨中拱度设计要求起拱±l/5000设计未要求起拱10.0-5.0相邻节间弦杆弯曲(受压除外)l/1000支撑面到第一个安装孔距离a±1.0用钢尺检查铣平顶紧支撑面檀条连接支撑间距±5.04.5.钢管构件外形尺寸的允许偏差应符合表5的规定表5钢管构件外形尺寸的允许偏差项目允许偏差检验方法图例直径d±d/500±5.0用钢尺检查构件长度l±3.0管口圆度±d/500,且不应大于5.0管面对管轴的垂直度±d/500,且不应大于3.0用焊缝量规检查弯曲矢高±l/500,且不应大于5.0用拉尺、吊线和钢尺检查对口错边±t/10,且不应大于3.0用拉线和钢尺检查注:对方矩形管,d为长边尺寸4.6.钢平台、钢梯和防护钢栏杆外形尺寸的允许偏差应符合表6的规定表6钢平台、钢梯和防护钢栏杆外形尺寸的允许偏差项目允许偏差检验方法图例平台长度和宽度±5.0用钢尺检查平台两对角线差(l1-l2)的绝对值6.0平台支柱高度±3.0平台支柱弯曲矢高5.0用拉线和...

1、当您付费下载文档后,您只拥有了使用权限,并不意味着购买了版权,文档只能用于自身使用,不得用于其他商业用途(如 [转卖]进行直接盈利或[编辑后售卖]进行间接盈利)。
2、本站所有内容均由合作方或网友上传,本站不对文档的完整性、权威性及其观点立场正确性做任何保证或承诺!文档内容仅供研究参考,付费前请自行鉴别。
3、如文档内容存在违规,或者侵犯商业秘密、侵犯著作权等,请点击“违规举报”。

碎片内容

钢结构工程施工质量验收标准

您可能关注的文档

确认删除?
VIP
微信客服
  • 扫码咨询
会员Q群
  • 会员专属群点击这里加入QQ群
客服邮箱
回到顶部