电脑桌面
添加小米粒文库到电脑桌面
安装后可以在桌面快捷访问

钢结构设计原理考试复习题及参考答案VIP专享VIP免费

钢结构设计原理考试复习题及参考答案_第1页
1/27
钢结构设计原理考试复习题及参考答案_第2页
2/27
钢结构设计原理考试复习题及参考答案_第3页
3/27
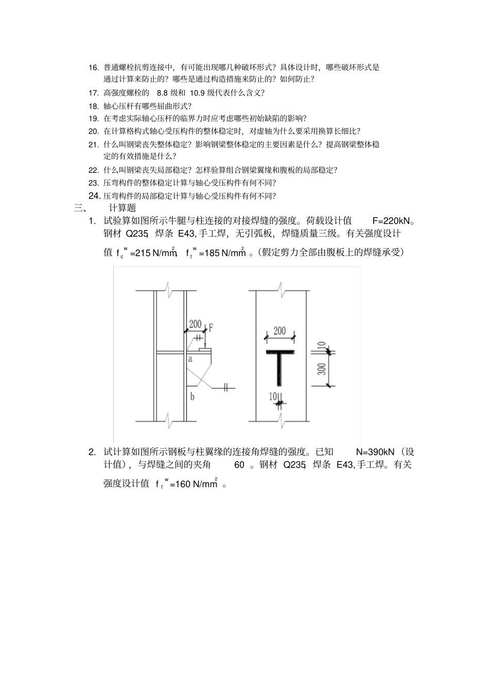
中南大学《钢结构设计原理》一、填空题1.钢结构计算的两种极限状态是和。2.钢结构具有、、、、和等特点。3.钢材的破坏形式有和。4.影响钢材性能的主要因素有、、、、、、和。5.影响钢材疲劳的主要因素有、、、6.建筑钢材的主要机械性能指标是、、、和。7.钢结构的连接方法有、和。8.角焊缝的计算长度不得小于,也不得小于。侧面角焊缝承受静载时,其计算长度不宜大于。9.普通螺栓抗剪连接中,其破坏有五种可能的形式,即、、、、和。10.高强度螺栓预拉力设计值与和有关。11.轴心压杆可能的屈曲形式有、、和。12.轴心受压构件的稳定系数与、和有关。13.提高钢梁整体稳定性的有效途径是、和。14.影响钢梁整体稳定的主要因素有、、、和。15.焊接组合工字梁,翼缘的局部稳定常采用的方法来保证,而腹板的局部稳定则常采用的方法来解决。二、问答题1.钢结构具有哪些特点?2.钢结构的合理应用范围是什么?3.钢结构对材料性能有哪些要求?4.钢材的主要机械性能指标是什么?各由什么试验得到?5.影响钢材性能的主要因素是什么?6.什么是钢材的疲劳?影响钢材疲劳的主要因素有哪些?7.选用钢材通常应考虑哪些因素?8.钢结构有哪些连接方法?各有什么优缺点?9.焊缝可能存在的缺陷有哪些?10.焊缝的质量级别有几级?各有哪些具体检验要求?11.对接焊缝的构造要求有哪些?12.角焊缝的计算假定是什么?角焊缝有哪些主要构造要求?13.焊接残余应力和焊接残余变形是如何产生的?焊接残余应力和焊接残余变形对结构性能有何影响?减少焊接残余应力和焊接残余变形的方法有哪些?14.普通螺栓连接和摩擦型高强度螺栓连接,在抗剪连接中,它们的传力方式和破坏形式有何不同?15.螺栓的排列有哪些构造要求?16.普通螺栓抗剪连接中,有可能出现哪几种破坏形式?具体设计时,哪些破坏形式是通过计算来防止的?哪些是通过构造措施来防止的?如何防止?17.高强度螺栓的8.8级和10.9级代表什么含义?18.轴心压杆有哪些屈曲形式?19.在考虑实际轴心压杆的临界力时应考虑哪些初始缺陷的影响?20.在计算格构式轴心受压构件的整体稳定时,对虚轴为什么要采用换算长细比?21.什么叫钢梁丧失整体稳定?影响钢梁整体稳定的主要因素是什么?提高钢梁整体稳定的有效措施是什么?22.什么叫钢梁丧失局部稳定?怎样验算组合钢梁翼缘和腹板的局部稳定?23.压弯构件的整体稳定计算与轴心受压构件有何不同?24.压弯构件的局部稳定计算与轴心受压构件有何不同?三、计算题1.试验算如图所示牛腿与柱连接的对接焊缝的强度。荷载设计值F=220kN。钢材Q235,焊条E43,手工焊,无引弧板,焊缝质量三级。有关强度设计值wcf=215N/mm2,wtf=185N/mm2。(假定剪力全部由腹板上的焊缝承受)2.试计算如图所示钢板与柱翼缘的连接角焊缝的强度。已知N=390kN(设计值),与焊缝之间的夹角60。钢材Q235,焊条E43,手工焊。有关强度设计值wff=160N/mm2。3.设计双角钢拉杆与节点板之间的连接角焊缝计算长度L1=?,L2=?已知:采用三面围焊:hf=6mm,fwf=160N/mm2,N=529kN(静载设计值)4.设计矩形拼接板与板件用三面围焊连接的平接接头。轴心拉力N=1250kN,(静载设计值),钢材Q235,焊条E43,手工焊。有关强度设计值?=215N/mm2,fwf=160N/mm2。图示尺寸单位mm.(焊缝LW2实际长度取cm整数)5.设计矩形拼接板与板件用普通螺栓连接的平接接头。(如图所示,单位mm)。已知轴心拉力设计值N=600KN,有关强度设计值:?bv=130N/mm2,?bc=305N/mm2,?=215N/mm2。粗制螺栓d=20mm,孔径d0=21.5mm。6.图示一用M20普通螺栓的钢板拼接接头,钢材为Q235,?=215N/mm2。试计算接头所能承受的最大轴心力设计值。螺栓M20,孔径21.5mm,?bv=130N/mm2,?bc=305N/mm2。7.若上题的拼接接头改用10.9级M20磨擦型高强度螺栓,接触面处理采用钢丝刷清除浮锈。接头所能承受的最大轴心力设计值能增大多少?已知高强度螺栓预拉力设计值P=155kN,接触面抗滑移系数3.0。8.计算图示连接的承载力设计值N。螺栓M20,孔21.5mm,材料Q235A已知:?=215N/mm2,?bv=130N/mm2,?bc=305N/mm2。9.试计算下图所示连接中C级螺栓的强度。已知荷载设计值F=60KN,螺栓M20,孔径21.5mm,?bv=130N/mm2,?bc=305N/mm2.10....

1、当您付费下载文档后,您只拥有了使用权限,并不意味着购买了版权,文档只能用于自身使用,不得用于其他商业用途(如 [转卖]进行直接盈利或[编辑后售卖]进行间接盈利)。
2、本站所有内容均由合作方或网友上传,本站不对文档的完整性、权威性及其观点立场正确性做任何保证或承诺!文档内容仅供研究参考,付费前请自行鉴别。
3、如文档内容存在违规,或者侵犯商业秘密、侵犯著作权等,请点击“违规举报”。

碎片内容

钢结构设计原理考试复习题及参考答案

确认删除?
VIP
微信客服
  • 扫码咨询
会员Q群
  • 会员专属群点击这里加入QQ群
客服邮箱
回到顶部