电脑桌面
添加小米粒文库到电脑桌面
安装后可以在桌面快捷访问

钻孔灌注桩技术交底记录VIP免费

钻孔灌注桩技术交底记录_第1页
1/9
钻孔灌注桩技术交底记录_第2页
2/9
钻孔灌注桩技术交底记录_第3页
3/9
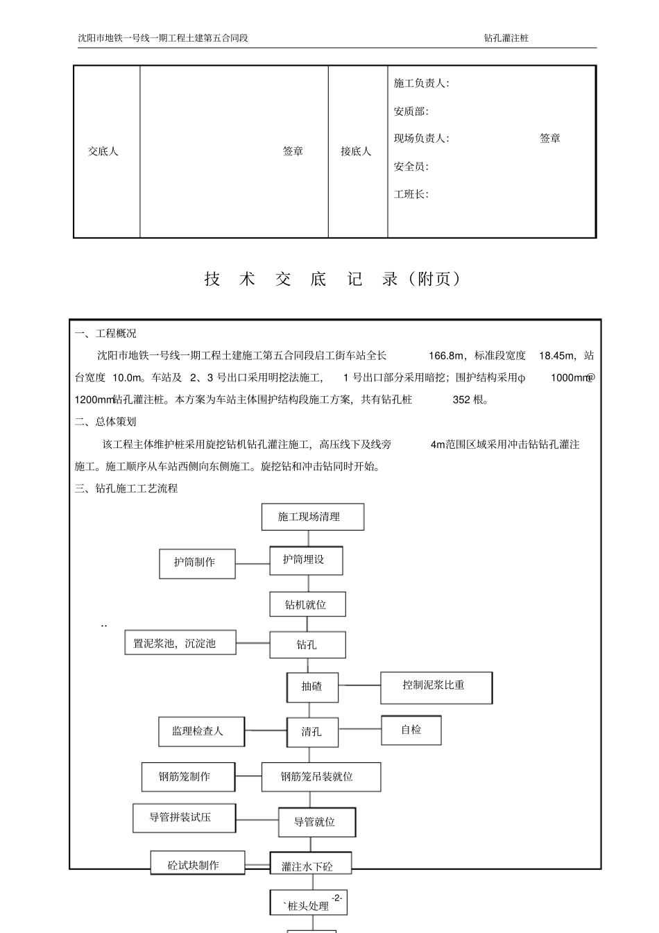
沈阳市地铁一号线一期工程土建第五合同段钻孔灌注桩-1-技术交底记录工程名称沈阳地铁一号线第五合同段分部(分项)工程围护桩结构交底项目钻孔灌注桩图纸名称图号第一分册主体维护结构图纸1.工期及主要工作量;构造、尺寸、界限要求:见附图2.主要设备、材料、构件的型号、规格和质量要求(包括下料单名称编号)闪光对焊机UNI-751台套丝机SA16—401台交流电焊机ZDHJ-Ⅱ8台钢筋弯曲机WJ40-12台钢筋切断机GJ5-401台钢筋除锈调直机GTJ4-141台旋挖钻SYR220C1台30型冲击钻1台3.技术要求和质量标准:见附页4.施工程序、主要施工方法和安全措施注意事项(包括“施工工艺”项目、“单项作业标准”项目、代号)见附页附图见附页沈阳市地铁一号线一期工程土建第五合同段钻孔灌注桩-2-交底人签章接底人施工负责人:安质部:现场负责人:签章安全员:工班长:技术交底记录(附页)一、工程概况沈阳市地铁一号线一期工程土建施工第五合同段启工街车站全长166.8m,标准段宽度18.45m,站台宽度10.0m。车站及2、3号出口采用明挖法施工,1号出口部分采用暗挖;围护结构采用φ1000mm@1200mm钻孔灌注桩。本方案为车站主体围护结构段施工方案,共有钻孔桩352根。二、总体策划该工程主体维护桩采用旋挖钻机钻孔灌注施工,高压线下及线旁4m范围区域采用冲击钻钻孔灌注施工。施工顺序从车站西侧向东侧施工。旋挖钻和冲击钻同时开始。三、钻孔施工工艺流程..施工现场清理护筒制作护筒埋设钻机就位钻孔置泥浆池,沉淀池抽碴清孔控制泥浆比重自检钢筋笼吊装就位钢筋笼制作导管就位导管拼装试压砼试块制作灌注水下砼`桩头处理监理检查人沈阳市地铁一号线一期工程土建第五合同段钻孔灌注桩-3-四、施工准备1、机械设备进场、安装调试:设备进场进行设备检查并且安装调试,保证运行良好。2、确认地质勘察资料:该地层从上到下分为松散杂填土、可塑状粉质粘土、中密中粗砂、可硬塑状粉质粘土、密实砾砂、可硬塑状粉质粘土、密实中粗砂、密实砾砂。3、钻机选择:根据施工图纸要求确定钻头直径一般比钻孔规定直径小1cm—2cm。确保不会有过大充盈系数。据土质的松软程度选用不同类型的钻机。该工程选短螺旋钻头和捞砂钻头。4、施工用的泥浆池、泥浆管、泥浆比重计、探孔仪、钢尺等准备好。五、施工方法1、场地清理:场地平整,清理干净,满足机械顺畅施工。2、桩位放线、浆池开挖:依据设计文件对桩位进行放样,并认真核对复查。同时,制作泥浆池:泥浆池采用钢板制作,尺寸为深1m,长9m,宽5m,。3、护筒埋设:(1)围护结构为φ1000@1200mm砼灌注桩,护筒直径为1100mm,护筒基坑直径为1.2m,埋置深度不小于1.8m,护筒要在较坚硬密实的土层中0.3m以上。护筒高出施工地面0.5m。(2)护筒的允许偏差:位移为5cm,护筒斜度为1%。4、钻机就位、孔位校正:(1)钻机就位,钻机底座要保持平稳,不得产生位移和沉陷。(2)开钻前,打开桅杆铅直状态自动调节,对准孔位并校正,把钻头尖落至与护筒上沿同一平面内,把深度仪设为零。5、旋挖钻孔、泥浆循环、清除废浆泥渣(1)高压线下及线旁不满足旋挖钻施工的位置采用冲击钻,其他部位采用旋挖钻。高压线下及线旁安全距离为:水平安全距离4m,垂直安全距离5m。钻孔施工时,先以低档慢速钻进,以泥浆护壁为主,钻孔过程旋挖钻带有的手动与自动相互切换的电调平装置,能对桅杆进行实施监控,并能自动调节,保证桅杆在施工作业中始终保持铅直状态,可有效地保证工程对孔桩垂直度的要求。待钻头钻进越过护筒深度以后,用副卷扬吊装护筒送到孔内。再次用全站仪和光把心核对护筒中心位是否与桩心位置一致。如不一致,校正护筒。然后,再适当加快钻进。在操作动力头做钻孔旋转的同时,将钻杆放至孔底,按下主卷扬浮动按扭,即可进行加压钻进工作。在钻渣达到一定装斗量时,即可提钻。提钻时将钻杆反转1—2圈,使钻斗门关闭。在将动力头抬高的同时,操纵主卷扬将钻杆、钻具提出孔口,将上车连同钻杆转至卸土位置,上提钻杆撞开斗门,倒出钻渣。操纵上车回转至桩位,然后通过触摸屏将回转角度清零,继续下一轮钻进作业。如此周而复始,直至将桩钻孔至要求深度。施工过程中应有专人填写钻...

1、当您付费下载文档后,您只拥有了使用权限,并不意味着购买了版权,文档只能用于自身使用,不得用于其他商业用途(如 [转卖]进行直接盈利或[编辑后售卖]进行间接盈利)。
2、本站所有内容均由合作方或网友上传,本站不对文档的完整性、权威性及其观点立场正确性做任何保证或承诺!文档内容仅供研究参考,付费前请自行鉴别。
3、如文档内容存在违规,或者侵犯商业秘密、侵犯著作权等,请点击“违规举报”。

碎片内容

钻孔灌注桩技术交底记录

您可能关注的文档

确认删除?
VIP
微信客服
  • 扫码咨询
会员Q群
  • 会员专属群点击这里加入QQ群
客服邮箱
回到顶部