电脑桌面
添加小米粒文库到电脑桌面
安装后可以在桌面快捷访问

锅炉吹灰器安装施工方案VIP免费

锅炉吹灰器安装施工方案_第1页
1/15
锅炉吹灰器安装施工方案_第2页
2/15
锅炉吹灰器安装施工方案_第3页
3/15
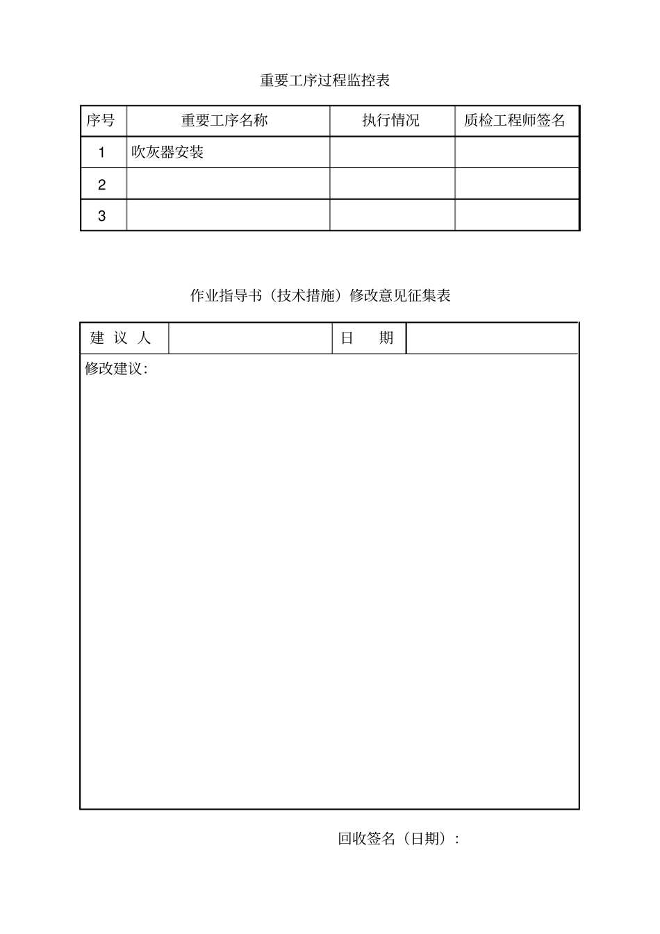
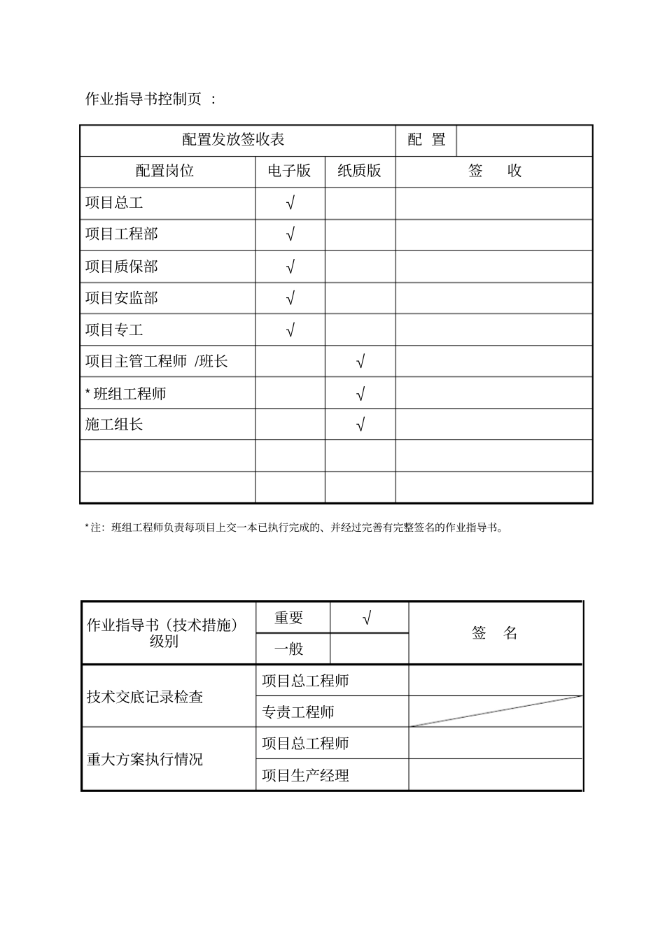
作业指导书编制单位工程名称单位工程锅炉本体安装项目编码版次名称:锅炉吹灰系统编写日期审核日期会签工程部日期质保部日期安监部日期批准日期作业指导书控制页:配置发放签收表配置配置岗位电子版纸质版签收项目总工√项目工程部√项目质保部√项目安监部√项目专工√项目主管工程师/班长√*班组工程师√施工组长√*注:班组工程师负责每项目上交一本已执行完成的、并经过完善有完整签名的作业指导书。作业指导书(技术措施)级别重要√签名一般技术交底记录检查项目总工程师专责工程师重大方案执行情况项目总工程师项目生产经理重要工序过程监控表序号重要工序名称执行情况质检工程师签名1吹灰器安装23作业指导书(技术措施)修改意见征集表建议人日期修改建议:回收签名(日期):目录1编制依据及引用标准........................................................................................................12工程概况及施工范围........................................................................................................12.1工程概况.......................................................................................................................12.2施工范围.......................................................................................................................13施工作业人员配备及人员资格要求................................................................................14施工所需机械装备及工器具量具、安全防护用品配备................................................24.1施工所需机械装备及工器具量具...............................................................................24.2安全防护用品配备.......................................................................................................25施工条件及施工前准备工作............................................................................................26作业程序、方法及要求....................................................................................................36.1作业流程图...................................................................................................................36.2作业方法及要求...........................................................................................................36.3专项技术措施...............................................................................................................67质量控制及质量验收........................................................................................................67.1质量控制标准...............................................................................................................67.2中间控制见证点设置...................................................................................................67.3中间工序交接点设置...................................................................................................67.4工艺纪律及质量保证措施...........................................................................................68安全、文明施工及环境管理要求和措施........................................................................7表8-1职业健康安全风险控制计划表(RCP)................................................................9表8-2环境因素及控制措施一览表.................................................................................1111编制依据及引用标准1.1《工程施工组织总设计》1.2《电力建设安全工作规程》DL5009?1-20021.3《电力建设施工及验收技术规范》(锅炉机组篇)DL/T5047-951.4《电力建设施工及验收技术规范》(焊接篇)...

1、当您付费下载文档后,您只拥有了使用权限,并不意味着购买了版权,文档只能用于自身使用,不得用于其他商业用途(如 [转卖]进行直接盈利或[编辑后售卖]进行间接盈利)。
2、本站所有内容均由合作方或网友上传,本站不对文档的完整性、权威性及其观点立场正确性做任何保证或承诺!文档内容仅供研究参考,付费前请自行鉴别。
3、如文档内容存在违规,或者侵犯商业秘密、侵犯著作权等,请点击“违规举报”。

碎片内容

锅炉吹灰器安装施工方案

您可能关注的文档

确认删除?
VIP
微信客服
  • 扫码咨询
会员Q群
  • 会员专属群点击这里加入QQ群
客服邮箱
回到顶部