电脑桌面
添加小米粒文库到电脑桌面
安装后可以在桌面快捷访问

附表1起重设备专项检查自查表VIP免费

附表1起重设备专项检查自查表_第1页
1/5
附表1起重设备专项检查自查表_第2页
2/5
附表1起重设备专项检查自查表_第3页
3/5
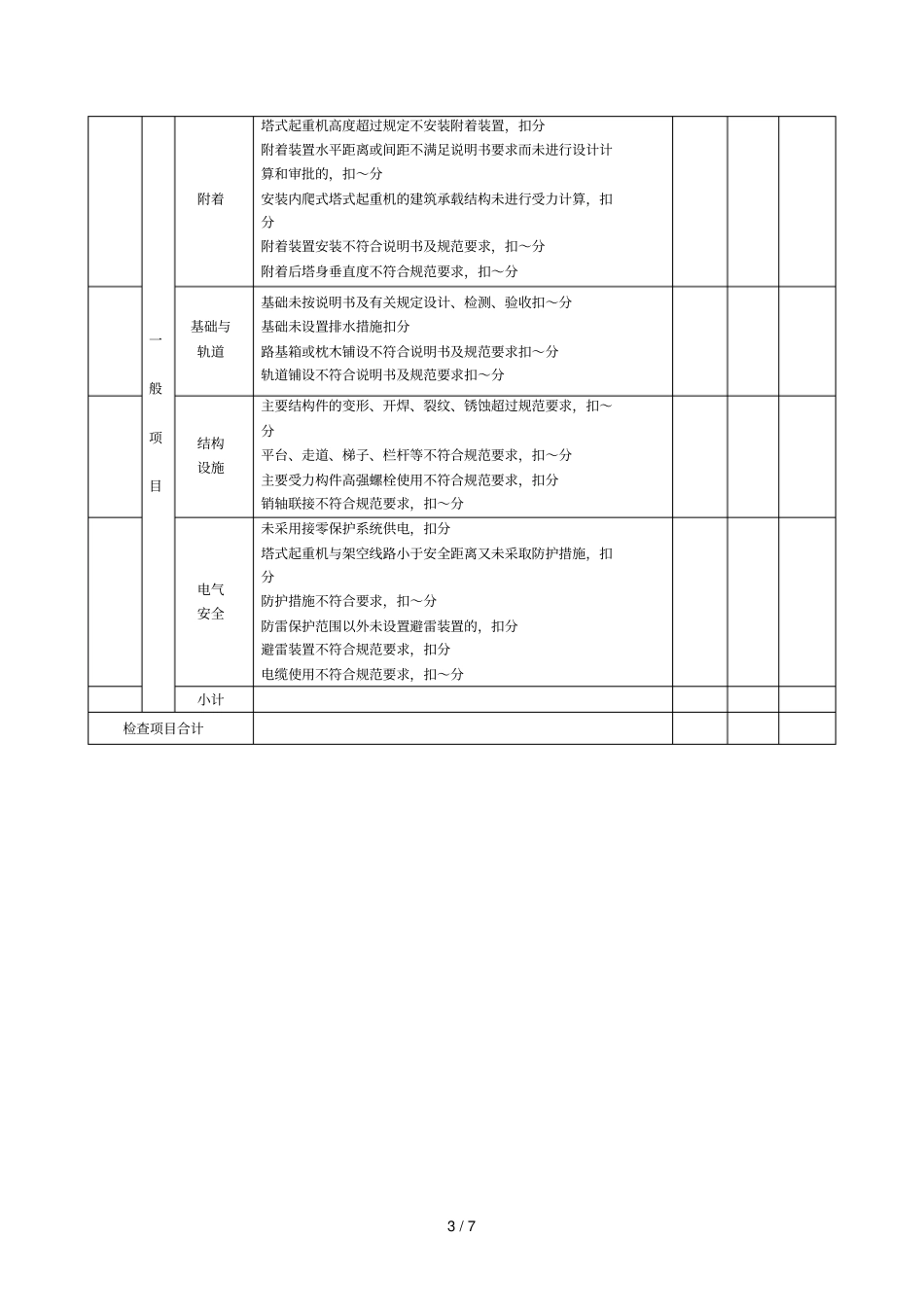
1/7附表:起重设备专项检查自查表起重设备专项检查自查表项目名称设备自编号设备型号及备案号使用状态出厂日期检测报告日期安装单位维保单位施工单位监理单位自查日期自查人员自查发现的问题(以上空白处不够的,可自行续页。)自查结论符合要求,继续使用□基本符合要求,存在问题整改后,继续使用□不符合要求,停止使用,存在问题整改后,经复查符合要求,方可使用□施工单位(项目经理签名)监理单位(总监签名)2/7附表:起重设备安全检查评分表塔式起重机检查评分表设备编号序号检查项目扣分标准应得分数扣减分数实得分数保证项目载荷限制装置未安装起重量限制器或不灵敏,扣分未安装力矩限制器或不灵敏,扣分行程限位装置未安装起升高度限位器或不灵敏,扣分未安装幅度限位器或不灵敏,扣分回转不设集电器的塔式起重机未安装回转限位器或不灵敏,扣分行走式塔式起重机未安装行走限位器或不灵敏,扣分防护装置小车变幅的塔式起重机未安装断绳保护及断轴保护装置或不符合规范要求,扣~分行走及小车变幅的轨道行程末端未安装缓冲器及止挡装置或不符合规范要求,扣~分起重臂根部绞点高度大于50m的塔式起重机未安装风速仪或不灵敏,扣分塔式起重机顶部高度大于30m且高于周围建筑物未安装障碍指示灯,扣分吊钩滑轮卷筒钢丝绳吊钩未安装钢丝绳防脱勾装置或不符合规范要求,扣分吊钩磨损、变形、疲劳裂纹达到报废标准,扣分滑轮、卷筒未安装钢丝绳防脱装置或不符合规范要求,扣分滑轮及卷筒的裂纹、磨损达到报废标准,扣~分钢丝绳磨损、变形、锈蚀达到报废标准,扣~分钢丝绳的规格、固定、缠绕不符合说明书及规范要求,扣~分多塔作业多塔作业未制定专项施工方案扣分,施工方案未经审批或方案针对性不强扣~分任意两台塔式起重机之间的最小架设距离不符合规范要求扣分安装拆卸验收安装、拆卸单位未取得相应资质扣分未制定安装、拆卸专项方案扣分,方案未经审批或内容不符合规范要求扣~分未履行验收程序或验收表未经责任人签字扣~分验收表填写不符合规范要求每项扣~分特种作业人员未持证上岗扣分未采取有效联络信号扣~分小计3/7一般项目附着塔式起重机高度超过规定不安装附着装置,扣分附着装置水平距离或间距不满足说明书要求而未进行设计计算和审批的,扣~分安装内爬式塔式起重机的建筑承载结构未进行受力计算,扣分附着装置安装不符合说明书及规范要求,扣~分附着后塔身垂直度不符合规范要求,扣~分基础与轨道基础未按说明书及有关规定设计、检测、验收扣~分基础未设置排水措施扣分路基箱或枕木铺设不符合说明书及规范要求扣~分轨道铺设不符合说明书及规范要求扣~分结构设施主要结构件的变形、开焊、裂纹、锈蚀超过规范要求,扣~分平台、走道、梯子、栏杆等不符合规范要求,扣~分主要受力构件高强螺栓使用不符合规范要求,扣分销轴联接不符合规范要求,扣~分电气安全未采用接零保护系统供电,扣分塔式起重机与架空线路小于安全距离又未采取防护措施,扣分防护措施不符合要求,扣~分防雷保护范围以外未设置避雷装置的,扣分避雷装置不符合规范要求,扣分电缆使用不符合规范要求,扣~分小计检查项目合计4/7施工升降机检查评分表设备编号序号检查项目扣分标准应得分数扣减分数实得分数保证项目安全装置未安装起重量限制器或不灵敏,扣分未安装渐进式防坠安全器或不灵敏,扣分防坠安全器超过有效标定期限,扣分对重钢丝绳未安装防松绳装置或不灵敏,扣分未安装急停开关扣分,急停开关不符合规范要求,扣~分未安装吊笼和对重用的缓冲器,扣分未安装安全钩,扣分限位装置未安装极限开关或极限开关不灵敏,扣分未安装上限位开关或上限位开关不灵敏,扣分未安装下限位开关或下限位开关不灵敏,扣分极限开关与上限位开关安全越程不符合规范要求的,扣分极限限位器与上、下限位开关共用一个触发元件,扣分未安装吊笼门机电连锁装置或不灵敏,扣分未安装吊笼顶窗电气安全开关或不灵敏,扣分防护设施未设置防护围栏或设置不符合规范要求,扣~分未安装防护围栏门连锁保护装置或连锁保护装置不灵敏,扣分未设置出入口防护棚或设置不符合规范要求,扣~分停层平台搭设不符合...

1、当您付费下载文档后,您只拥有了使用权限,并不意味着购买了版权,文档只能用于自身使用,不得用于其他商业用途(如 [转卖]进行直接盈利或[编辑后售卖]进行间接盈利)。
2、本站所有内容均由合作方或网友上传,本站不对文档的完整性、权威性及其观点立场正确性做任何保证或承诺!文档内容仅供研究参考,付费前请自行鉴别。
3、如文档内容存在违规,或者侵犯商业秘密、侵犯著作权等,请点击“违规举报”。

碎片内容

附表1起重设备专项检查自查表

确认删除?
VIP
微信客服
  • 扫码咨询
会员Q群
  • 会员专属群点击这里加入QQ群
客服邮箱
回到顶部