电脑桌面
添加小米粒文库到电脑桌面
安装后可以在桌面快捷访问

静电地板检验批VIP免费

静电地板检验批_第1页
1/2
静电地板检验批_第2页
2/2
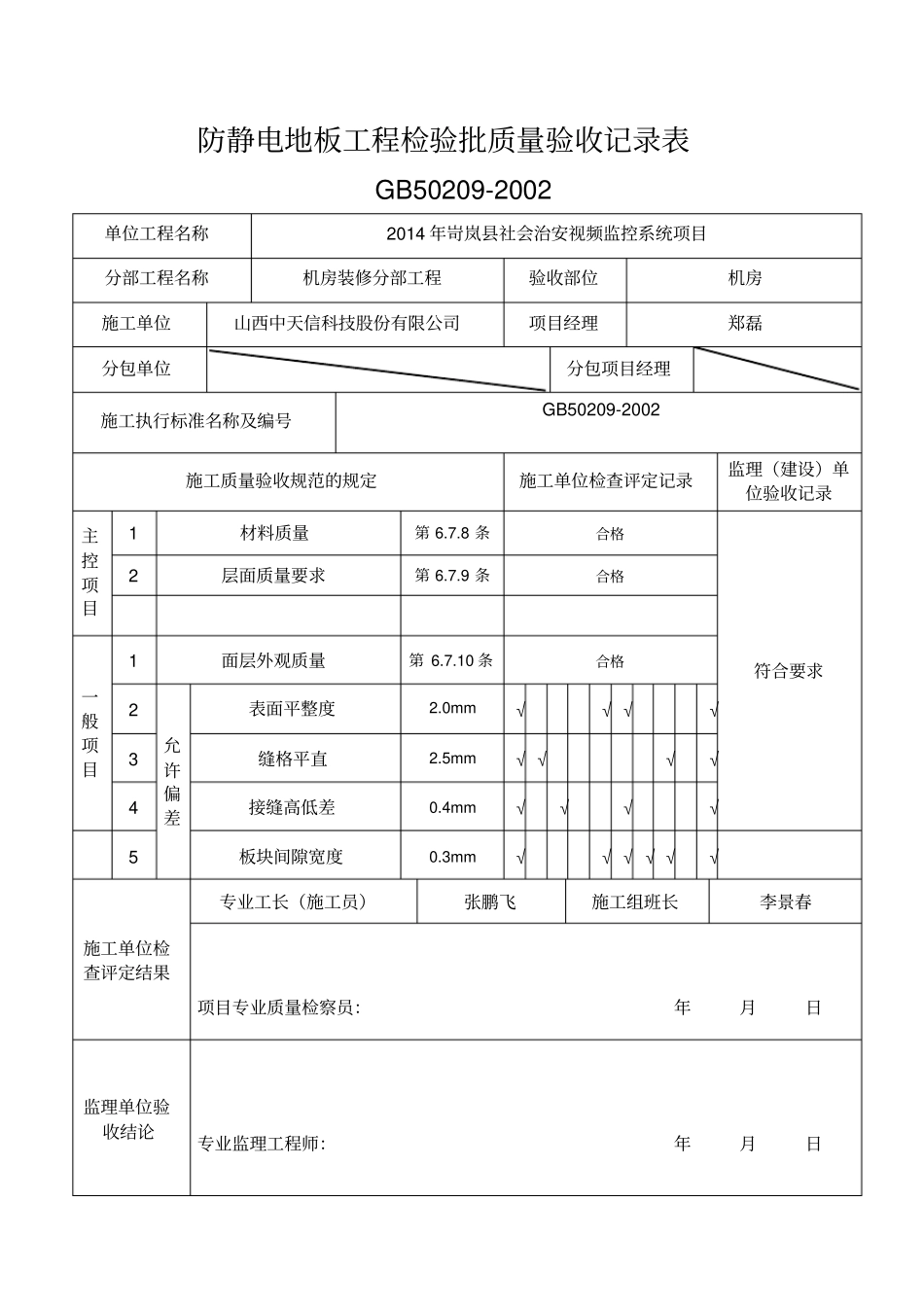
防静电地板工程检验批质量验收记录表GB50209-2002单位工程名称2014年岢岚县社会治安视频监控系统项目分部工程名称机房装修分部工程验收部位机房施工单位山西中天信科技股份有限公司项目经理郑磊分包单位分包项目经理施工执行标准名称及编号GB50209-2002施工质量验收规范的规定施工单位检查评定记录监理(建设)单位验收记录主控项目1材料质量第6.7.8条合格符合要求2层面质量要求第6.7.9条合格一般项目1面层外观质量第6.7.10条合格2允许偏差表面平整度2.0mm√√√√3缝格平直2.5mm√√√√4接缝高低差0.4mm√√√√5板块间隙宽度0.3mm√√√√√√施工单位检查评定结果专业工长(施工员)张鹏飞施工组班长李景春项目专业质量检察员:年月日监理单位验收结论专业监理工程师:年月日

1、当您付费下载文档后,您只拥有了使用权限,并不意味着购买了版权,文档只能用于自身使用,不得用于其他商业用途(如 [转卖]进行直接盈利或[编辑后售卖]进行间接盈利)。
2、本站所有内容均由合作方或网友上传,本站不对文档的完整性、权威性及其观点立场正确性做任何保证或承诺!文档内容仅供研究参考,付费前请自行鉴别。
3、如文档内容存在违规,或者侵犯商业秘密、侵犯著作权等,请点击“违规举报”。

碎片内容

静电地板检验批

确认删除?
VIP
微信客服
  • 扫码咨询
会员Q群
  • 会员专属群点击这里加入QQ群
客服邮箱
回到顶部