电脑桌面
添加小米粒文库到电脑桌面
安装后可以在桌面快捷访问

驾驶员安全教育培训记录VIP免费

驾驶员安全教育培训记录_第1页
1/4
驾驶员安全教育培训记录_第2页
2/4
驾驶员安全教育培训记录_第3页
3/4
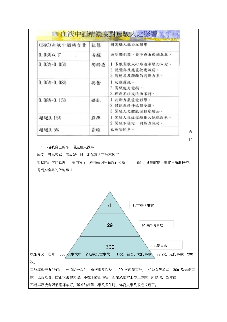
驾驶员安全培训材料安全培训记录主题:提高安全意识,做本质安全型驾驶员时间:年月日地点:主讲人:参加培训人:培训内容:驾驶员安全教育教育目的:1、明晰驾驶员的安全意识误区,提高安全意识2、使驾驶员能做到防御性驾驶,最终成为本质安全型驾驶员主要内容:一、正确认识安全,提高安全意识1.认识安全意识:所谓安全意识,就是人们头脑中建立起来的生产必须安全的观念,也就是人们在生产活动中各种各样有可能对自己或他人造成伤害的外在环境条件的一种戒备和警觉的心理状态。关键字:必须安全,警戒,警觉几种负面安全意识的类型:混沌型认为目前的安全水平还过得去,浑浑噩噩地生产工作,思想深处存在“死生由命”的想法,这种安全意识与文化水平低下有直接关系。自恃型此类型多为技术熟练,专业工作年头多的“老”字辈员工,自恃久经沙场,经验丰富,在工作中无所顾忌,他们发生事故可能性很大。任务型为了保生产,赶任务,加班加点连续作业,超负荷运转,以致安全意识每况愈下,导致发生事故。2.驾驶员安全意识误区:误区一:酒后驾车-我开车多少年都没有问题,也不差这一次。释义:生命只有一次,我们可以不差钱,但是生命确实唯一的,我们不能不差命,而且生命不光是我们自己的。误区二:不是我自己的车,碰点磕点没事释义:当你容忍小事故发生时,那你离大事故不远了根据统计学的原理,美国安全工程师海因里希统计分析了55万其事故提出事故三角形模型,得到安全界的普遍承认模型释义:在每330次事故中,会造成死亡事故1次,轻伤,微伤事故29次,无伤事故300次。事故模型告诉我们:要消除一次死亡重伤事故以及29次轻伤事故,必须首先消除300次无伤事故。也就是说,防止灾害的关键,不在于防止伤害,而是从根本上防止事故。所以说,当你在不断容忍或者习惯碰坏车灯,磕掉油漆等小事故发生时,你离大事故很近很近了。1129300死亡重伤事故轻伤微伤事故无伤事故误区三:侥幸心理司机朋友在出车时一般会存在以下侥幸心理,而这些侥幸心理,往往会造成事故的发生。1.疲劳驾驶,由于没有合理调配而导致的连续工作或其他原因导致的疲劳驾驶;2.情绪不好开车,开车饮食或吸烟;3.发现安全隐患仍旧出车,比如大雾等自然原因,灯光不好,制动不灵,方向失控等车辆状况原因;4.未遵守安保规章,比如骑着摩托车不带头盔等等;不应该抱有侥幸心理的几个实例:1.新城公司一巡线员因为正确头盔而避免重大人身损害;2.客服的老维修员户内置换被烧掉眉毛-太相信自己多年的经验而未采取正确的操作流程;3.台州天然气爆炸-未对天然气泄露采取正确措施,恰好泄露点附近进行带气作业引起爆炸。误区四:习惯性的东西不好改,而且现在好好的,都没有出现什么安全问题。释义:安全教育的目的,就是逐步提高我们的安全意识,逐步改善我们的行为,使安全成为一种习惯,最终成为一名本质安全型员工。美国著名能源企业杜邦公司的实例:每一位员工在办公楼上下楼梯时都是靠右扶着楼梯扶手或扶着墙,不论男女老少。外界甚至感觉不可思议,在杜邦,安全行为已经成为习惯,以至于后来杜邦提出他们的安全信仰:所有伤害和职业病都是可以预防的。3、认识本质安全型员工本质安全型员工:想安全,会安全,能安全,具备自主安全理念和充分的安全技能的员工。想:是意愿,是驱动力;会:是一种意愿转化为现实的能力;能:是能力转化为实践的行动和本领;自主理念和充分安全技能:是一种升华过程,强调了自身水平的提高以及对周围的影响力。4、正确认识安全管理安全管理特点:1.安全需要刚性的制度,柔性的灌输,韧性的坚持2.安全无小事,小事全安全安全管理目标:提升员工安全意识,使每个人都成为本质安全型员工,进而像杜邦一样杜绝任何事故的发生二、如何做本质安全型驾驶员发生道路交通事故的原因是多方面的,统计表明,驾驶人安全意识的淡薄和防御性安全驾驶技能的缺失,是引发道路交通事故的主要原因。那么什么是防御性驾驶呢?一般我们认为我开好我的车就好了,一般并没有主动的去防范可能的危险,而防御性驾驶,要求你主动的随时随地,把你自己处于一个安全的环境,来减少意外的发生。1.不要跟在有双排后...

1、当您付费下载文档后,您只拥有了使用权限,并不意味着购买了版权,文档只能用于自身使用,不得用于其他商业用途(如 [转卖]进行直接盈利或[编辑后售卖]进行间接盈利)。
2、本站所有内容均由合作方或网友上传,本站不对文档的完整性、权威性及其观点立场正确性做任何保证或承诺!文档内容仅供研究参考,付费前请自行鉴别。
3、如文档内容存在违规,或者侵犯商业秘密、侵犯著作权等,请点击“违规举报”。

碎片内容

驾驶员安全教育培训记录

确认删除?
VIP
微信客服
  • 扫码咨询
会员Q群
  • 会员专属群点击这里加入QQ群
客服邮箱
回到顶部