电脑桌面
添加小米粒文库到电脑桌面
安装后可以在桌面快捷访问

高考化学试验原理分析习题集A无答案VIP免费

高考化学试验原理分析习题集A无答案_第1页
1/11
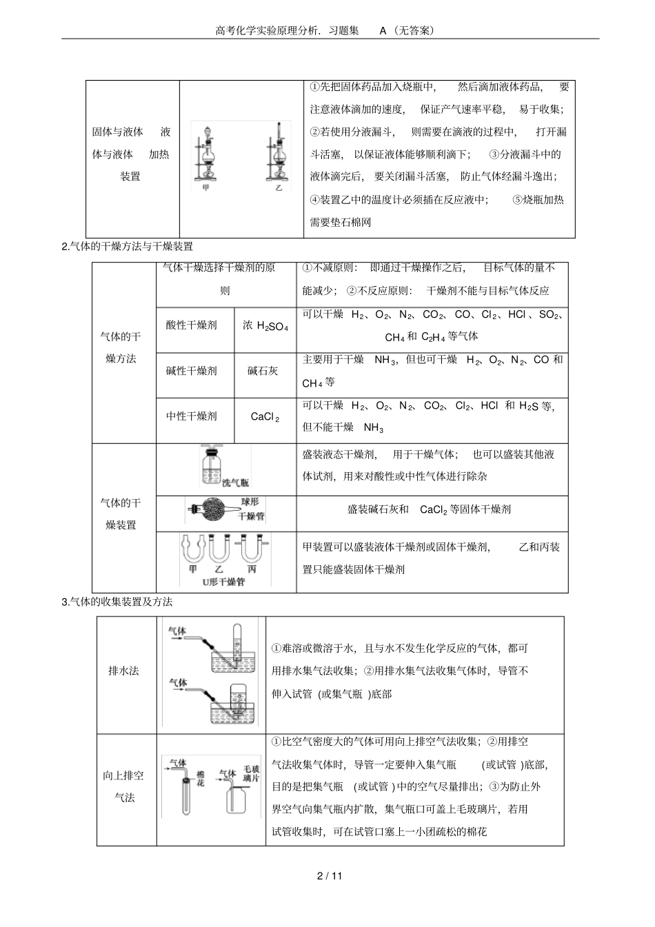
高考化学试验原理分析习题集A无答案_第2页
2/11
高考化学试验原理分析习题集A无答案_第3页
3/11
高考化学实验原理分析.习题集A(无答案)1/11实验原理分析习题集A一、实验探究题解题思路其中比较典型的有物质性质探究型、组成成分探究型、物质制备和应用探究型等,该类试题一般以实验装置图的形式给出实验的流程,其实验流程与考查内容一般为实验探究题的解题基本程序(1)发现问题——实验的目的(2)假设猜想——实验的计划(3)查阅资料——探究的钥匙(4)设计实验——针对猜想和实验目的,去设计实验(5)实验操作观察与记录(6)实验分析——分析实验现象,推测结论(7)知识拓展二、气体实验的注意事项1.气体制备装置的选择及注意事项装置选择注意事项固体与固体加热装置①试管口应稍向下倾斜,防止产生的水蒸气在试管口冷凝后倒流而引起试管炸裂;②铁夹应夹在距试管口约13处;③胶塞中的导管伸入试管里面不能太长,否则会阻碍气体的导出固体与液体不加热装置①块状固体与液体在常温下反应制备气体时可用启普发生器,如图甲,当制取气体的量不多时,也可采用简易装置,如图乙;②装置乙、丁、戊、己中长颈漏斗的下端应伸入液面以下,否则起不到液封的作用;③加入的液体反应物(如酸)要适当;④粉末状固体与液体反应或产物为糊状物时常采用装置丙高考化学实验原理分析.习题集A(无答案)2/11固体与液体液体与液体加热装置①先把固体药品加入烧瓶中,然后滴加液体药品,要注意液体滴加的速度,保证产气速率平稳,易于收集;②若使用分液漏斗,则需要在滴液的过程中,打开漏斗活塞,以保证液体能够顺利滴下;③分液漏斗中的液体滴完后,要关闭漏斗活塞,防止气体经漏斗逸出;④装置乙中的温度计必须插在反应液中;⑤烧瓶加热需要垫石棉网2.气体的干燥方法与干燥装置气体的干燥方法气体干燥选择干燥剂的原则①不减原则:即通过干燥操作之后,目标气体的量不能减少;②不反应原则:干燥剂不能与目标气体反应酸性干燥剂浓H2SO4可以干燥H2、O2、N2、CO2、CO、Cl2、HCl、SO2、CH4和C2H4等气体碱性干燥剂碱石灰主要用于干燥NH3,但也可干燥H2、O2、N2、CO和CH4等中性干燥剂CaCl2可以干燥H2、O2、N2、CO2、Cl2、HCl和H2S等,但不能干燥NH3气体的干燥装置盛装液态干燥剂,用于干燥气体;也可以盛装其他液体试剂,用来对酸性或中性气体进行除杂盛装碱石灰和CaCl2等固体干燥剂甲装置可以盛装液体干燥剂或固体干燥剂,乙和丙装置只能盛装固体干燥剂3.气体的收集装置及方法排水法①难溶或微溶于水,且与水不发生化学反应的气体,都可用排水集气法收集;②用排水集气法收集气体时,导管不伸入试管(或集气瓶)底部向上排空气法①比空气密度大的气体可用向上排空气法收集;②用排空气法收集气体时,导管一定要伸入集气瓶(或试管)底部,目的是把集气瓶(或试管)中的空气尽量排出;③为防止外界空气向集气瓶内扩散,集气瓶口可盖上毛玻璃片,若用试管收集时,可在试管口塞上一小团疏松的棉花高考化学实验原理分析.习题集A(无答案)3/11向下排空气法比空气密度小的气体可用向下排空气法收集,如H2、NH3和CH4等气体排特殊溶液法①氯气可用排饱和食盐水的方法收集;②二氧化碳可用排饱和碳酸氢钠溶液的方法收集4.常见尾气处理装置及方法处理方法液体吸收法点燃法收集法处理装置适用气体装置A适用于吸收溶解度小的气体,如Cl2、CO2等;装置B、C可吸收溶解度大的气体,如HCl、HBr、NH3等CH4、CH2===CH2、H2、CO等CO、NH3、H2S等【练1】下图所示装置有多种用途,利用其进行相关实验。(1)检查装置气密性:关闭止水夹,从a处通入空气,观察到________________________,说明装置气密性良好。(2)除杂:打开止水夹,从a处缓慢通入O2和CO2的混合气,瓶中液体无明显变化,在c处得到较纯的O2。瓶中盛放的试剂是____________。(3)获得稳定气流:打开止水夹,从a处通入不稳定的氧气流,在c处获得较为稳定的气流,此时观察到的现象是_______________________________________________。(4)防止爆炸:气囊中有遇明火能爆炸的H2和O2混合气。将气囊与a处相连,在c处连接尖嘴管,打开止水夹,通入混合气,在尖嘴处点燃气体,没有爆炸,原因是:①集气瓶中的水能降温和阻断燃烧;②___________________...

1、当您付费下载文档后,您只拥有了使用权限,并不意味着购买了版权,文档只能用于自身使用,不得用于其他商业用途(如 [转卖]进行直接盈利或[编辑后售卖]进行间接盈利)。
2、本站所有内容均由合作方或网友上传,本站不对文档的完整性、权威性及其观点立场正确性做任何保证或承诺!文档内容仅供研究参考,付费前请自行鉴别。
3、如文档内容存在违规,或者侵犯商业秘密、侵犯著作权等,请点击“违规举报”。

碎片内容

高考化学试验原理分析习题集A无答案

您可能关注的文档

确认删除?
VIP
微信客服
  • 扫码咨询
会员Q群
  • 会员专属群点击这里加入QQ群
客服邮箱
回到顶部