电脑桌面
添加小米粒文库到电脑桌面
安装后可以在桌面快捷访问

标准工时评定方法VIP免费

标准工时评定方法_第1页
1/6
标准工时评定方法_第2页
2/6
标准工时评定方法_第3页
3/6
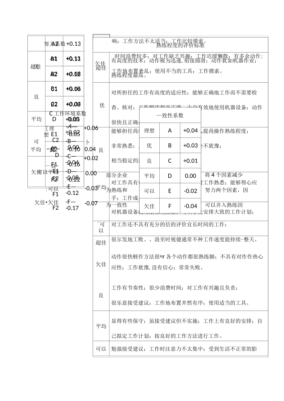
标准工时评定方法标准工时是指在标准工作环境下,进行一道加工所需的人工时间。标准工时二观测时间X评定系数x(1+宽放率)观测时间将每道工序的工作分成若干个工作单元,分别进行计时。注:重点强调:测时前操作方法应已标准化。操作方法不同,所消耗的时间也不同。若操作方法尚未标准化,操作单元的划分及其时间研究将毫无意义。划分单元时应注意:1、每一个单元应有明确且易辨识的起点和终点。在工作循环中,一个操作单元中止另一个操作单元开始的瞬间,称为分解点或定时点。2、人工操作单元与机器单元应分开,时间研究主要是测定人工单元。3、不变单元和可变单元应分开,不变单元是指在各种情况下,其操作时间基本相等的单元,如焊接操作中的手拿焊枪为不变单元。可变单元是指因加工对象尺寸、大小、重量的不同而变化的单元。在焊接操作中的焊缝所需时间是随焊缝的长短而变化的,故为可变单元。4、物料搬运时间应与其他单元时间分开。因为搬运时间受工作场所布置的影响很大,分离出来便于单独研究。测时方法:(1)归零测时法,即在每一个操作单元终了时,使指针回零的方法。现场记录时,因为要归零,所以费时,且易漏记。(2)累计测时法,即每次按停显示当时时间,再按则显示累计走时。(3)连续测时法,在整个过程中,秒表不停的连续走动,直到整个研究结束为止,观测者将每个操作单元的终点时间读出,记录在表格内。研究结束后,将相邻两个操作单元的终点时间相减,即得出操作单元实际的持续时间。优点是现场记录时,因秒表开动后不再归零,任其连续走动至各单元末记录时间,比较方便,且一直连续计时,能保证所有时间均可记录无遗漏。缺点是各单元的持续时间必须通过减法求得,处理数据的工作量较大。评定系数评比时需要将操作者的速度和理想速度作精确的比较,所以必须有具体的数字来表示其快慢,为了达到这个目的,就必须有一个评比的尺度。评比方法:1、速度评定法,是比较简单的评定方法,它完全根据观测者关于理想速度概念评定工人的工作速度,即将工人工作速度与观测者脑海中已有的标准水平概念进行比较。此方法简单,但受时间研究人员的主观影响较大,必须肯定观测人员对该项作业有完整的知识和了解,并接受过速度评定训练,否则得到的评定数据可能不准确。2、平准化法,为应用最广泛的方法。此方法将熟练程度(指对某一既定工作方法掌握程度的反映)、努力程度(指操作者工作时对提高效率在主观意志上的表现)、工作环境(指操作者周围的温度、湿度、通风、照明、噪声等)和一致性(指操作者在不同周期中完成同一作业或动作要素所需时间是否一致。)4个因素作为衡量工作的主要评定因素。评定系数=1+熟练系数+努力系数+工作环境系数+一致性系数熟练系数超佳A1+0.15A2+0.13优B1+0.11B2+0.08良C1+0.06C2+0.03平均D0.00可E1-0.05E2-0.10欠佳F1-0.16F2-0.22熟练程度的评价标准超佳有高度的技术;动作极为迅速,衔接圆滑;动作犹如机器作业;熟练程度最高。优对所担任的工作有高度的适应性;能够正确地工作而不需要检杳、核对;工作顺序相当正确;十分有效地使用机器设备;动作很快且正确;动作有节奏性。良能够担任咼精度的工作;可以指导他人提咼操作熟练程度;非常熟悉;几乎不需要接受指导;完全不犹豫;相当稳定的速度工作;动作相当迅速。平均对工作具有信心;工作速度稍缓慢;对工作熟悉;能够得心应手;工作成果良好。对机器设备的用法相当熟悉;可以事先安排大致的工作计划;^可以对工作还不具有充分的信的评价宜长时间的工作;超佳很尔发地工败、、浪至时视健通常不种工作速度能持续-整天。欠佳动作很快軽作方法很®r各个动作都很熟练脚;不具有对作作热心应性;工作犹豫,没有信心;常常失败。良工作有节奏性;很少浪费时间;对工作有兴趣且负责;很乐意接受建议;工作地布置井然有序;使用适当的工具。平均显得有些保守;虽接受建议但不实施;工作上有良好的安排;自己拟定工作计划;按良好的工作方法进行工作。可以勉强接受建议;工作时注意力不太集中;受到生活不正常的影超佳平均努力系数A1A2B1B2+0.13+0.12+0.10+0.08C工作环境系数[理想C2-优-D--良-E1可以平...

1、当您付费下载文档后,您只拥有了使用权限,并不意味着购买了版权,文档只能用于自身使用,不得用于其他商业用途(如 [转卖]进行直接盈利或[编辑后售卖]进行间接盈利)。
2、本站所有内容均由合作方或网友上传,本站不对文档的完整性、权威性及其观点立场正确性做任何保证或承诺!文档内容仅供研究参考,付费前请自行鉴别。
3、如文档内容存在违规,或者侵犯商业秘密、侵犯著作权等,请点击“违规举报”。

碎片内容

标准工时评定方法

确认删除?
VIP
微信客服
  • 扫码咨询
会员Q群
  • 会员专属群点击这里加入QQ群
客服邮箱
回到顶部