电脑桌面
添加小米粒文库到电脑桌面
安装后可以在桌面快捷访问

完整预制箱梁资料汇总表格VIP专享VIP免费

完整预制箱梁资料汇总表格_第1页
1/31
完整预制箱梁资料汇总表格_第2页
2/31
完整预制箱梁资料汇总表格_第3页
3/31
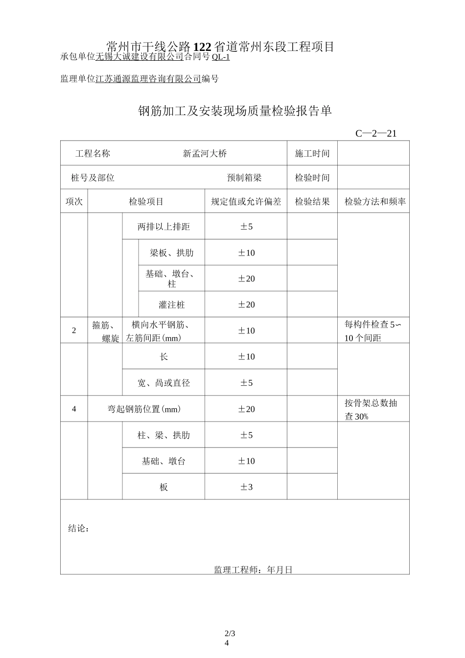
常州市干线公路122省道常州东段工程项目1/34承包单位无锡大诚建设有限公司合同号0L-1监理单位江苏通源监理咨询有限公司编号中间检验申请单A—10致(总监理工程师)单文华先生:下列作业内容已按合同要求完成,请予检验。工程项目:新孟河大桥桩号或位置:预制箱梁检验项目地点及桩号检验内容要求到现场检验时间备注钢筋加工及安装受力钢筋间距箍筋间距钢筋骨架尺寸等附件:技术负责人:承包人:日期:现场监理意见:道路/结构工程师意见试验工程师意见测量工程师意见签字:年月日签字:年月日签字:年月日以上工作内容按合同要求检验合格/不合格,可以/不可以继续进行。总监理工程师:年月日本表一式二份,总监办、承包人各一份常州市干线公路122省道常州东段工程项目2/34承包单位无锡大诚建设有限公司合同号QL-1监理单位江苏通源监理咨询有限公司编号钢筋加工及安装现场质量检验报告单C—2—21工程名称新孟河大桥施工时间桩号及部位预制箱梁检验时间项次检验项目规定值或允许偏差检验结果检验方法和频率两排以上排距±5梁板、拱肋±10基础、墩台、柱±20灌注桩±202箍筋、螺旋横向水平钢筋、左筋间距(mm)±10每构件检查5〜10个间距长±10宽、咼或直径±54弯起钢筋位置(mm)±20按骨架总数抽查30%柱、梁、拱肋±5基础、墩台±10板±3结论:监理工程师:年月日常州市干线公路122省道常州东段工程项目年月日承包人:3/34承包单位无锡大诚建设有限公司监理单位江苏通源监理咨询有限公司常州市干线公路122省道常州东段工程项目年月日承包人:4/34分合同号QL-1编号:常州市干线公路122省道常州东段工程项目年月日承包人:5/34承包单位无锡大诚建设有限公司监理单位江苏通源监理咨询有限公司C—1—33分项工程名称:预制箱梁底腹板结构层次:钢筋加工及安装检测日期:单位检测点记录值外观检查记录1234567891011/////////////////////Z/////////////监理工程师:年月日分合同号QL-1编号:常州市干线公路122省道常州东段工程项目年月日承包人:6/34承包单位无锡大诚建设有限公司监理单位江苏通源监理咨询有限公司C—1—33分项工程名称:预制箱梁底腹板结构层次:钢筋加工及安装检测日期:单位检测点记录值外观检查记录1234567891011///////////////////////Z/////////监理工程师:年月日分合同号QL-1编号:常州市干线公路122省道常州东段工程项目年月日承包人:7/34承包单位无锡大诚建设有限公司监理单位江苏通源监理咨询有限公司C—1—33分项工程名称:预制箱梁底腹板结构层次:钢筋加工及安装检测日期:单位检测点记录值外观检查记录1234567891011////////////////////////////////////监理工程师:年月日分合同号QL-1编号:常州市干线公路122省道常州东段工程项目年月日承包人:8/34承包单位无锡大诚建设有限公司监理单位江苏通源监理咨询有限公司C—1—33分项工程名称:预制箱梁底腹板结构层次:钢筋加工及安装检测日期:单位检测点记录值外观检查记录1234567891011///////监理工程师:年月日常州市干线公路122省道常州东段工程项目年月日承包人:9/34分合同号QL-1编号:承包单位无锡大诚建设有限公司监理单位江苏通源监理咨询有限公司C—1—33分项工程名称:预制箱梁顶板结构层次:钢筋加工及安装检测日期:单位检测点记录值外观检查记录1234567891011////////////监理工程师:年月日常州市干线公路122省道常州东段工程项目年月日分承包人:10/34合同号QL-1编号:承包单位无锡大诚建设有限公司监理单位江苏通源监理咨询有限公司C—1—33分项工程名称:预制箱梁顶板结构层次:钢筋加工及安装检测日期:单位检测点记录值外观检查记录1234567891011////////Z//////Z/////监理工程师:年月日常州市干线公路122省道常州东段工程项目年月日承包人:11/34分合同号QL-1编号:承包单位无锡大诚建设有限公司监理单位江苏通源监理咨询有限公司C—1—33分项工程名称:预制箱梁顶板结构层次:钢筋加工及安装检测日期:单位检测点记录值外观检查记录1234567891011////////////监理工程师:年月日常州市干线公路122省道常州东段工程项目承包单位无锡大诚建设有限公司合同号QL-1监理单位江苏通源监理咨...

1、当您付费下载文档后,您只拥有了使用权限,并不意味着购买了版权,文档只能用于自身使用,不得用于其他商业用途(如 [转卖]进行直接盈利或[编辑后售卖]进行间接盈利)。
2、本站所有内容均由合作方或网友上传,本站不对文档的完整性、权威性及其观点立场正确性做任何保证或承诺!文档内容仅供研究参考,付费前请自行鉴别。
3、如文档内容存在违规,或者侵犯商业秘密、侵犯著作权等,请点击“违规举报”。

碎片内容

完整预制箱梁资料汇总表格

确认删除?
VIP
微信客服
  • 扫码咨询
会员Q群
  • 会员专属群点击这里加入QQ群
客服邮箱
回到顶部