电脑桌面
添加小米粒文库到电脑桌面
安装后可以在桌面快捷访问

东沟隧道18米仰拱栈桥设计方案VIP免费

东沟隧道18米仰拱栈桥设计方案_第1页
1/7
东沟隧道18米仰拱栈桥设计方案_第2页
2/7
东沟隧道18米仰拱栈桥设计方案_第3页
3/7
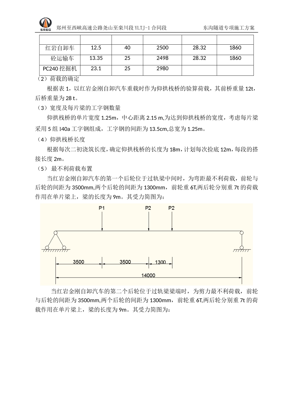
郑州至西峡高速公路尧山至栾川段YLTJ-1标东沟隧道仰拱栈桥设计方案与计算书编制:审核:审批:四川公路桥梁建设有限公司郑西高速尧栾段YLTJ-1项目经理部二0一七年五月郑州至西峡高速公路尧山至栾川段YLTJ-1合同段东沟隧道专项施工方案东沟隧道仰拱栈桥设计方案与验算书一、工程概况1、东沟隧道在位于柳树沟村东沟组附近,为左右分离式隧道。左洞起讫桩号:ZK4+306~K5+937;右洞起讫桩号:K4+319~K5+955。详细情况见下表2、东沟隧道地属伏牛山系,海拔高程320-450m,山势陡峭,河沟纵横,进口交通条件较差,出口交通条件较好,小里程至大里程为2.2%上坡。3、东沟隧道设计为双向四车道隧道,采用的主要技术标准如下:(1)道路等级:山岭区高速公路;(2)设计行车速度:100Km/h;(3)地震:隧址区内地震动峰值加速度为0.05g,地震基本烈度Ⅵ度。(4)隧道建筑限界:隧道净宽:0.75+0.75+2×3.75+1+1=11m;隧道净高:5m。4、该段隧道地质条件较复杂,受断层破碎带影响,隧道中可能出现涌水、突泥、塌方、滑坡等危险。隧道围岩等级主要为Ⅲ、Ⅳ、Ⅴ级,初期支护为网喷混凝土、锚杆、型钢钢架组成,Ⅳ、Ⅴ级围岩地段型钢钢架、墙、仰拱全环安设,每0.6~1m一榀。二次衬砌采用C30防水混凝土,防水等级为P8。二、仰拱栈桥设计方案东沟隧道洞口、浅埋段及Ⅴ级围岩段采用环形开挖预留核心土法施工,Ⅳ级围岩采用上下台阶法施工,Ⅲ级围岩采用全断面开挖施工。出渣采用无轨运输,仰拱超前衬砌,二衬施工采用一次全幅灌注方式,一次灌注长度12m,距开挖掌子面40~100m。为解决仰拱施工与开挖运输作业面的干扰,采用仰拱栈桥来保证仰拱施工时运输道路的通畅。1、仰拱栈桥设计(1)行走车辆的情况在衬砌前,通过仰拱栈桥的主要施工机械、车辆为ZL50装载机、红岩金刚自卸汽车、砼运输车,小松PC240挖掘机等,其自重、宽度等基本参数见表1。表1主要施工机械车辆状况设备名称空载重量(t)重载重量(t)行走宽度(mm)轮胎宽度(cm)轮距净宽(mm)ZL50装载机16.3621.36278059.692160工程名称里程长度(m)围岩级别(m)Ⅲ级Ⅳ级Ⅴ级明洞东沟隧道左洞ZK4+306~K5+9371631387/23%538/33%671/41%35右洞K4+319~K5+9551636230/14%700/42%669/41%37郑州至西峡高速公路尧山至栾川段YLTJ-1合同段东沟隧道专项施工方案红岩自卸车12.540250028.321860砼运输车13.3525249828.321860PC240挖掘机23.1252980(2)荷载的确定根据表1,以红岩金刚自卸汽车重载时作为仰拱栈桥的验算荷载,其前桥重量12t,后桥重量为28t。(3)宽度及每片梁的工字钢数量仰拱栈桥的单片宽度1.25m,中心距离2.15m,为达到仰拱栈桥的宽度,考虑每片梁采用5组I40a工字钢组成,工字钢的间距为13.5cm,总宽为1.25m。(4)仰拱栈桥长度根据每次二初浇筑长度,确定仰拱栈桥的长度为18m,计划每次捡底12m,每段的搭接长度2m。(5)最不利荷载布置当红岩金刚自卸汽车的第一个后轮位于过轨梁中间时,为弯距最不利荷载,前轮与后轮的间距为3500mm,两个后轮的间距为1300mm,前轮重6T,两后轮分别重7t的荷载作用在单片梁上,梁的长度为9m。其受力简图为:当红岩金刚自卸汽车的第二个后轮位于过轨梁梁端时,为剪力最不利荷载,前轮与后轮的间距为3500mm,两个后轮的间距为1300mm,前轮重6T,两后轮分别重7t的荷载作用在单片梁上,梁的长度为9m。其受力简图为:郑州至西峡高速公路尧山至栾川段YLTJ-1合同段东沟隧道专项施工方案2、受力验算(1)单片梁的最大弯矩单片梁由5根I40a工字钢拼成,由5根工字钢共同承受汽车荷载,则:P1=6000x9.8=58.8KNP2=7000x9.8=68.6KN查《公路桥涵计算手册》I40a工字钢,其每延米重量为67.6kg/m,即q=0.662KN/m,由工字钢自重产生的弯距示意图为:由汽车荷载产生的弯矩包络图为:可以看出由由工字钢自重产生的最大弯矩为:M重=ql2/8=0.662×142/8=16.22KN.m汽车荷载产生的跨中最大弯矩为:郑州至西峡高速公路尧山至栾川段YLTJ-1合同段东沟隧道专项施工方案M汽=538.51KN.m单片梁跨中最大弯矩为:Mmax=M重+M汽=16.22+538.51=554.73KN.m(2)单片梁的最大剪力由工字钢自重产生的剪力为:Q重=ql/2=0.662×14/2=4.634KN由汽车荷载产生的...

1、当您付费下载文档后,您只拥有了使用权限,并不意味着购买了版权,文档只能用于自身使用,不得用于其他商业用途(如 [转卖]进行直接盈利或[编辑后售卖]进行间接盈利)。
2、本站所有内容均由合作方或网友上传,本站不对文档的完整性、权威性及其观点立场正确性做任何保证或承诺!文档内容仅供研究参考,付费前请自行鉴别。
3、如文档内容存在违规,或者侵犯商业秘密、侵犯著作权等,请点击“违规举报”。

碎片内容

东沟隧道18米仰拱栈桥设计方案

您可能关注的文档

确认删除?
VIP
微信客服
  • 扫码咨询
会员Q群
  • 会员专属群点击这里加入QQ群
客服邮箱
回到顶部