电脑桌面
添加小米粒文库到电脑桌面
安装后可以在桌面快捷访问

中考物理复习 探究简单电路 探究欧姆定律 沪粤版试卷VIP免费

中考物理复习 探究简单电路 探究欧姆定律 沪粤版试卷_第1页
1/10
中考物理复习 探究简单电路 探究欧姆定律 沪粤版试卷_第2页
2/10
中考物理复习 探究简单电路 探究欧姆定律 沪粤版试卷_第3页
3/10
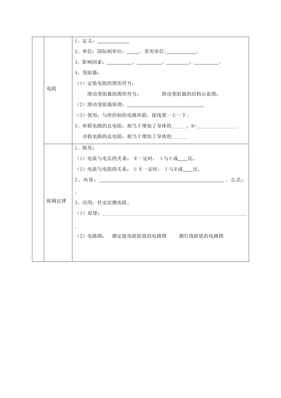
中考物理复习探究简单电路探究欧姆定律沪粤版摩擦起电1、摩擦起电定义:________________________________________________2、摩擦起电原因:________________________________________________3、摩擦起电实质:________________________________________________4、正电荷的规定:________________________________________________实质:________________________________________________5、负电荷的规定:_________________________________________________实质:__________________________________________________6、电荷间的相互作用规律:__________________________________________7、验电器的作用:__________________________原理:______________________简单电路电路的组成和连接方式1、电路的组成:。2、电路的三种状态:_________、__________、___________。3、连接方式:____和____。电流1、形成_____________________,方向的规定:_________________2、获得持续电流的条件:______________________、_____________________3、单位:国际制单位:,常用单位:。4、串并联电路中电流的规律:(1)串联电路中各处电流。(2)并联电路干路电流等于_________________之和。电压1、电源是给用电器两端提供______的装置,也是提供_______的装置。2、电源中能的转化是:___________________________________________3单位:国际制单位:,常用单位:。4、串并联电路中电压的规律:(1)串联电路中电源电压等于________________。(2)并联电路各支路电压____________。电阻1、定义:2、单位:国际制单位:,常用单位:。3、影响因素:、、、。4、变阻器:(1)定值电阻的图形符号:滑动变阻器的图形符号:滑动变阻器的结构示意图:(2)滑动变阻器原理:(3)使用:与所控制的电路串联,接线要一上一下。5、串联电路的总电阻:相当于增加了导体的______,R=_________________并联电路的总电阻:相当于增加了导体的______欧姆定律1、探究:(1)电流与电压的关系:R一定时,I与U成比。(2)电流与电阻的关系:UR一定时,I与R成比。2、内容:。公式:。3、应用:伏安法测电阻。(1)原理:___________________________________________________________(2)电路图:测定值电阻阻值的电路图测灯泡阻值的电路图一、选择题1、用塑料梳子梳头时会因为摩擦而起电,经检验塑料梳子所带的电荷为负电荷,则梳头时()A.塑料梳子失去一些电子B.塑料梳子得到一些电子C.头发得到一些电子D.头发和梳子间没有电子转移2、三个带电或不带电小球甲、乙、丙,已知甲跟乙相排斥,乙和丙相吸引,如果乙带正电,则()A.甲一定带负电B.丙一定带负电C.丙可能不带电D.甲可能不带电3、如图用一个带负电的物体a去接触不带电的验电器的金属球b时,金属球b也带上负电,则()A.a上的一些电子转移到b上,瞬时电流方向b→aB.b上的一些电子转移到a上,瞬时电流方向a→bC.b上的一些正电荷转移到a上,瞬时电流方向b→aD.a上的一些正电荷转移到b上,瞬时电流方向a→b4、如图4所示的电路中,下列说法正确的是A.当S2断开,S1、S3闭合时,R1和R2并联B.当S2闭合,S1、S3断开时,R1和R2并联C.当S1断开,S2、S3闭合时,R1和R2串联D.当S1、S2、S3均闭合时,R1和R2串联5、为保证司乘人员的安全,轿车上设有安全带未系提示系统。当乘客坐在座椅上时,座椅下的开关S1闭合,若未系安全带(安全带控制开关S2断开)仪表盘上的指示灯将亮起,当系上安全带时,安全带控制开关S2闭合,指示灯熄灭。下列电路图设计最合理的是6、如图9所示,L1和L2是两只相同的小灯泡,a、b是电流表或电压表。闭合开关S后,若两灯都能发光,则S1S2指示灯S1S2指示灯S1S2指示灯S1S2指示灯ABCDA.a、b均为电流表B.a、b均为电压表C.a为电流表,b为电压表D.a为电压表,b为电流表7、如图1所示,当闭合开关S后看到灯L1发光,灯L2不发光,则可能的原因是A.灯L1断路B.灯L1短路C.灯L2断路D.灯L2短路8、在测量小灯泡电阻的实验中,小明按图6所示的电路图连接好电路后,闭合开关,发现:灯不亮,电流表没有示数,电压表有示数。电路...

1、当您付费下载文档后,您只拥有了使用权限,并不意味着购买了版权,文档只能用于自身使用,不得用于其他商业用途(如 [转卖]进行直接盈利或[编辑后售卖]进行间接盈利)。
2、本站所有内容均由合作方或网友上传,本站不对文档的完整性、权威性及其观点立场正确性做任何保证或承诺!文档内容仅供研究参考,付费前请自行鉴别。
3、如文档内容存在违规,或者侵犯商业秘密、侵犯著作权等,请点击“违规举报”。

碎片内容

中考物理复习 探究简单电路 探究欧姆定律 沪粤版试卷

雨丝书吧+ 关注
实名认证
内容提供者

乐于和他人分享知识,从事历史教学,热爱教育,高度负责。

相关文档

确认删除?
VIP
微信客服
  • 扫码咨询
会员Q群
  • 会员专属群点击这里加入QQ群
客服邮箱
回到顶部