电脑桌面
添加小米粒文库到电脑桌面
安装后可以在桌面快捷访问

九年级物理上册 电路初探单元测试 苏科版试卷VIP免费

九年级物理上册 电路初探单元测试 苏科版试卷_第1页
1/4
九年级物理上册 电路初探单元测试 苏科版试卷_第2页
2/4
九年级物理上册 电路初探单元测试 苏科版试卷_第3页
3/4
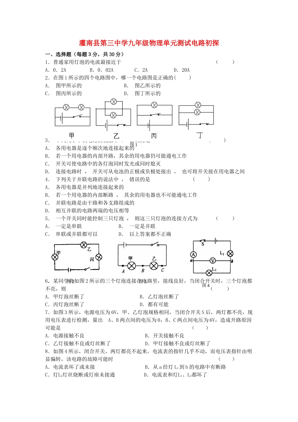
灌南县第三中学九年级物理单元测试电路初探一、选择题(每题3分,共30分)1.普通家用灯泡的电流最接近于()A.0.2AB.0.02AC.2AD.20A2.在图1所示的四个电路图中,哪一个电路图是正确的()A.图甲所示的B.图乙所示的C.图丙所示的D.图丁所示的3.下列关于串联电路的说法中,错误的是()A.各用电器是逐个顺次地连接起来的B.若一个用电器的内部开路,其余的用电器仍可能通电工作C.开关可使电路中的各灯泡同时发光或同时熄灭D.连接电路时,开关可从电池的正极或负极处接出,也可将开关接在用电器之间4.下列关于并联电路的说法中,错误的是()A.各用电器是并列地连接起来的B.若一个用电器的内部断路,其余的用电器也不可能通电工作C.并联电路是由干路和各支路组成的D.相互并联的电路两端的电压相等5.一个开关同时能控制三只灯泡,则这三只灯泡的连接方式为()A.一定是串联B.一定是并联C.串联或并联都可以D.以上答案都不正确6.某同学将如图2所示的三个灯泡连接在电路里,接线良好,当闭合开关时,三个灯泡都不亮,则()A.甲灯泡丝断了B.乙灯泡丝断了C.丙灯泡丝断了D.都有可能7.如图3所示,电源电压为6V,甲、乙灯泡规格相同,当闭合开关S后,两灯都不亮,现用电压表进行检测,量出A、B两点间的电压为0,B、C两点间电压为6V,造成开路原因可能是()A.电源接触不良B.开关接触不良C.乙灯接触不良或灯丝断了D.甲灯接触不良或灯丝断了8.如图4所示,闭合开关,两灯都亮不起来,电流表的指针几乎不动,而电压表指针由明显偏转,该电路的故障可能时()A.电流表坏了或未接B.从a经灯L1到b的电路中有断路C.灯L2灯丝烧断或灯座未接通D.电流表和灯L1、L2都坏了图2图3图4图19.某小组在探究活动中,通过实践列出了白炽灯常见故障产生的原因与检修方法,下表给出了他们研究结果的一部分:故障现象可能原因检修方法灯泡不亮1.灯泡的灯丝断了2.灯头内的电线断了3.灯头、开关等处的接线松动,造成接触不良换新灯泡换新线并接好检查加固对于"灯泡不亮"的故障,从电路的状态来看,其可能原因可以概括成下列哪一类原因()A.电路出现了短路B.电路出现了断路C.并联变成了串联D.电源正负极接反10.如图5所示电路,以下说法正确的是()A.只接通S2灯亮,电铃响B.只接通S1灯亮,电铃响C.只断开S3灯亮,电铃响D.只断开S1灯亮,电铃响二、填空题(每空1.5分,共36分)11.路灯总是一起亮,一起暗,它们的连接方式是,原因是12.电子手表中的电流约为1.5×10-6A,合mA,合μA.13.某电池组是由三节干电池串联成的,那么电池组的总电压为14.在图6所示电路中,只闭合S1时,电灯亮;当S1、S2都断开时,电灯亮,它们是连接的;当S1、S2都闭合时,电灯亮,它们是连接的.15.如图7所示,在电路中,若甲乙两处分别装入电表,当开关闭合后,两灯均能正常发光,则处电表示电压表.16.如图8所示,若开关S、S1闭合,S2断开,能发光的灯是,电压表所测的是两端的电压;若开关S、S2闭合,S1断开,那么能发光的灯是,电压表所测的是的两端电压;若开关S、S1、S2都闭合,那么能发光的是,电压表所测的是两端的电压.17.如图9所示,V1测量两端的电压;V2测量两端的电压;V3测量两端的电压,其中电压表V1、V2和V3的示数分别为U1、U2和U3,则三个电表示数之间存在的关系式是.18.如图10所示的电路里,在圆圈a,b,c上连接适当电表,使灯L1和L2并联且能发光,图6图7图5图8图9图10那么a应是____表;b是___表;c是___表.三、实验探究题(共24分)19.如图11所示,是一个不完整的电路,请在图中的A、B、C三处填入(或不填)适当的电路元件(选择电源、开关、电压表中的任意两种器材),使电路成为串联电路.(5分)20.某同学连接如图12所示电路,电池组的电压为6V,两个小灯泡的额定电压都是6V,开关S闭合后,灯L1亮,L2不亮,电压表和电流表都有示数.由此可以做出判断:灯L2处可能是,(填“断路”或“短路”).在原电路的基础上,只改动一处,就可以判断灯L2是否真的损坏,请简述你采用的方法:;并做出判断:.(5分)21.如图14所示,在桌面上有两个小灯泡和一个开关,它...

1、当您付费下载文档后,您只拥有了使用权限,并不意味着购买了版权,文档只能用于自身使用,不得用于其他商业用途(如 [转卖]进行直接盈利或[编辑后售卖]进行间接盈利)。
2、本站所有内容均由合作方或网友上传,本站不对文档的完整性、权威性及其观点立场正确性做任何保证或承诺!文档内容仅供研究参考,付费前请自行鉴别。
3、如文档内容存在违规,或者侵犯商业秘密、侵犯著作权等,请点击“违规举报”。

碎片内容

九年级物理上册 电路初探单元测试 苏科版试卷

雨丝书吧+ 关注
实名认证
内容提供者

乐于和他人分享知识,从事历史教学,热爱教育,高度负责。

相关文档

确认删除?
VIP
微信客服
  • 扫码咨询
会员Q群
  • 会员专属群点击这里加入QQ群
客服邮箱
回到顶部