电脑桌面
添加小米粒文库到电脑桌面
安装后可以在桌面快捷访问

场地设计相关规范的整理VIP免费

场地设计相关规范的整理_第1页
1/16
场地设计相关规范的整理_第2页
2/16
场地设计相关规范的整理_第3页
3/16
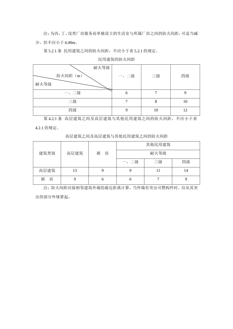
场地设计相关规范摘要道路红线对场地建筑的限制A.《民用建筑设计通则》(GB50352-2005)规定:4.2.1建筑物及附属设施不得突出道路红线和用地红线建造,不得突出的建筑突出物为:——地下建筑物及附属设施,包括结构挡土桩、档土墙、地下室、地下室底板及其基础、化粪池等;——地上建筑物及附属设施,包括门廊、连廊、阳台、室外楼梯、台阶、坡道、花池、围墙、平台、散水明沟、地下室进排风口、地下室出入口、集水井、采光井等;——除基地内连接城市的管线、隧道、天桥等市政公共设施外的其他设施。4.2.2经当地城市规划行政主管部门批准,允许突出道路红线的建筑突出物应符合下列规定:1在有人行道的路面上空:1)2.50m以上允许突出建筑构件:凸窗、窗扇、窗罩、空调机位,突出的深度不应大于0.50m;2)2.50m以上允许突出活动遮阳,突出宽度不应大于人行道宽度减1m,并不应大于3m;3)3m以上允许突出雨篷、挑檐,突出的深度不应大于2m;4)5m以上允许突出雨篷、挑檐,突出的深度不宜大于3m;2在无人行道的路面上空:4m以上允许突出建筑构件:窗罩,空调机位,突出深度不应大于0.50m。B.《全国民用建筑工程设计技术措施规划·建筑2003》规定:2.2.2临街建筑物的台阶、平台、楼梯、窗井、地下建筑、建筑基础、围墙、工程地下管线及其他构筑物不允许突出道路红线。2.2.3地下建筑物距离用地红线应不小于地下建筑物深度(自室外地坪至地下建筑物底板)的0.7倍,不得小于5m。消防间距控制《建筑设计防火规范》(GBJ16-87)(2001年版)规定:第3.3.8条甲、乙类厂房与民用建筑之间的防火间距,不应小于25m,距重要的公共建筑不宜小于50m。注:为丙、丁、戊类厂房服务而单独设立的生活室与所属厂房之间的防火间距,可适当减少,但不应小于6.00m。第5.2.1条民用建筑之间的防火间距,不应小于表5.2.1的规定。民用建筑的防火间距耐火等级防火间距(m)耐火等级一、二级三级四级一、二级679三级7810四级91012第4.2.1条高层建筑之间及高层建筑与其他民用建筑之间的防火间距,不应小于表4.2.1的规定。高层建筑之间及高层建筑与其他民用建筑之间的防火间距建筑类别高层建筑裙房其他民用建筑耐火等级一、二级三级四级高层建筑13991114裙房96679注:防火间距应接相邻建筑外墙的最近距离计算,当外墙有突出可燃构件时,应从其突出的部分外缘算起。第4.2.1条两座高层建筑或高层建筑与不低于二级耐米等级的单层、多层民用建筑相邻,当较高一面外墙为防火墙比相邻较低一座建筑屋面高15.00m及以下范围内的墙为不开设门、窗洞口的防火墙时,其防火间距可不限。《汽车库、修车库、停车场设计防火规范》(GB50067-97)规定:汽车库、修车库、停车场的防火间距防火间距(m)名称汽车库、修车库停车场一、二级三级汽车库、修车库、厂房、库房、民用建筑耐火等级一、二级10126三级12148四级141610道路与建筑物的间距《城市居民区规划设计规范》(GB50180-93)(2002年版)规定:第8.0.5.8条居住区内道路边缘至建筑物、构筑物的最小距离,应符合表8.0.5.8规定;道路边缘至建、构筑物的最小距离(m)道路级别与建、构筑物关系居住区道路小区路组团路及宅间小路建筑物面向道路无出入口高层5.03.02.0多层3.03.02.0有出入口-5.02.5建筑物山墙面向道路高层4.02.01.5多层2.02.01.5围墙面向道路1.51.51.5挡土墙、护坡与建筑的最小间距《城市用地竖向规划规范》(CJJ83-99)规定:第5.0.3条挡土墙、护坡与建筑的最小间距应符合下列规定:1.居住区内的挡土墙与住宅建筑的间距应满足住宅日照和通风的要求;2.高度大于2m的挡土墙和护坡的上缘与建筑间水平距离不应小于3m,其下缘与建筑间的水平距离不应小于2m。古树名木《公园设计规范》(CJJ48-92)规定:第3.4.4条古树名木的保护必须符合下列规定:一、古树名木保护范围的划定必须符合下列要求:1.成林地带外缘树树冠垂直投影以外5.0m所围合的范围;2.单株树同时满足树冠垂直投影以及其侧5.0m宽和距树干基部外缘水平距离为胸径20倍以内;竖向设计《全国民用建筑工程设计技术措施规划·建筑2003》规定:3.2.2各种场地的设计坡度应符合表3.2.2的规定。各种场地的设计...

1、当您付费下载文档后,您只拥有了使用权限,并不意味着购买了版权,文档只能用于自身使用,不得用于其他商业用途(如 [转卖]进行直接盈利或[编辑后售卖]进行间接盈利)。
2、本站所有内容均由合作方或网友上传,本站不对文档的完整性、权威性及其观点立场正确性做任何保证或承诺!文档内容仅供研究参考,付费前请自行鉴别。
3、如文档内容存在违规,或者侵犯商业秘密、侵犯著作权等,请点击“违规举报”。

碎片内容

场地设计相关规范的整理

确认删除?
VIP
微信客服
  • 扫码咨询
会员Q群
  • 会员专属群点击这里加入QQ群
客服邮箱
回到顶部