电脑桌面
添加小米粒文库到电脑桌面
安装后可以在桌面快捷访问

中考物理第二轮复习 动态电路及电路故障分析专题试卷VIP免费

中考物理第二轮复习 动态电路及电路故障分析专题试卷_第1页
1/4
中考物理第二轮复习 动态电路及电路故障分析专题试卷_第2页
2/4
中考物理第二轮复习 动态电路及电路故障分析专题试卷_第3页
3/4
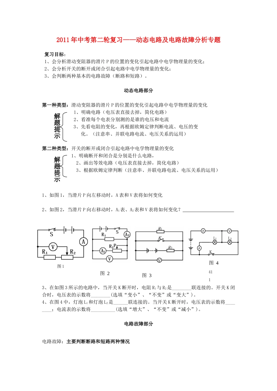
2011年中考第二轮复习——动态电路及电路故障分析专题复习目标:1、会分析滑动变阻器的滑片P的位置的变化引起电路中电学物理量的变化;2、会分析开关的断开或闭合引起电路中电学物理量的变化;3、会判断两种基本的电路故障(断路和短路)。动态电路部分第一种类型:滑动变阻器的滑片P的位置的变化引起电路中电学物理量的变化1、明确电路(电压表直接去掉,简化电路)2、看准每个电表分别测的是谁的电压和电流3、先看电阻的变化,再根据欧姆定律判断电流、电压的变化。(注意串、并联电路电流、电压关系的运用)第二种类型:开关的断开或闭合引起电路中电学物理量的变化1、明确断开和闭合是分别是什么电路,2、画出等效电路(电压表直接去掉,简化电路)3、根据欧姆定律判断(注意串、并联电路电流、电压关系的运用)随堂训练1、如图1,当滑片P向左移动时,A表和V表将如何变化2、如图2,当滑片P向右移动时,A1表、A2表和V表将如何变化?3、在如图3所示的电路中,当开关K断开时,电阻R1与R2是________联连接的。开关K闭合时,电压表的示数将________(选填“变小”、“不变”或“变大”)。4、在图4中,灯泡L1和灯泡L2是______联连接的。当开关K断开时,电压表的示数将________;电流表的示数将__________(选填“增大”、“不变”或“减小”)。电路故障部分电路故障:主要判断断路和短路两种情况图2书图1解题提示解题提示图411图3书图4书课堂训练1、在图5中,当开关K闭合后,两只小灯泡发光,电压表示数为4V。过了2min,电压表示数为0,经检查除小灯泡外其余器材的连接良好,请分析造成这种情况的原因可能有:_____________________。2、图6所示的电路中,电源电压为6伏。当开关K闭合时,只有一只灯泡发光,且电压表V的示数为6伏。产生这一现象的原因可能是()(A)灯L1短路。(B)灯L2短路。(C)灯L1断路。(D)灯L2断路。3、在图7所示的电路中,电源电压不变。闭合开关K后,灯L1、L2都发光,—段时间后,其中的一盏灯突然变亮,而电压表Vl的示数变小,电压表V2的示数变大,则产生这一现象的原因是()(A)灯L1断路。(B)灯Ll短路。(C)灯L2断路。(D)灯L2短路。4、在图8所示的电路中,电源电压不变。闭合开关K,电路正常工作。一段时间后,发现其中一个电压表示数变大,则()(A)灯L可能变亮。(B)灯L亮度可能不变。(C)电阻R可能断路。(D)电阻R可能短路。5、在如图9所示的电路中,电源电压不变。闭合开关K后,灯L1、L2都发光。一段时间后,其中一灯突然熄灭,而电流表、电压表的示数都不变,则产生这一现象的原因可能是()(A)灯L1短路。(B)灯L2短路。(C)灯L1断路。(D)灯L2断路。中考演练(课后作业)1、图1中,A、B、C、D是滑动变阻器的四个接线柱。若将A、C分别与图中电路的导线头M、N相连接,闭合开关后,当滑动片P向右移动时,电流表的示数将______(填“变大”、“不变”或“变小”);若将D与N相连接,接线柱______与M相连接,则闭合开关后,滑动片P向左移动时,电压表的示数增大。图6书图1图19图18电流表无示数断路电压表无示数电压表并联以外电路断路电压表示数为电源电压与电压表并联的电器断路电流表有示数(变大)短路电压表无示数电压表并联以外电路短路与电压表并联的电器短路电压表示数为电源电压图16图5书图7书图8书图9书2、在如图2所示的电路图中,当开关K闭合时()A.整个电路发生短路。B.电流表示数变小。C.电流表示数不变化。D.电流表示数变大。3、在图3所示的电路中,当开关K闭合时,灯L1、L2均不亮。某同学用一根导线去查找电路的故障。他将导线先并接在灯L1两端时发现灯L2亮,灯L1不亮,然后并接在灯L2两端时发现两灯均不亮。由此可以判断()(A)灯L1断路。(B)灯L1短路。(C)灯L2断路。(D)灯L2短路。4、如图4所示,电阻R1的阻值为20欧,R2为40欧,当开关K断开时,电流表A的示数为0.1A,则电源电压为______V。若开关K闭合时,电流表A的示数为______A。5、在图5所示的电路中,电源电压为6V。当开关K闭合时,只有一只灯泡发光,且电压表V的示数为6V。产生这一现象的原因可能是()(A)灯L1短路。(B)灯L2短路。(C)灯L1断路。(D)灯L2断路。6、如图6所示,当滑片P向右移动时()(A)电流表A示数...

1、当您付费下载文档后,您只拥有了使用权限,并不意味着购买了版权,文档只能用于自身使用,不得用于其他商业用途(如 [转卖]进行直接盈利或[编辑后售卖]进行间接盈利)。
2、本站所有内容均由合作方或网友上传,本站不对文档的完整性、权威性及其观点立场正确性做任何保证或承诺!文档内容仅供研究参考,付费前请自行鉴别。
3、如文档内容存在违规,或者侵犯商业秘密、侵犯著作权等,请点击“违规举报”。

碎片内容

中考物理第二轮复习 动态电路及电路故障分析专题试卷

雨丝书吧+ 关注
实名认证
内容提供者

乐于和他人分享知识,从事历史教学,热爱教育,高度负责。

相关文档

确认删除?
VIP
微信客服
  • 扫码咨询
会员Q群
  • 会员专属群点击这里加入QQ群
客服邮箱
回到顶部