电脑桌面
添加小米粒文库到电脑桌面
安装后可以在桌面快捷访问

九年级物理 实验探究及实践应用题训练 苏科版试卷VIP免费

九年级物理 实验探究及实践应用题训练 苏科版试卷_第1页
1/9
九年级物理 实验探究及实践应用题训练 苏科版试卷_第2页
2/9
九年级物理 实验探究及实践应用题训练 苏科版试卷_第3页
3/9
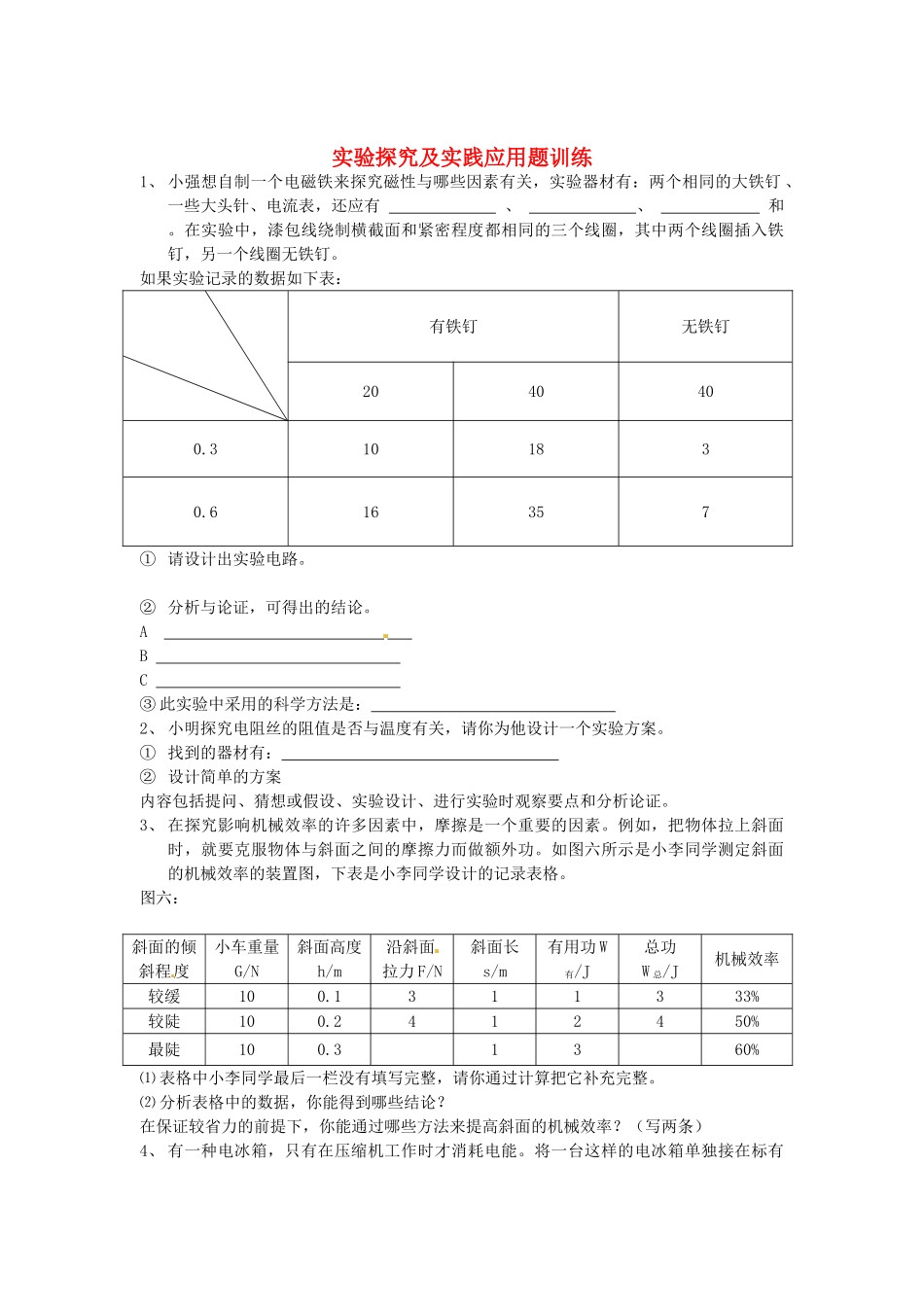
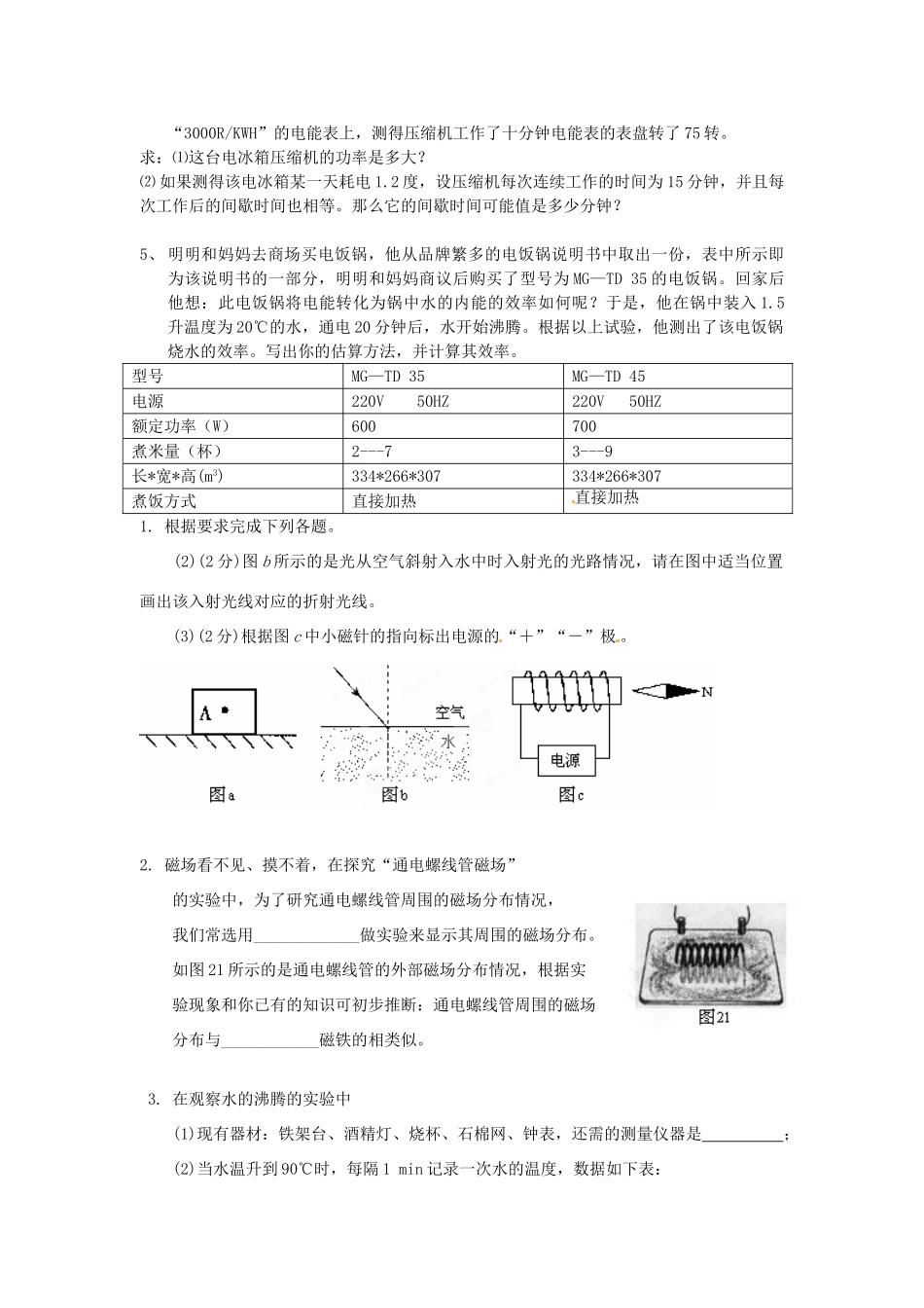
实验探究及实践应用题训练1、小强想自制一个电磁铁来探究磁性与哪些因素有关,实验器材有:两个相同的大铁钉、一些大头针、电流表,还应有、、和。在实验中,漆包线绕制横截面和紧密程度都相同的三个线圈,其中两个线圈插入铁钉,另一个线圈无铁钉。如果实验记录的数据如下表:有铁钉无铁钉2040400.3101830.616357①请设计出实验电路。②分析与论证,可得出的结论。ABC③此实验中采用的科学方法是:2、小明探究电阻丝的阻值是否与温度有关,请你为他设计一个实验方案。①找到的器材有:②设计简单的方案内容包括提问、猜想或假设、实验设计、进行实验时观察要点和分析论证。3、在探究影响机械效率的许多因素中,摩擦是一个重要的因素。例如,把物体拉上斜面时,就要克服物体与斜面之间的摩擦力而做额外功。如图六所示是小李同学测定斜面的机械效率的装置图,下表是小李同学设计的记录表格。图六:斜面的倾斜程度小车重量G/N斜面高度h/m沿斜面拉力F/N斜面长s/m有用功W有/J总功W总/J机械效率较缓100.1311333%较陡100.2412450%最陡100.31360%⑴表格中小李同学最后一栏没有填写完整,请你通过计算把它补充完整。⑵分析表格中的数据,你能得到哪些结论?在保证较省力的前提下,你能通过哪些方法来提高斜面的机械效率?(写两条)4、有一种电冰箱,只有在压缩机工作时才消耗电能。将一台这样的电冰箱单独接在标有“3000R/KWH”的电能表上,测得压缩机工作了十分钟电能表的表盘转了75转。求:⑴这台电冰箱压缩机的功率是多大?⑵如果测得该电冰箱某一天耗电1.2度,设压缩机每次连续工作的时间为15分钟,并且每次工作后的间歇时间也相等。那么它的间歇时间可能值是多少分钟?5、明明和妈妈去商场买电饭锅,他从品牌繁多的电饭锅说明书中取出一份,表中所示即为该说明书的一部分,明明和妈妈商议后购买了型号为MG—TD35的电饭锅。回家后他想:此电饭锅将电能转化为锅中水的内能的效率如何呢?于是,他在锅中装入1.5升温度为20℃的水,通电20分钟后,水开始沸腾。根据以上试验,他测出了该电饭锅烧水的效率。写出你的估算方法,并计算其效率。型号MG—TD35MG—TD45电源220V50HZ220V50HZ额定功率(W)600700煮米量(杯)2---73---9长*宽*高(m3)334*266*307334*266*307煮饭方式直接加热直接加热1.根据要求完成下列各题。(2)(2分)图b所示的是光从空气斜射入水中时入射光的光路情况,请在图中适当位置画出该入射光线对应的折射光线。(3)(2分)根据图c中小磁针的指向标出电源的“+”“-”极。2.磁场看不见、摸不着,在探究“通电螺线管磁场”的实验中,为了研究通电螺线管周围的磁场分布情况,我们常选用_____________做实验来显示其周围的磁场分布。如图21所示的是通电螺线管的外部磁场分布情况,根据实验现象和你已有的知识可初步推断:通电螺线管周围的磁场分布与____________磁铁的相类似。3.在观察水的沸腾的实验中(1)现有器材:铁架台、酒精灯、烧杯、石棉网、钟表,还需的测量仪器是;(2)当水温升到90℃时,每隔1min记录一次水的温度,数据如下表:时间/min012345678温度/℃9092949698100100100100根据上表数据,在坐标图中画出水的温度随时间变化的图像;(3)根据实验现象归纳水沸腾时的特点(写出两点):a:;b:.(4)实验中测得水的沸点低于1000C,你认为可能是________________造成的。(只需要写出一个可能原因)4.如图17所示,是小明在“尝试改变电路中电流大小”的活动中连接的一个实验电路:(1)请给小明提出两种能够改变电路中电流大小的方法:①,②;(2)当闭合开关后,如果电流表有示数,但小电灯却不发光。会出现此现象的原因可能是:①,②;(3)小明想通过改进此电路来进行“测量小电灯的电阻”的活动。请帮他设计一个实验方案。要求:①说明需要补充的器材;②在右边的虚线框中画出你设计的实验电路图;6.在“用电流表、电压表测灯泡电功率”的实验时,灯泡上标有“2.5V”字样。小丽设计了实验电路图,如图甲所示。她还连接了部分实验电路,如图乙所示。(1)请在图乙上补画导线,使其成为完整的实验电路。要求:滑动变阻器的滑片P向右滑动时灯泡变亮。(2)连接电路前,开关...

1、当您付费下载文档后,您只拥有了使用权限,并不意味着购买了版权,文档只能用于自身使用,不得用于其他商业用途(如 [转卖]进行直接盈利或[编辑后售卖]进行间接盈利)。
2、本站所有内容均由合作方或网友上传,本站不对文档的完整性、权威性及其观点立场正确性做任何保证或承诺!文档内容仅供研究参考,付费前请自行鉴别。
3、如文档内容存在违规,或者侵犯商业秘密、侵犯著作权等,请点击“违规举报”。

碎片内容

九年级物理 实验探究及实践应用题训练 苏科版试卷

确认删除?
VIP
微信客服
  • 扫码咨询
会员Q群
  • 会员专属群点击这里加入QQ群
客服邮箱
回到顶部