电脑桌面
添加小米粒文库到电脑桌面
安装后可以在桌面快捷访问

成品木饰面安装工程VIP免费

成品木饰面安装工程_第1页
1/4
成品木饰面安装工程_第2页
2/4
成品木饰面安装工程_第3页
3/4
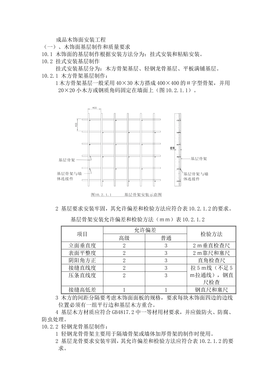
成品木饰面安装工程(一)、木饰面基层制作和质量要求10.1木饰面的基层制作根据安装方法分为:挂式安装和粘贴安装。10.2挂式安装基层制作挂式安装基层分为:木方骨架基层、轻钢龙骨基层、平板满铺基层。10.2.1木方骨架基层制作:1木方骨架基层一般采用40×30木方搭成400×400的#字型骨架,并用20×20小木方或钢质角码固定在墙面上(图10.2.1.1)。2基层要求安装牢固,其允许偏差和检验方法应符合表10.2.1.2的要求。基层骨架安装允许偏差和检验方法(mm)表10.2.1.2项目允许偏差检验方法高级普通立面垂直度232m垂直检查尺表面平整度232m靠尺和塞尺阴阳角方正23直角检查尺接缝直线度23拉5m线(不足5m拉通线),钢直尺检查压条直线度23接缝高低差11钢直尺和塞尺3木方的间距分隔要考虑木饰面面板的规格,要求每块木饰面四边的边线位置必须有一组平行边和基层木方重合。4基层木方材质应符合GB4817.2中一等材用材要求,并应做防火、防腐、防虫处理。10.2.2轻钢龙骨基层制作:1轻钢龙骨骨架主要用于隔墙骨架或墙体加厚骨架的制作时使用。2基层龙骨要求安装牢固,其允许偏差和检验方法应符合表10.2.1.2的要求。10.2.3平板满铺基层制作:1满铺基层主要适用于粘贴式安装的木饰面,一般是木方骨架和轻钢龙骨骨架外再满铺人造板材(主要是多层板或细木工板)。2平板满铺骨架制作要求参见10.2.1木方骨架基层制作和10.2.2轻钢龙骨基层制作。3基层满铺板要求安装牢固,其允许偏差和检验方法应符合表10.2.1.2的要求。10.3挂式安装基层制作的隐蔽工程报验基层部分属隐蔽工程,材料必须做好防火、防腐、防虫处理,安装面板前准备好隐蔽资料向相关单位报验,验收合格后安装木饰面。10.4挂式安装的挂件1木挂件的厚度一般为9~12mm,长度视板面幅度而定。材料应为实木或优质多层板,按照正反方向吻合加工成45度或L型挂口(图10.4.1)。2挂件的连接方式为:木质挂件与木质挂件相组合;钢制角码与木质挂件相结合;全用钢制角码挂合;其他新型安装材料。图10.4.1木饰面挂件示意图Error:Referencesourcenotfound10.5挂式安装要求1根据木饰面版面幅度,首先在基层上对挂件位置进行放线,放线要求每块木饰面的一组对应边必须与基层框架的其中一条木方重合,每块木饰面的一组对应边必须为安放挂件位置,即基层木方、挂件、木饰面边三者要重合见图10.5。挂件之间的档距不应大于400mm。图10.5木饰面安装节点示意图2基层挂件用长30mm以上的直枪钉或木螺丝固定在基层上,挂件与基层接触面涂刷适量白乳胶以增加牢固度。饰面挂件用长度为(挂件厚度+木饰面厚度)×2/3的直枪钉,根据档位精确的固定在木饰面的反面,挂件与木饰面反面的接触面涂刷适量白乳胶以增加牢固度。3基层挂件与饰面挂件要求挂合后能吻合良好,安装后的木饰面不能松动和滑移。10.6粘贴式安装10.6.1粘贴式安装的适用范围粘贴式安装适合于面板要求较薄(厚度小于12mm),基层板材满铺的场合。基层制作要求平整度和垂直度与面板要求同表10.2.1.2。10.6.2粘贴材料粘贴材料要求用快干型胶粘剂,一般有液体钉、硅胶、白乳胶、云石胶等。10.6.3粘贴式安装要求1清洁:涂胶前对基层和面板反面需要涂胶的位置进行策底清洁,清除影响粘接牢固的一切杂质。2涂胶:根据面板厚度,在面板的反面将胶粘剂按照200~300mm见方的网点状位置涂布适量的胶体,板边沿应按照线状涂胶。3粘贴:用各种临时性的支撑物(或胶带)把面板固定在基层上,待胶粘剂完成固化后方可移除固定支撑物。保证面板与基层板间粘贴牢固可靠、边部不脱胶和翘曲、相邻版面平整顺滑。注意:支撑物不能损坏其他装饰部位,胶粘剂不得污染木饰面表面。4安装完成排版布局应符合设计要求。(二)木饰面安装质量要求11.1木饰面安装一般规定11.1.1安装位置、外观形状应符合设计要求,面板各拼接缝和工艺槽的位置应符合设计要求。11.1.2面板与周围各装饰面层的对应、衔接应符合整体设计要求。11.1.3面板正面不得用枪钉、铁钉和木螺丝。侧面固定时枪钉不得钉穿木饰面。11.1.4正反挂件应紧密挂合,面板不得松动和滑移,收尾处面板应粘接固定。11.1.5安装完成后幅面应清洁、干净,各面板间无明显色差...

1、当您付费下载文档后,您只拥有了使用权限,并不意味着购买了版权,文档只能用于自身使用,不得用于其他商业用途(如 [转卖]进行直接盈利或[编辑后售卖]进行间接盈利)。
2、本站所有内容均由合作方或网友上传,本站不对文档的完整性、权威性及其观点立场正确性做任何保证或承诺!文档内容仅供研究参考,付费前请自行鉴别。
3、如文档内容存在违规,或者侵犯商业秘密、侵犯著作权等,请点击“违规举报”。

碎片内容

成品木饰面安装工程

您可能关注的文档

确认删除?
VIP
微信客服
  • 扫码咨询
会员Q群
  • 会员专属群点击这里加入QQ群
客服邮箱
回到顶部