电脑桌面
添加小米粒文库到电脑桌面
安装后可以在桌面快捷访问

基于单片机的LED点阵显示课程设计VIP免费

基于单片机的LED点阵显示课程设计_第1页
1/14
基于单片机的LED点阵显示课程设计_第2页
2/14
基于单片机的LED点阵显示课程设计_第3页
3/14
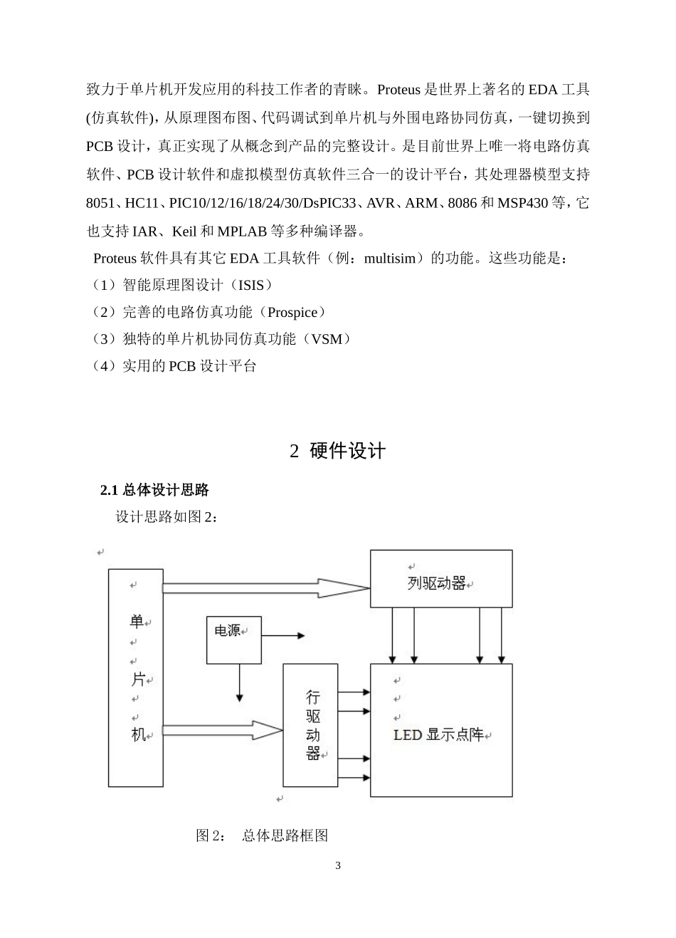
1LED电子显示屏原理1.1LED电子显示屏概述LED电子显示屏(LightEmittingDiodePanel)是由几百--几十万个半导体发光二极管构成的像素点,按矩阵均匀排列组成。利用不同的半导体材料可以制造不同色彩的LED像素点。目前应用最广的是红色、绿色、黄色。而蓝色和纯绿色LED的开发已经达到了实用阶段。LED显示屏是一种通过控制半导体发光二极管的亮度的方式,来显示文字、图形、图像、动画、行情、视频、录像信号等各种信息的显示屏幕。LED显示屏分为图文显示屏和条幅显示屏,均由LED矩阵块组成。图文显示屏可与计算机同步显示汉字、英文文本和图形;而条幅显示屏则适用于小容量的字符信息显示。LED显示屏因为其像素单元是主动发光的,具有亮度高,视角广、工作电压低、功耗小、寿命长、耐冲击和性能稳定等优点。因而被广泛应用于车站码头、机场、商场、医院、宾馆、银行、证券市场、建筑市场、拍卖行、工业企业管理和其它公共场所。LED显示屏的发展前景极为广阔,目前正朝着更高亮度、更高气候耐受性、更高的发光密度、更高的发光均匀性,可靠性、全色化方向发展。1.2LED显示屏动态显示原理LED点阵显示系统中各模块的显示方式:有静态和动态显示两种。静态显示原理简单、控制方便,但硬件接线复杂,在实际应用中一般采用动态显示方式,动态显示采用扫描的方式工作,由峰值较大的窄脉冲电压驱动,从上到下逐次不断地对显示屏的各行进行选通,同时又向各列送出表示图形或文字信息的列数据信号,反复循环以上操作,就可显示各种图形或文字信息。点阵式LED汉字广告屏绝大部分是采用动态扫描显示方式,这种显示方式巧妙地利用了人眼的视觉暂留特性。将连续的几帧画面高速的循环显示,只要帧速率高于24帧/秒,人眼看起来就是一个完整的,相对静止的画面。最典型的例子就是电影放映机。在电子领域中,因为这种动态扫描显示方式极大的缩减了发光单1元的信号线数量,因此在LED显示技术中被广泛使用。以8×8点阵模块为例,说明一下其使用方法及控制过程。图1中,水平线Y0、Y1……Y7叫做行线,接内部发光二极管的阳极,每一行8个LED的阳极都接在本行的行线上。相邻两行线间绝缘。同样,竖直线X0、X1……X7叫做列线,接内部每列8个LED的阴极,相邻两列线间绝缘。在这种形式的LED点阵模块中,若在某行线上施加高电平(用“1”表示),在某列线上施加低电平(用“0”表示)。则行线和列线的交叉点处的LED就会有电流流过而发光。比如,Y7为1,X0为0,则右下角的LED点亮。再如Y0为1,X0到X7均为0,则最上面一行8个LED全点亮。图1:(8×8)点阵LED显示模块结构原理及引脚图LED点阵显示器单块使用时,既可代替数码管显示数字,也可显示各种中西文字及符号.如5x7点阵显示器用于显示西文字母.5×8点阵显示器用于显示中西文,8x8点阵可以用于显示简单的中文文字,也可用于简单图形显示。用多块点阵显示器组合则可构成大屏幕显示器,但这类实用装置常通过PC机或单片机控制驱动。1.3Proteus简介Proteus软件是英国Labcenterelectronics公司出版的EDA工具软件(该软件中国总代理为广州风标电子技术有限公司)。它不仅具有其它EDA工具软件的仿真功能,还能仿真单片机及外围器件。它是目前最好的仿真单片机及外围器件的工具。虽然目前国内推广刚起步,但已受到单片机爱好者、从事单片机教学的教师、2致力于单片机开发应用的科技工作者的青睐。Proteus是世界上著名的EDA工具(仿真软件),从原理图布图、代码调试到单片机与外围电路协同仿真,一键切换到PCB设计,真正实现了从概念到产品的完整设计。是目前世界上唯一将电路仿真软件、PCB设计软件和虚拟模型仿真软件三合一的设计平台,其处理器模型支持8051、HC11、PIC10/12/16/18/24/30/DsPIC33、AVR、ARM、8086和MSP430等,它也支持IAR、Keil和MPLAB等多种编译器。Proteus软件具有其它EDA工具软件(例:multisim)的功能。这些功能是:(1)智能原理图设计(ISIS)(2)完善的电路仿真功能(Prospice)(3)独特的单片机协同仿真功能(VSM)(4)实用的PCB设计平台2硬件设计2.1总体设计思路设计思路如图2:图2:总体思路框图32.2设计论证图文显示一般有静态和动态显示两...

1、当您付费下载文档后,您只拥有了使用权限,并不意味着购买了版权,文档只能用于自身使用,不得用于其他商业用途(如 [转卖]进行直接盈利或[编辑后售卖]进行间接盈利)。
2、本站所有内容均由合作方或网友上传,本站不对文档的完整性、权威性及其观点立场正确性做任何保证或承诺!文档内容仅供研究参考,付费前请自行鉴别。
3、如文档内容存在违规,或者侵犯商业秘密、侵犯著作权等,请点击“违规举报”。

碎片内容

基于单片机的LED点阵显示课程设计

黄金书屋+ 关注
实名认证
内容提供者

爱好英语教学和互联网行业,热爱教育事业,兢兢业业

确认删除?
VIP
微信客服
  • 扫码咨询
会员Q群
  • 会员专属群点击这里加入QQ群
客服邮箱
回到顶部