电脑桌面
添加小米粒文库到电脑桌面
安装后可以在桌面快捷访问

江苏省造价员考试案例分析VIP免费

江苏省造价员考试案例分析_第1页
1/8
江苏省造价员考试案例分析_第2页
2/8
江苏省造价员考试案例分析_第3页
3/8
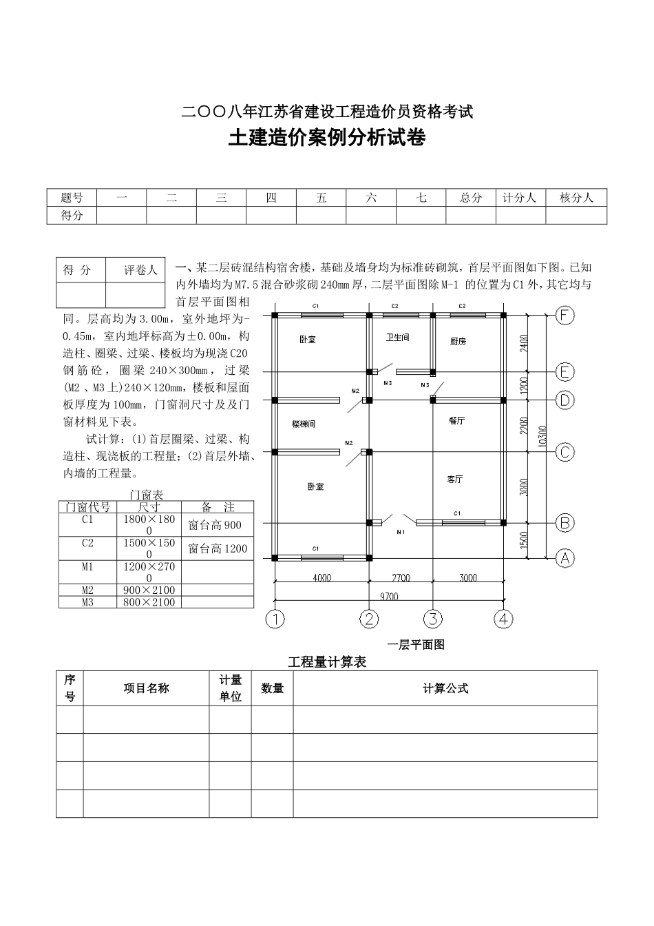
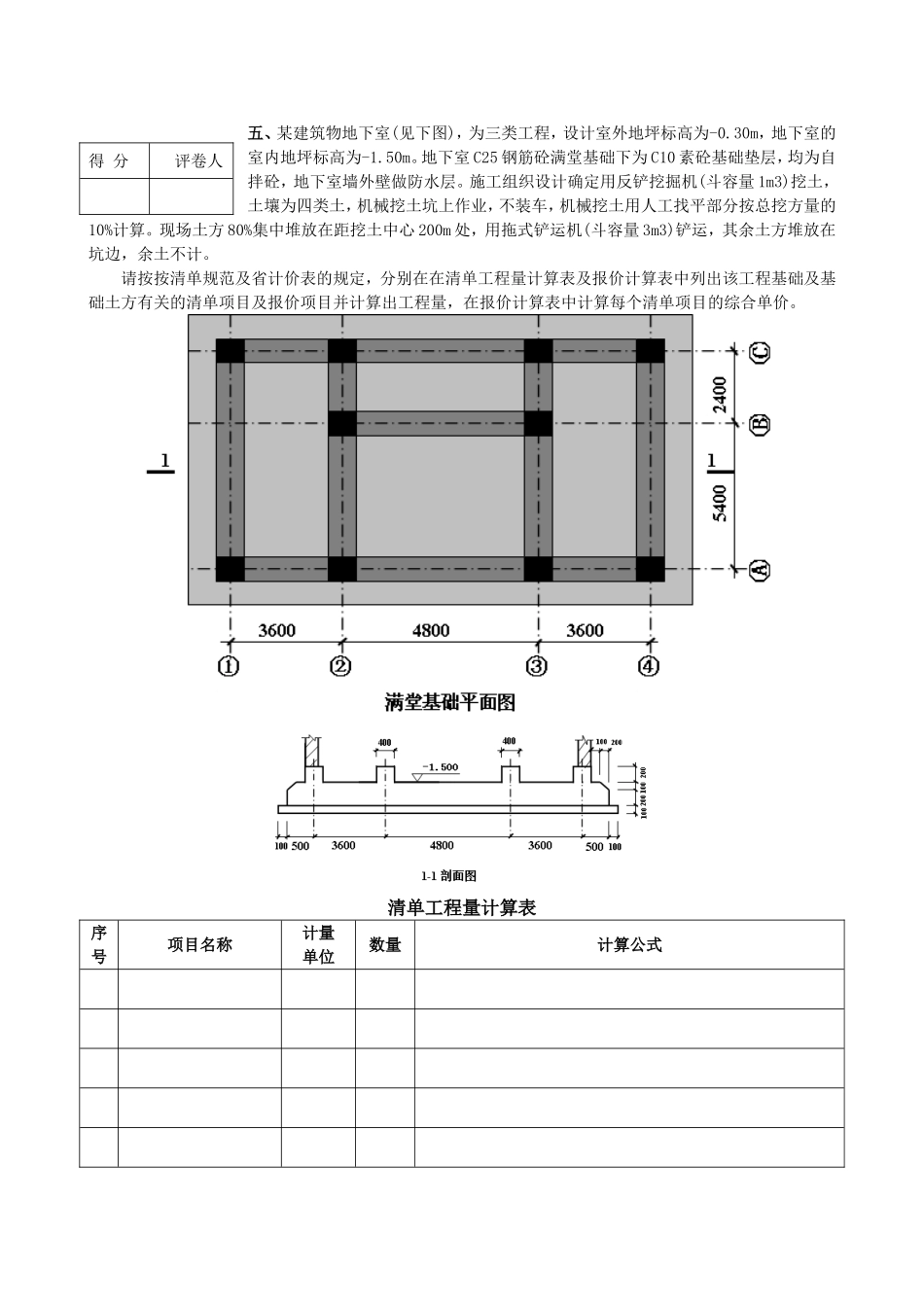
二○○八年江苏省建设工程造价员资格考试土建造价案例分析试卷题号一二三四五六七总分计分人核分人得分一、某二层砖混结构宿舍楼,基础及墙身均为标准砖砌筑,首层平面图如下图。已知内外墙均为M7.5混合砂浆砌240mm厚,二层平面图除M-1的位置为C1外,其它均与首层平面图相同。层高均为3.00m,室外地坪为-0.45m,室内地坪标高为±0.00m,构造柱、圈梁、过梁、楼板均为现浇C20钢筋砼,圈梁240×300mm,过梁(M2、M3上)240×120mm,楼板和屋面板厚度为100mm,门窗洞尺寸及及门窗材料见下表。试计算:(1)首层圈梁、过梁、构造柱、现浇板的工程量;(2)首层外墙、内墙的工程量。工程量计算表序号项目名称计量单位数量计算公式得分评卷人门窗表门窗代号尺寸备注C11800×1800窗台高900C21500×1500窗台高1200M11200×2700M2900×2100M3800×2100一层平面图五、某建筑物地下室(见下图),为三类工程,设计室外地坪标高为-0.30m,地下室的室内地坪标高为-1.50m。地下室C25钢筋砼满堂基础下为C10素砼基础垫层,均为自拌砼,地下室墙外壁做防水层。施工组织设计确定用反铲挖掘机(斗容量1m3)挖土,土壤为四类土,机械挖土坑上作业,不装车,机械挖土用人工找平部分按总挖方量的10%计算。现场土方80%集中堆放在距挖土中心200m处,用拖式铲运机(斗容量3m3)铲运,其余土方堆放在坑边,余土不计。请按按清单规范及省计价表的规定,分别在在清单工程量计算表及报价计算表中列出该工程基础及基础土方有关的清单项目及报价项目并计算出工程量,在报价计算表中计算每个清单项目的综合单价。清单工程量计算表序号项目名称计量单位数量计算公式得分评卷人报价工程量计算表序号项目名称计量单位数量计算公式报价计算表项目编码计价表编号项目名称计量单位数量综合单价(元)(需要换算的列出换算过程)合价(元)2008年江苏建设造价员资格考试土建案例分析卷答案一、计算工程量工程量计算表序号项目名称计量单位数量计算公式1现浇C20砼圈梁M32.23外墙上0.24×(0.3-0.1)×[(9.7+10.3)×2-{GZ宽}0.24*11-{M1过梁}1.7-{C1过梁}2.3*3-{C2过梁}2.0*2]=1.188内墙上0.24×(0.3-0.1)×[(4.0-0.24)*2+(2.7-0.24)+(3.0-0.24)+(3.6-0.24*2)*2+(3.0-0.24)]=1.044小计:1.188+1.044=2.232M32现浇C20砼过梁M30.76外墙上0.24×(0.3-0.1)×[{C1过梁}2.3*3+{C2过梁}2.0*2+{M1过梁}1.7]=0.605内墙上0.24×0.12×[{M2过梁}1.4*2+{M3过梁}1.3*2]=0.156小计:0.605+0.156=0.760M33现浇C20砼构造柱M33.91外墙上(0.24*0.24+0.24*0.03*2)*(3.0-0.1)*11=2.297内墙上[{L形}(0.24*0.24+0.24*0.03*2)*3+{T形}(0.24*0.24+0.24*0.03*3)*2+{外墙深入马牙槎}0.03*6]*(3.0-0.1)=1.608小计:2.297+1.608=3.905M34现浇C20砼平板M310.07(9.94*10.54-1.5*2.7)*0.1=10.072M35M7.5混合砂浆1砖外墙M311.6外墙门窗洞{C1}1.8*1.8*3+{C2}1.5*1.5*2+{M1}1.2*2.7=17.46M2外墙体积0.24*[(9.7+10.3)×2-17.46]*(3.0-0.1)-{外墙QL}1.188-{外墙GL}0.605-{外墙GZ}2.297=11.5986M7.5混合砂浆1砖内墙M310.61内墙门窗洞{M2}0.9*2.1*2+{M3}0.8*2.1*2=7.14M2内墙体积0.24*[(3.76*2+2.46+2.76*2+3.12*2)*(3.0-0.1)-7.14]-{内墙QL}1.044-{内墙GL}0.156-{内墙GZ}1.608=10.609二、综合单价换算综合单价换算表计价表编号子目名称及做法计量单位有需要换算的项目列出简要换算过程综合单价(元)1-3换或(1-3+1-13+1-14)人工挖土方(三类干土,挖土深度6.2mM310.19+7.89+2.3=20.3810.382-48换震动沉管灌注砼桩空沉管部分(桩长8.0m)M3(54.96*0.3+60.27)*(1+14%+8%)+261.46-248.03=107.08107.083-47换M7.5水泥砂浆砌半砖厚(标准砖)阳台栏板M3222.57-26.84+27.81=223.54223.549-181换橡胶止水带(橡胶止水条每米45元)10M539.33-10.5*(45-38.95)=475.805475.815-13换单层厂房现浇C25自拌砼矩形梁(室内净高8.5m)M3277.28+49.92*0.18*(1+25%+12%)=289.59289.596-24单独的踏步式钢梯上的型钢栏杆制作M35203.397-87换预制圆孔板安装(卷扬机施工、电焊)M371.63+(0.17*26+0.087*111.25)*(1+25%+12%)+0.52*3.0+0.40*3.6=93.94593.959-30换屋面SBS改性沥青防水卷材冷粘法单层(上面撒绿豆砂)10M238...

1、当您付费下载文档后,您只拥有了使用权限,并不意味着购买了版权,文档只能用于自身使用,不得用于其他商业用途(如 [转卖]进行直接盈利或[编辑后售卖]进行间接盈利)。
2、本站所有内容均由合作方或网友上传,本站不对文档的完整性、权威性及其观点立场正确性做任何保证或承诺!文档内容仅供研究参考,付费前请自行鉴别。
3、如文档内容存在违规,或者侵犯商业秘密、侵犯著作权等,请点击“违规举报”。

碎片内容

江苏省造价员考试案例分析

您可能关注的文档

黄金书屋+ 关注
实名认证
内容提供者

爱好英语教学和互联网行业,热爱教育事业,兢兢业业

确认删除?
VIP
微信客服
  • 扫码咨询
会员Q群
  • 会员专属群点击这里加入QQ群
客服邮箱
回到顶部