电脑桌面
添加小米粒文库到电脑桌面
安装后可以在桌面快捷访问

残疾等级划分表VIP免费

残疾等级划分表_第1页
1/26
残疾等级划分表_第2页
2/26
残疾等级划分表_第3页
3/26
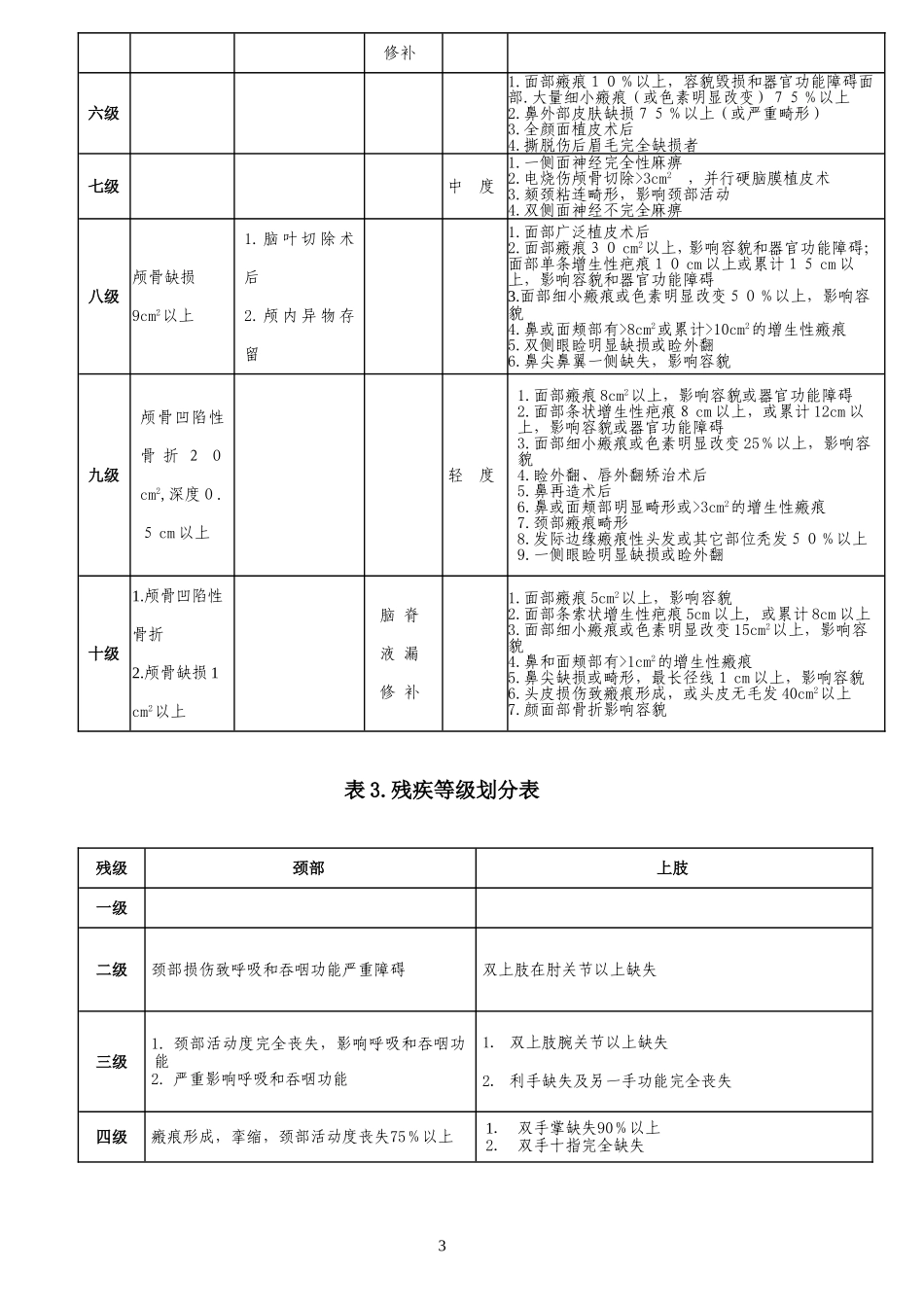
表1.残疾等级划分表残级智能减退精神病性症状癫痫运动障碍肢体瘫(脑,脊髓及神经损伤)非肢体瘫特殊皮层功能障碍一级极重度(智商20以下)1.颅脑损伤器质性精神症状不能治疗缓解2.迁延性昏迷3.植物性生存状态1.四肢瘫肌力3级2.三肢瘫肌力2级重度非肢体瘫运动障碍二级精神病性症状致使丧失生活自理能力者1.三肢瘫肌力3级2.截瘫、偏瘫肌力2级三级重度1.精神病性症状表现为危险或冲动行为者2.重度器质性精神障碍1.截瘫、偏瘫肌力3级2.双手全肌瘫肌力3级完全感觉性或混合性失语四级精神病性症状致使缺乏生活自理能力者重度1.双手部分肌瘫肌力2级2.双足全肌瘫肌力2级中度非肢体瘫运动障碍五级精神病性症状致使缺乏社交能力者1.四肢瘫肌力4级2.双手部分肌瘫肌力3级3.双足全肌瘫肌力3级4.利手全肌瘫肌力3级1.完全运动性失语2.完全运动性失用、失写、失读、失认等六级中度精神病性症状影响职业劳动能力者中度1.三肢肌瘫肌力4级2.双足部分肌瘫肌力2级3.单足全肌瘫肌力2级4.单手部分肌瘫肌力2级不完全失语七级1.轻度器质性精1.截瘫、偏瘫肌力4级2.双手全肌瘫肌力4级3.双足部分肌瘫肌力3级1.轻度非肢1.不完全性半身1神障碍。4.单手部分肌瘫肌力3级5.单足全肌瘫肌力3级体瘫运动障碍2.第三对颅神经麻痹。或偏身型完全性感觉缺失2.器质性失音八级轻度轻度1.双手部分肌瘫肌力4级2.双足全肌瘫肌力4级3.单手全肌瘫肌力4级4.单足部分肌瘫肌力3级不完全性失用、失写、失读、失认等九级日常活动能力部分受限人格改变单足部分肌瘫肌力4级第四、五、六对颅神经中的一对神经麻痹十级边缘智能边缘智能状态。脑电图中度以上改变1.单手部分肌瘫肌力4级2.单足部分肌瘫肌力4级3.轻度不自主运动或共济失调轻度失语表2.残疾等级划分表残级颅骨缺损脑叶切除术后或颅内异物脑脊液瘘尿崩症毁容一级面部疤痕90%以上同时伴有其他二级伤残之一者二级面部疤痕90%以上,容貌毁损和器官功能障碍三级面部疤痕75%以上,容貌毁损和器官功能障碍四级面部明显瘢痕50%以上,容貌毁损和器官功能障碍五级脑脊液漏不能重度1.面部明显瘢痕25%以上,容貌毁损和器官功能障碍2.鼻部缺损30%以上或严重畸形2修补六级1.面部瘢痕10%以上,容貌毁损和器官功能障碍面部.大量细小瘢痕(或色素明显改变)75%以上2.鼻外部皮肤缺损75%以上(或严重畸形)3.全颜面植皮术后4.撕脱伤后眉毛完全缺损者七级中度1.一侧面神经完全性麻痹2.电烧伤颅骨切除>3cm2,并行硬脑膜植皮术3.颏颈粘连畸形,影响颈部活动4.双侧面神经不完全麻痹八级颅骨缺损9cm2以上1.脑叶切除术后2.颅内异物存留1.面部广泛植皮术后2.面部瘢痕30cm2以上,影响容貌和器官功能障碍;面部单条增生性疤痕10cm以上或累计15cm以上,影响容貌和器官功能障碍3.面部细小瘢痕或色素明显改变50%以上,影响容貌4.鼻或面颊部有>8cm2或累计>10cm2的增生性瘢痕5.双侧眼睑明显缺损或睑外翻6.鼻尖鼻翼一侧缺失,影响容貌九级颅骨凹陷性骨折20cm2,深度0.5cm以上轻度1.面部瘢痕8cm2以上,影响容貌或器官功能障碍2.面部条状增生性疤痕8cm以上,或累计12cm以上,影响容貌或器官功能障碍3.面部细小瘢痕或色素明显改变25%以上,影响容貌4.睑外翻、唇外翻矫治术后5.鼻再造术后6.鼻或面颊部明显畸形或>3cm2的增生性瘢痕7.颈部瘢痕畸形8.发际边缘瘢痕性头发或其它部位秃发50%以上9.一侧眼睑明显缺损或睑外翻十级1.颅骨凹陷性骨折2.颅骨缺损1cm2以上脑脊液漏修补1.面部瘢痕5cm2以上,影响容貌2.面部条索状增生性疤痕5cm以上,或累计8cm以上3.面部细小瘢痕或色素明显改变15cm2以上,影响容貌4.鼻和面颊部有>1cm2的增生性瘢痕5.鼻尖缺损或畸形,最长径线1cm以上,影响容貌6.头皮损伤致瘢痕形成,或头皮无毛发40cm2以上7.颜面部骨折影响容貌表3.残疾等级划分表残级颈部上肢一级二级颈部损伤致呼吸和吞咽功能严重障碍双上肢在肘关节以上缺失三级1.颈部活动度完全丧失,影响呼吸和吞咽功能2.严重影响呼吸和吞咽功能1.双上肢腕关节以上缺失2.利手缺失及另一手功能完全丧失四级瘢痕形成,挛缩,颈部活动度丧失75%以上1.双手掌缺失90%以上2.双手十指完全缺失3五级1...

1、当您付费下载文档后,您只拥有了使用权限,并不意味着购买了版权,文档只能用于自身使用,不得用于其他商业用途(如 [转卖]进行直接盈利或[编辑后售卖]进行间接盈利)。
2、本站所有内容均由合作方或网友上传,本站不对文档的完整性、权威性及其观点立场正确性做任何保证或承诺!文档内容仅供研究参考,付费前请自行鉴别。
3、如文档内容存在违规,或者侵犯商业秘密、侵犯著作权等,请点击“违规举报”。

碎片内容

残疾等级划分表

您可能关注的文档

确认删除?
VIP
微信客服
  • 扫码咨询
会员Q群
  • 会员专属群点击这里加入QQ群
客服邮箱
回到顶部