电脑桌面
添加小米粒文库到电脑桌面
安装后可以在桌面快捷访问

端子铆压标准规范VIP免费

端子铆压标准规范_第1页
1/14
端子铆压标准规范_第2页
2/14
端子铆压标准规范_第3页
3/14
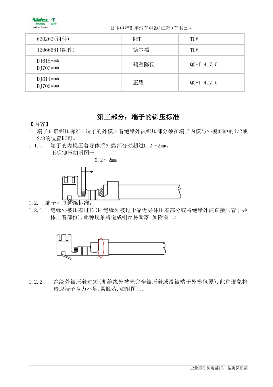
日本电产凯宇汽车电器(江苏)有限公司端子铆压内部控制标准规范【目的】:为确保本公司于生产过程中,端子压着能符合品质需求而制订此规范.【范围】:此规范适用于本公司各类端子压着检验.【职责】:1.1制造部:依此规范进行生产.1.2质量部:负责依此规范进行检验.1.3工艺课:依此标准要求,适时的调节【标准】:参阅国标QCT:29106;大众标准VW207;IPC167等标准【日期】:本标准从2016.9.1起执行本标准分为6个部分,适合公司内部使用第一部分:端子的定义第二部分:端子的种类第三部分:端子的铆压标准第四部分:端子的测量和判定标准第五部分:铆接设备的要求和确认第一部分:端子的定义1.如下图,端子各部位的名称进行统一定义,以便于制程管理企业标注制定部门:品质保证部日本电产凯宇汽车电器(江苏)有限公司第二部分:端子的种类1.目前公司内部使用到的端子种类有以下几种:社内主要护套、端子组件采购品牌类型厂商执行标准YAZAKI-7282****YAZAKI-7283****YAZAKI-7158****YAZAKI-7116****YAZAKI-7114****YAZAKI-7157****矢崎JIS8240****6098****住友JIS98014-0200(MOLEX)雷莫ULTyco9643****Tyco1123****Tyco1379****Tyco60851***泰科ULAMP1355328AMP9675***AMP8289***安普UL企业标注制定部门:品质保证部日本电产凯宇汽车电器(江苏)有限公司620262(组件)KETTUV12066681(组件)德尔福TUVDJ615***DJ703***鹤壁陈氏QC-T417.5DJ611***DJ702***正耀QC-T417.5第三部分:端子的铆压标准【内容】:1.端子正确铆压标准:端子的外模压着绝缘外被铆压部分须在端子内模与外模间距的1/2或2/3的位置即可。1.1.1.端子的内模压着导体后外露部分须超过0.2~2mm。正确铆压如附图一:0.2~2mm1.2.端子不良铆压标准:1.2.1.绝缘外被压着过长(即绝缘外被过于靠近导体压着部分或将绝缘外被直接压着于导体压着部份),此种现象将造成铜丝易断落,如附图二:1.2.2.绝缘外被压着过短(即绝缘外被未完全被压着或没被端子外模包覆),此种现象将造成端子拉力不足,易脱落,如附图三。企业标注制定部门:品质保证部日本电产凯宇汽车电器(江苏)有限公司1.2.3.尾料切断部分,所剩下之料头超过1mm,如附图四:1.2.4.端子内模有导体外露(分叉),如附图五:1.2.5.导体压着过长(导体过于靠近端子头部),此现象将造成端子不易与护套实配,如附图六:1.2.6.导体压着过短(即导体未完全被压着或没被端子内模包覆),此种现象将造成端子拉力不足,易脱落,如附图七:企业标注制定部门:品质保证部日本电产凯宇汽车电器(江苏)有限公司1.2.7.端子内模压着突嘴过大(超过内模的1/3),如附图八:1.2.8.端子压接高度的毛刺管理,毛刺不得超过端子底部高度,且长度不得超过材料厚度的1/2;毛刺宽度不得超过材料厚度的1/2;如附图九:1.2.9.端子压接面积应该进行控制,以压缩比进行评价。压缩比的标准在70%~90%,压接后内部尽量不要有间隙,若有,间隙的面积不能超过总面积的2%。如附图九:企业标注制定部门:品质保证部日本电产凯宇汽车电器(江苏)有限公司1.2.10.其他铆压注意事项,如下图:a.压接后的材料厚度不得低于压接前高度的1/2b.羽翼间的高度差不得大于材料厚度的1/2c.压接翼到端子底部的高度差不得低于材料厚度的1/2,且不得触底或触壁d.压接好的端子不可出现缺口、断裂或裂纹(要显微镜下看)e.压接好后,压接翼间不能出现间隙,且接触面积不得低于材料厚度的75%1.2.11.各种标准限度参照下列图形企业标注制定部门:品质保证部日本电产凯宇汽车电器(江苏)有限公司企业标注制定部门:品质保证部日本电产凯宇汽车电器(江苏)有限公司第四部分:端子的测量和判定基准1.3.端子内模导体压着高度测量方式,如附图1.3.1铆接高度的标准依线径的不同有所不同,根据端子型号和供方制定标准,具体参阅下属附表:企业标注制定部门:品质保证部日本电产凯宇汽车电器(江苏)有限公司1.4.端子外模绝缘外被压着检验方式:1.4.1:导体外被压着后需将导线做上下90度弯曲三次,检查绝缘被覆是否有损伤或滑出,若有表面损伤或滑出,则压着高度须重新调整,如附图:1.4端子内模导体拉力测试及检验方式,如附图:1.4.1测试长度以150mm左右为标准1.4.2脱去外被20mm左右...

1、当您付费下载文档后,您只拥有了使用权限,并不意味着购买了版权,文档只能用于自身使用,不得用于其他商业用途(如 [转卖]进行直接盈利或[编辑后售卖]进行间接盈利)。
2、本站所有内容均由合作方或网友上传,本站不对文档的完整性、权威性及其观点立场正确性做任何保证或承诺!文档内容仅供研究参考,付费前请自行鉴别。
3、如文档内容存在违规,或者侵犯商业秘密、侵犯著作权等,请点击“违规举报”。

碎片内容

端子铆压标准规范

您可能关注的文档

确认删除?
VIP
微信客服
  • 扫码咨询
会员Q群
  • 会员专属群点击这里加入QQ群
客服邮箱
回到顶部