电脑桌面
添加小米粒文库到电脑桌面
安装后可以在桌面快捷访问

八年级下册物理第八章-神奇的压强-测试题VIP免费

八年级下册物理第八章-神奇的压强-测试题_第1页
1/5
八年级下册物理第八章-神奇的压强-测试题_第2页
2/5
八年级下册物理第八章-神奇的压强-测试题_第3页
3/5
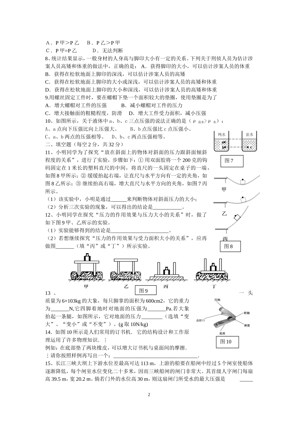
神奇的压强一、选择题(每题3分,共30分)题号12345678910答案1、一未装满橙汁的密闭杯子,先正立放在桌面上(如图1A),然后反过来倒立在桌面上(如图1B),两次放置橙汁对杯底的压强分别是pA和pB,则A.pA>pBB.pA<pBC.pA=pBD.无法判断2、下列事例(图2)能减小压强的是3、如果把笼罩着地球的大气层比作浩瀚的海洋,我们人类就生活在这“大气海洋”的底部,承受着大气对我们的压强-------大气压。下列有关叙述中错误的是A.马德堡半球实验有力地证明了大气压的存在B.标准大气压的数值为1.01×106帕,(760MM汞柱)C.大气压的大小与大气的密度有关,离地面越高的地方,大气压也越大D.人的心情通常跟晴天和阴雨天大气压的高低变化有关4.如图3所示,将一块砖平放、立放、侧放时,它对地面的压强A.平放时最大B.立放时最大C.侧放时最大D.平放、立放、侧放时,一样大5、小明在学习液体压强时,用压强计做了如下实验(图4),获得下表数据:据表中信息,判断小明研究的问题是A.液体压强与液体深度的关系B.液体压强与液体密度的关系C.液体压强与液体温度的关系D.液体压强与气压的关系6、下列现象不是利用大气压的是:A.用吸管吸饮料B.医生用注射器给病人注射药液c.吸盘贴在光滑的墙面上D.墨水被吸进钢笔7、如图5,两只相同的烧杯分别装有质量相等的煤油和水,则两只杯子底部受到液体的压强应该是:1图1图3图2图4图5A.P甲>P乙B.P乙>P甲C.P甲=P乙D.无法判断8、统计结果显示,一般身材的人身高与脚印大小有一定的关系。下列关于刑侦人员为估计涉案人员高矮和体重的做法中,正确的是:A.获得脚印的大小,可以估计涉案人员的体重B.获得在松软地面上脚印的深浅,可以估计涉案人员的高矮C.获得在松软地面上脚印的大小或深浅,可以估计涉案人员的高矮和体重D.获得在松软地面上脚印的大小和深浅,可以估计涉案人员的高矮和体重9.用螺丝固定工件时,要在螺帽下垫一个面积较大的垫圈,使用垫圈是为了A.增大螺帽对工件的压强B.减小螺帽对工件的压力C.增大接触面的粗糙程度,防滑D.增大工件受力面积,减小压强10、如图所示,关于液体中a、b、c三点压强的说法正确的是(ρ盐水>ρ水):A、a点向下压强比向上压强大。B、b点压强比c点压强小。C、a、b两点的压强相等。D、b、c两点压强相等。二、填空题(每空2分,共32分)11、小明同学为了探究“放在斜面上的物体对斜面的压力跟斜面倾斜程度的关系”,进行了实验,步骤如下:①用双面胶将一个200克的钩码固定在1米长的塑料直尺的中间,将直尺的一头固定在桌子的一端,如图8甲所示;②缓缓抬起右端,让直尺与水平方向有一定的夹角,如图8乙所示;③继续抬高右端,增大直尺与水平方向的夹角,如图7丙所示。(1)该实验中,小明是通过______来判断物体对斜面压力的大小;(2)分析三次实验的现象,可以得出的结论是___________。12、小明同学在探究“压力的作用效果与压力大小的关系”时,做了如下图9甲、乙所示的实验。(1)实验能够得到的结论是______________________。(2)若想继续探究“压力的作用效果与受力面积大小的关系”,应再做图_______(填“丙”或“丁”)所示实验。13、一头质量为6×103kg的大象,每只脚掌的面积为600cm2,它的重力为_______N,它四脚着地时对地面的压强为_______Pa.若大象抬起一条腿,如图所示,它对地面的压力________(选填“变大”、“变小”或“不变”)。(g取10N/kg)14.如图10所示是人们常用的订书机.它的结构设计和工作原理运用了许多物理知识.例如:在底部垫了两块橡皮,可以增大订书机与桌面间的摩擦.请你按照样例再写出一个:________________________________.15、长江三峡大坝上下游水位差最高可达113m,上游的船要在船闸中经过5个闸室使船体逐渐降低,每个闸室水位变化二十多米,因而三峡船闸的闸门非常大。其首级人字闸门每扇高39.5m,宽20.2m。倘若门外的水位高30m,则这扇闸门所受水的最大压强是_____2图8图9图10图7_______Pa,已知闸门所受水的平均压强是最大压强的一半,则这扇闸门所受水的压力是___________N。(g取10N/kg)16、有下列应用或实验现象:①在玻...

1、当您付费下载文档后,您只拥有了使用权限,并不意味着购买了版权,文档只能用于自身使用,不得用于其他商业用途(如 [转卖]进行直接盈利或[编辑后售卖]进行间接盈利)。
2、本站所有内容均由合作方或网友上传,本站不对文档的完整性、权威性及其观点立场正确性做任何保证或承诺!文档内容仅供研究参考,付费前请自行鉴别。
3、如文档内容存在违规,或者侵犯商业秘密、侵犯著作权等,请点击“违规举报”。

碎片内容

八年级下册物理第八章-神奇的压强-测试题

您可能关注的文档

文章天下+ 关注
实名认证
内容提供者

各种文档应有尽有

相关文档

确认删除?
VIP
微信客服
  • 扫码咨询
会员Q群
  • 会员专属群点击这里加入QQ群
客服邮箱
回到顶部