电脑桌面
添加小米粒文库到电脑桌面
安装后可以在桌面快捷访问

Y型过滤器技术要求VIP免费

Y型过滤器技术要求_第1页
1/6
Y型过滤器技术要求_第2页
2/6
Y型过滤器技术要求_第3页
3/6
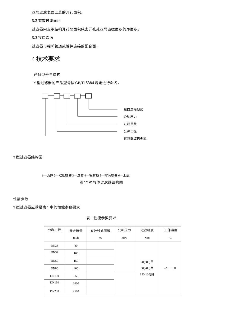
技术管理标准体系文件Y型过滤器技术要求(征求意见稿)1总则为进一步规范集团公司Y型过滤器的基本功能和技术要求,特制定本标准。本标准只作为对集团公司Y型过滤器的技术要求,供应商提供的产品除应符合本技术要求的规定外,尚应符合国家现行有关标准的规定。2引用标准下列文件中的条款通过本标准的引用而成为本标准的条款。凡是注日期的引用文件,其随后所有的修改单(不包括勘误的内容)或修订版均不适用于本标准,凡是没有注明日期的引用文件,其最新版本均适用于本标准。GB/T191包装储运图示标志GB/T699优质炭素结构钢GB/T700碳素结构钢GB/T1220不锈钢棒GB/T1804一般公差未注公差的线性和角度尺寸的公差GB/T3280不锈钢冷轧钢板和钢带GB/T5330工业用金属丝编织方孔筛网GB/T6388运输包装收发货标志GB/T8163输送流体用无缝钢管GB/T9113整体钢制管法兰GB/T9119板式平焊钢制管法兰GB/T9124钢制管法兰技术条件GB/T10612工业用筛板板厚V3mm的圆孔和方孔筛板GB/T12229通用阀门碳素钢铸件技术条件GB/T13384机电产品包装通用技术条件GB/T14382管道用三通过滤器GB/T15384气瓶型号命名方法JB/T106阀门的标志和涂漆HG/T21637-1991化工管道过滤器SH/T3441-1999石油化工泵用过滤器选用、检验及验收3术语和定义滤网过滤表面上总的开孔面积。3.2有效过滤面积过滤器内支承结构开孔总面积减去开孔处滤网占据面积的净面积。3.3接口端面过滤器与相邻管道或管件连接的配合面。4技术要求产品型号与结构Y型过滤器的产品型号按GB/T15384规定进行命名。Y型过滤器结构图1—壳体2—取压螺塞3—滤芯4—密封垫5—排污螺塞6—上盖图1Y型气体过滤器结构图性能参数Y型过滤器应满足表1中的性能参数要求表1性能参数要求接口连接型式公称压力过滤目数公称口径过滤器结构型式公称口径最大流量m3/h有效过滤面积m2DN2580DN32100DN50150DN80400DN100650DN1501600DN2002500公称压力过滤精度工作温度MPaMm°C20(500)目50(200)目-29〜+60130(120)目DN2504000DN3006500材料要求过滤器的壳体材料可按表2选用,其化学成分和机械性能应分别符合相应标准的要求。允许选用以下规定的材料,但应满足所在管道中工作介质的压力及腐蚀性要求。表2壳体材料名称材料牌号标准编号壳体WCBGB/T1222920GB/T699,GB/T8163过滤器上盖材料选用Q235B,其化学成份和机械性能应符合GB/T700规定。外滤网材料选用不锈钢板制作,其化学成分和机械性能应符合GB/T3280的规定,尺寸和技术要求应符合GB/T10612的规定。内滤网采用不锈钢丝网作为标准滤网,其化学成分和机械性能应符合GB/T1220的规定,尺寸和技术要求应符合GB/T5330的规定。有效过滤面积过滤网的使用应根据表1中过滤精度的要求选取相应的标准目数;过滤器的有效过滤面积应不小于相连的管道流通面积的9倍。连接方式过滤器的接口端面采用法兰连接方式,法兰尺寸及公差按下列规定:a.整体钢制管法兰尺寸按GB/T9113的规定;b.板式平焊钢制管法兰按GB/T9119的规定;c.法兰尺寸的公差按GB/T9124的规定;d.安装尺寸的极限偏差按GB/T1804中C级的规定。过滤器其他主要尺寸公差及位置公差应符合技术图纸标注的尺寸及公差要求。密封性过滤器的密封性试验应在液压(或气压)的试验装置上进行,试验要求按表3规定,试验后所有的连接部位或表面不得有渗漏或泄漏现象。表3密封性试验要求试验压力试验介质保持试验压力最短持续时间适用口径允许最大工作压力的倍液体3minWDN100omin>DN100气体2min所有口径耐压强度过滤器组装后应进行耐压强度试验,试验压力为公称压力的倍,保持压力持续时间不少于3min,壳体应无渗漏和结构损伤,不得有明显可见的液滴或表面潮湿。压力损失在允许的最大流量下(指与过滤器相连接的管道中的最大工作流量),Y型过滤器的压力损失应满足SH/T3411-1999《条文说明》第4章的内容要求。5外观、包装、运输与贮存外观过滤器壳体不得有裂纹、缩孔、砂(渣)眼、气孔、冷隔、皱折。壳体上的流向标记、企业标志、材料代号及炉批号应清晰正确。过滤器的内腔腹壁不得有沙粘污渍和毛刺,出厂时紧固件不得有松动,与管道连接的密封面应光洁,进、出口部位应装上封盖或封口纸。过滤器外表面、标...

1、当您付费下载文档后,您只拥有了使用权限,并不意味着购买了版权,文档只能用于自身使用,不得用于其他商业用途(如 [转卖]进行直接盈利或[编辑后售卖]进行间接盈利)。
2、本站所有内容均由合作方或网友上传,本站不对文档的完整性、权威性及其观点立场正确性做任何保证或承诺!文档内容仅供研究参考,付费前请自行鉴别。
3、如文档内容存在违规,或者侵犯商业秘密、侵犯著作权等,请点击“违规举报”。

碎片内容

Y型过滤器技术要求

确认删除?
VIP
微信客服
  • 扫码咨询
会员Q群
  • 会员专属群点击这里加入QQ群
客服邮箱
回到顶部