电脑桌面
添加小米粒文库到电脑桌面
安装后可以在桌面快捷访问

剪力钢棒计算VIP免费

剪力钢棒计算_第1页
1/12
剪力钢棒计算_第2页
2/12
剪力钢棒计算_第3页
3/12
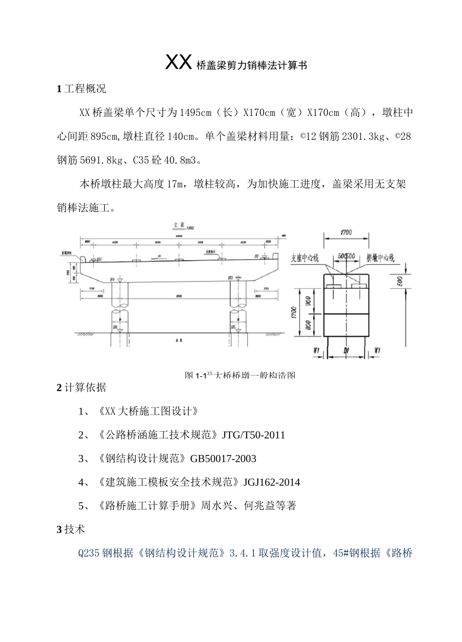
XX桥盖梁剪力销棒法计算书1工程概况XX桥盖梁单个尺寸为1495cm(长)X170cm(宽)X170cm(高),墩柱中心间距895cm,墩柱直径140cm。单个盖梁材料用量:©12钢筋2301.3kg、©28钢筋5691.8kg、C35砼40.8m3。本桥墩柱最大高度17m,墩柱较高,为加快施工进度,盖梁采用无支架销棒法施工。2计算依据1、《XX大桥施工图设计》2、《公路桥涵施工技术规范》JTG/T50-20113、《钢结构设计规范》GB50017-20034、《建筑施工模板安全技术规范》JGJ162-20145、《路桥施工计算手册》周水兴、何兆益等著3技术Q235钢根据《钢结构设计规范》3.4.1取强度设计值,45#钢根据《路桥图1-1XX大桥桥墩一般构造图施工计算手册》788页附表3-20取容许应力表3-1钢材强度设计值依据JTG/TF50-20115.2.7条验算模板、支架的刚度时,其最大变形值不得超过下列允许值:支架受载后扰曲的杆件(横梁、纵梁),其弹性扰度为相应结构计算跨度的L/400(其中L为计算跨径)4荷载组合及计算4.1荷载计算依据《路桥施工计算手册》172页竖向荷载表8-1,计算荷载取如下值:1、新浇钢筋混凝土自重:q=40.8x26=1060.8kN(钢筋混凝土容重取26kN/m3)。2、结构自重:G2=87.56kN(由模板厂家提供含三角支架),施工平台重0.35kPa。荷载组荷载工备强度验3、施工人员、材料、机具荷载:Q,=2.5kPa。4、振动荷载:竖向压力Q2=2.0kPa。5、倾倒混凝土时产生的冲击荷载:混凝土层厚度大于1.0m时不计,本盖梁高度超过1.0m不考虑冲击荷载。6、本支架为临时工程且施工周期短,不考虑风荷载。4.2荷载系数根据《路桥施工计算手册》175页1.1.4条表8-5计算支架的荷载设计值应采用荷载标准值乘以相应荷载分项系数。荷载具体分项系数见表4-2。表4-2荷载分项系数荷载类别分项系数丫/备注模板、支架自重标准值1.2恒载新浇钢筋混凝土自重标准值1.2恒载施工人员施工机具荷载标准值1.4活载振捣混凝土时产生的荷载标准值1.4活载4.3荷载组合根据《路桥施工计算手册》175页1.1.4条计算模板、支架荷载效应组合时应组合的各项荷载应符合表8-4。荷载效应组合见表4-3。表4-3荷载组合1.2(新浇钢筋砼自重+模板、支架等自重)+1.4(施工1人员、机具荷载+振动荷载)2新浇钢筋砼自重+模板、支架等自重刚度验算5结构设计及计算5.1盖梁支架设计验算底模分配横梁采用46根4m长I12.6工字钢,其中柱间布设26根,两侧悬臂段各用10根。单根工字钢自重0.14kN/m,影响宽度b=0.3m,纵梁采用16.65m双拼I63a工字钢,两根纵梁间距1.8m,支撑在0110cm钢棒上。取圆柱墩中间部分代表计算,中间分配梁跨度为(1.1+1.8+1.1)m。作用在横梁上荷载及荷载组合值计算如下:平台位置:自重0.14kN/m,平台重0.35x0.3=0.11kN/m梁底:a新浇钢筋混凝土重26x0.3x1.7=13.26kN/mb模板重量:侧模板1.2x0.3x1.7=0.61kN,底模板(0.1+0.02)x0.3x6=0.23kN/mc施工人员、材料、机具荷载2.5x0.3=0.75kN/md振动荷载2x0.3=0.6kN/m横梁强度验算组合:平台处均布线荷载S=1.2x(0.14+0.11)+1.4x0.75=1.35kN/m,平台与梁qd底侧模交界处模板集中荷载S〃=1.2x0.61=0.73kN,梁底处均布线荷载Sd=1.2xqdqd(13.26+0.23)+1.4x(0.75+0.6)=18.08kN/m横梁刚度验算组合:平台处均布线荷载S测=0.14+0.11=0.25kN/m,平台与梁底侧模交界处模板集中荷载S=0.61kN,梁底处均布线荷载S=13.26+0.23=13.49kN/mgdgd按上述荷载布置形式,对横梁简化计算结构模型如图5-1所示-1E—1am亠1平刍i.im十乘底1.亦JA1平廿]」5nt—齬杆端1肋勣弯拒10.0000.0000.0000.000-1.485-0.81720.00016.036-0.8170.000-16.03-0.81730.0001.485-0.8170.0000.0000.000图5-1分配梁强度组合验算结构计算模型及荷载布置图(单位kN,m)图5-2分配梁刚度验算结构计算模型及荷载布置图(单位kN,m)按上述计算图示得计算结果如下:!⑴霞J<巧----..丿6.5L弯矩图(单位kN・m)剪力图(单位kN)图5-3横梁内力计算结果图5-4结构变形计算结果(m)单元:叵距杆端I三]L处y整体坐标系:局部坐标系:X方向:|0.0000000”方向:|0.0000000y方向:|-0,0019528y方向:|-0,0019528J转角:|0.0000000转甬:|0.0000000模型由SMSlover2.0计算得横梁跨中最大弯矩M=6.51kN•m,最大剪maxQ=16.03kN,跨中最大...

1、当您付费下载文档后,您只拥有了使用权限,并不意味着购买了版权,文档只能用于自身使用,不得用于其他商业用途(如 [转卖]进行直接盈利或[编辑后售卖]进行间接盈利)。
2、本站所有内容均由合作方或网友上传,本站不对文档的完整性、权威性及其观点立场正确性做任何保证或承诺!文档内容仅供研究参考,付费前请自行鉴别。
3、如文档内容存在违规,或者侵犯商业秘密、侵犯著作权等,请点击“违规举报”。

碎片内容

剪力钢棒计算

wxg+ 关注
实名认证
内容提供者

该用户很懒,什么也没介绍

相关文档

确认删除?
VIP
微信客服
  • 扫码咨询
会员Q群
  • 会员专属群点击这里加入QQ群
客服邮箱
回到顶部