电脑桌面
添加小米粒文库到电脑桌面
安装后可以在桌面快捷访问

三级教育培训记录表VIP专享VIP免费

三级教育培训记录表_第1页
1/3
三级教育培训记录表_第2页
2/3
三级教育培训记录表_第3页
3/3
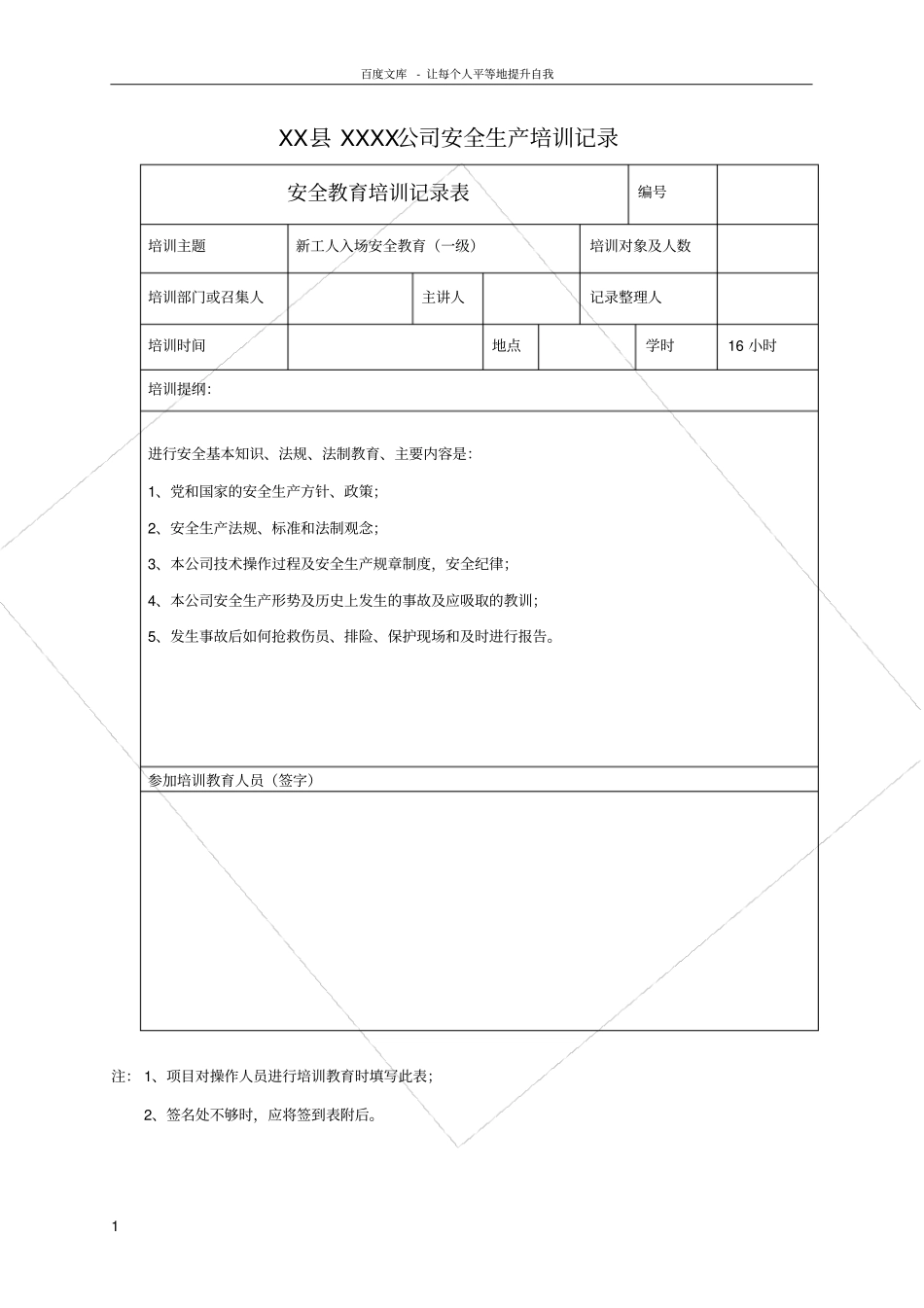
百度文库-让每个人平等地提升自我1XX县XXXX公司安全生产培训记录注:1、项目对操作人员进行培训教育时填写此表;2、签名处不够时,应将签到表附后。安全教育培训记录表编号培训主题新工人入场安全教育(一级)培训对象及人数培训部门或召集人主讲人记录整理人培训时间地点学时16小时培训提纲:进行安全基本知识、法规、法制教育、主要内容是:1、党和国家的安全生产方针、政策;2、安全生产法规、标准和法制观念;3、本公司技术操作过程及安全生产规章制度,安全纪律;4、本公司安全生产形势及历史上发生的事故及应吸取的教训;5、发生事故后如何抢救伤员、排险、保护现场和及时进行报告。参加培训教育人员(签字)百度文库-让每个人平等地提升自我2安全教育培训记录表编号培训主题入场安全教育(二级)培训对象及人数培训部门或召集人主讲人记录整理人培训时间地点学时16小时培训提纲:进行现场规章制度和遵章守纪教育,主要内容是:1.本公司技术操作特点及操作安全基本知识;2.本公司(包括施工,生产现场)安全生产制度,规定及安全注意事项3.本工种的安全技术操作规程4.高处作业、机械设备、电器安全基础知识;5.防火、防毒、防尘、防暴知识及急救情况安全处置和安全疏散知识;6.防护用品发放标准及防护用品、用具使用的基本知识;7.本单位责任区域划分及要求;8.消防设施使用常识及营救措施。参加培训教育人员(签字)注:1、项目对操作人员进行培训教育时填写此表;2、签名处不够时,应将签到表附后。百度文库-让每个人平等地提升自我3安全教育培训记录表编号培训主题入场安全教育(三级)培训对象及人数培训部门或召集人主讲人记录整理人培训时间地点学时20小时培训提纲:进行本工种岗位安全操作及班组安全制度,纪律教育,主要内容:1.本班组作业特点及安全操作规程;2.班组安全活动制度及纪律;3.爱护和正确使用安全防护装置(设施)及个人劳动防护用品;4.本岗位已发生事故的不安全因素及其防范对策;5.本岗位的作业环境及使用的机械设备,工具的安全要求。参加培训教育人员(签字)注:1、项目对操作人员进行培训教育时填写此表;2、签名处不够时,应将签到表附后。

1、当您付费下载文档后,您只拥有了使用权限,并不意味着购买了版权,文档只能用于自身使用,不得用于其他商业用途(如 [转卖]进行直接盈利或[编辑后售卖]进行间接盈利)。
2、本站所有内容均由合作方或网友上传,本站不对文档的完整性、权威性及其观点立场正确性做任何保证或承诺!文档内容仅供研究参考,付费前请自行鉴别。
3、如文档内容存在违规,或者侵犯商业秘密、侵犯著作权等,请点击“违规举报”。

碎片内容

三级教育培训记录表

确认删除?
VIP
微信客服
  • 扫码咨询
会员Q群
  • 会员专属群点击这里加入QQ群
客服邮箱
回到顶部