电脑桌面
添加小米粒文库到电脑桌面
安装后可以在桌面快捷访问

上料机液压系统VIP免费

上料机液压系统_第1页
1/18
上料机液压系统_第2页
2/18
上料机液压系统_第3页
3/18
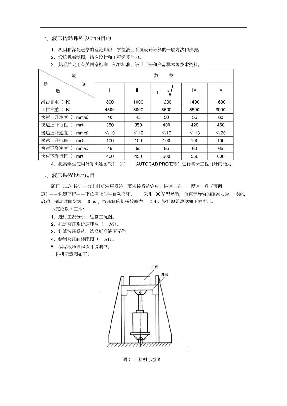
机械制造与自动化专业《液压传动》课程设计说明书班级:机制xx学号:xxxxx姓名:xx一、液压传动课程设计的目的1、巩固和深化已学的理论知识,掌握液压系统设计计算的一般方法和步骤。2、锻炼机械制图,结构设计和工程运算能力。3、熟悉并会用有关国家标准、部颁标准、设计手册和产品样本等技术资料。4、提高学生使用计算机绘图软件(如AUTOCAD、PRO/E等)进行实际工程设计的能力。二、液压课程设计题目题目(二)设计一台上料机液压系统,要求该系统完成:快速上升——慢速上升(可调速)——快速下降——下位停止的半自动循环。采用900V型导轨,垂直于导轨的压紧力为60N,启动、制动时间均为0.5s,液压缸的机械效率为0.9。设计原始数据如下表所示。试完成以下工作:1、进行工况分析,绘制工况图。2、拟定液压系统原理图(A3)。3、计算液压系统,选择标准液压元件。4、绘制液压缸装配图(A1)。5、编写液压课程设计说明书。上料机示意图如下:图2上料机示意图数参据数数据IIIIII√IVV滑台自重(N)8001000120014001600工件自重(N)45005000550058006000快速上升速度(mm/s)4045505560快速上升行程(mm)350350400420450慢速上升速度(mm/s)≤10≤13≤16≤18≤20慢速上升行程(mm)100100100100100快速下降速度(mm/s)4555556065快速下降行程(mm)400450500550600目录一.工况分析⋯⋯⋯⋯⋯⋯⋯⋯⋯⋯⋯⋯⋯⋯1二.负载和速度图的绘制⋯⋯⋯⋯⋯⋯⋯⋯⋯⋯4三.液压缸主要参数的确定⋯⋯⋯⋯⋯⋯⋯⋯5四.液压系统的拟定⋯⋯⋯⋯⋯⋯⋯⋯⋯⋯⋯⋯8五.液压元件的选择⋯⋯⋯⋯⋯⋯⋯⋯⋯⋯⋯⋯8六.液压缸的设计⋯⋯⋯⋯⋯⋯⋯⋯⋯⋯⋯⋯10七.拟定液压系统原理图⋯⋯⋯⋯⋯⋯⋯⋯⋯⋯14八.绘制液压缸装配图⋯⋯⋯⋯⋯⋯⋯⋯⋯⋯14九.致谢信⋯⋯⋯⋯⋯⋯⋯⋯⋯⋯⋯⋯⋯⋯⋯14十.参考文献⋯⋯⋯⋯⋯⋯⋯⋯⋯⋯⋯⋯⋯⋯15一、工况分析对液压传动系统的工况分析就是明确各执行元件在工作过程中的速度和负载的变化规律,也就是进行运动分析和负载分析。1、运动分析根据各执行在一个工作循环内各阶段的速度,绘制其循环图,如下图所示:快进工进快退2、动力分析动力分析就是研究机器在工作中其执行机构的受力情况。1)工作负载:NFFGL6700120055002)摩擦负载“2sinNffFFF---摩擦因数a---V型角,一般为90°由于工件为垂直起开,所以垂直作用于导航的载荷可由间隙和结构尺寸,可知NFN60取,1.0,2.0dfFs则有静摩擦负载:NFfs97.1645sin602.0动摩擦负载:NFfd49.845sin601.03)惯性负载惯性负载为运动部件在起动和制动的过程中可按tvgGmaFG---运动部件的重量(N)g---重力加速度,28.9smg△v---速度变化值(sm)△t---起动或制动时间(s)加速:NtvgGFa97.165.005.08.967001减速:NtvgGFa49.465.0016.005.08.967002制动:NtvgGFa88.215.0016.08.967003反向加速:NtvgGFa88.215.0016.08.967004下拉制动:NFtvgGFaa20.7541根据以上的计算,考虑到液压缸垂直安放,其重量较大,为防止因自重而自行下滑,系统中应设置应平衡回路,因此,在对快速向下运动的负载分析时,就不考虑滑台的重量,则液压缸各阶段中的负载,如下表工况计算公式总负载F(N)缸推力F(N)起动LfsFFF6716.977463.3加速1aLfdFFFF6776.867529.8快上LfdFFF6708.497453.9减速2aLfdFFFF66627402.2慢上LfdFFF6708.497529.8制动3aLfdFFFF6686.497526.8反向加速4afdFFF83.6993快下fdFF8.499.43制动5afdFFF-66.71-74.12二、负载和速度图的绘制按前面的负载分析及已知的速度要求,行程限制等,绘制出负载机速度图(如下所示)F/N7529.87453.97463.38.49930500m/s-74.12V(mm/s)50160500m/s55三、液压缸主要参数的确定液压缸工作压力主要根据运动循环各阶段的最大总负载力来确定,此外,还需要考虑一下因素:(1)各类设备的不同特点和使用场合(2)考虑经济和重量因素,压力选得低,则元件尺寸大,重量重,压力选得高一些,则元件尺寸小,重量轻,但对元件的制造精度,密封性能要求高。1、初选液压缸的工作压力根据分析此设备的负载不大,按类型属机床类,所遇初选此设备的工作压力为2Mpa2、计算液压缸的尺寸pFA式中;F---液压缸...

1、当您付费下载文档后,您只拥有了使用权限,并不意味着购买了版权,文档只能用于自身使用,不得用于其他商业用途(如 [转卖]进行直接盈利或[编辑后售卖]进行间接盈利)。
2、本站所有内容均由合作方或网友上传,本站不对文档的完整性、权威性及其观点立场正确性做任何保证或承诺!文档内容仅供研究参考,付费前请自行鉴别。
3、如文档内容存在违规,或者侵犯商业秘密、侵犯著作权等,请点击“违规举报”。

碎片内容

上料机液压系统

您可能关注的文档

确认删除?
VIP
微信客服
  • 扫码咨询
会员Q群
  • 会员专属群点击这里加入QQ群
客服邮箱
回到顶部