电脑桌面
添加小米粒文库到电脑桌面
安装后可以在桌面快捷访问

上海参考资料工程建设规范园林绿化养护技术等级标准VIP免费

上海参考资料工程建设规范园林绿化养护技术等级标准_第1页
1/16
上海参考资料工程建设规范园林绿化养护技术等级标准_第2页
2/16
上海参考资料工程建设规范园林绿化养护技术等级标准_第3页
3/16
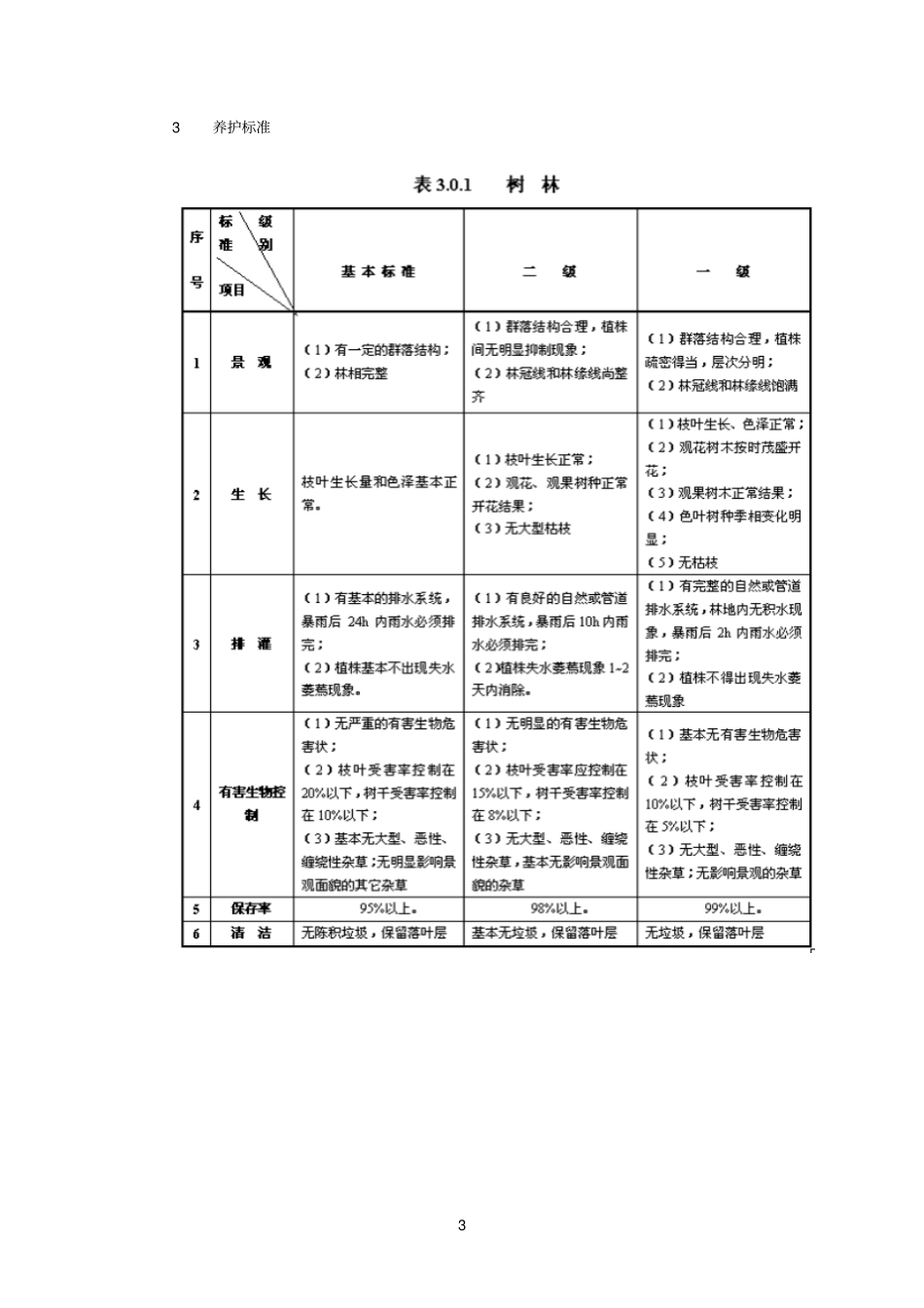
1上海市工程建设规范园林绿化养护技术等级标准1总则,加强绿化行业管理,根据国家和上海市有关法律、法规,结合本市实际情况,制订本标准。,以各元素在养护技术上必须达到的要求为基本标准。在基本标准基础上,达到完善的水准为一级标准。介于两者之间的为二级标准。,除按本标准执行外,还必须遵守国家、地方有关法规、规范及行业标准的规定。2术语2.0.1树林woods较大面积成块成片栽植(一般在30株以上),以乔木为主,适量配置灌木、地被或草地的组合混交林或纯林。2.0.2树丛grove由二、三株到二、三十株同种类或不同种类的乔灌木组合而成,树冠彼此衔接,通常不得入内。2.0.3孤植树isolatedtree树形美观,自成一景,独株生长的乔木或灌木。2.0.4行道树streettrees道路两旁的树木,常成行栽植,排列整齐,规格统一,株间有一定距离,具有遮荫、防尘、护路、美化街景的功能。随着道路形式的变化,行道树种植形式可单行或多行种植,亦可多株乔木规则或不规则丛植。2.0.5花坛flowerbed应用一、二年生花卉、球根花卉和温室花卉等为主,种植成规则或不规则的、群体的、平面图案精细的、具平面美观效果的布置形式。2.0.6花境flowerborder以宿根花卉为主,间有其他类型的灌木花卉或观赏草的带状或自然块状布置形式。大多位于树林、树丛、草坪、道路、建筑等边缘,具有季相变化和立面效果。2.0.7切边edging为阻隔两种不同植物生长带来相互影响所采取的养护措施,有时也可采用插片等新技术达到切边目的。2.0.8绿篱hedge由灌木或小乔木单行或多行规则种植成带状或墙状,可整形修剪或自然生长。绿篱可用以代替篱笆、栏杆和墙垣,具有分隔、防护或装饰作用。根据植物性状的不同,绿篱又可以分为花篱、刺篱、果篱等。2.0.9垂直绿化verticallandscape利用藤本等植物攀附于建筑物墙面或构筑物上的绿化形式。盆栽植物pottedplants以容器栽植的植物。草坪lawn需定期轧剪的覆盖地表的低矮草层。大多选用质地纤细,耐践踏的禾本科植物,仅少数是莎草科、豆科或其它科植物。草地turfgrassland一般不进行轧剪的低矮草层。包括混植各种花卉的草地。2地被植物groundcover植株低矮、枝叶密集,具有较强扩展能力,能迅速覆盖裸露平地或坡地的植物,一般高度不超过60cm。地被植物可单一种植也可混植。绿化植物的有害生物pestofafforestplant指对园林绿化植物的生长、生存造成危害,影响园林绿化景观面貌的动物、植物、微生物。有害生物控制pestcontrol从维护、促进园林生态平衡的角度出发,遵循有害生物综合治理的原则,运用科学的技术手段,协调园林植物与其他动植物以及环境因子之间的关系,有效地控制有害生物的危害。古树oldtrees树龄在100年以上的树木。名木famoustrees珍贵稀有,有重要历史价值和纪念意义,具有重要科研价值的树木。古树后续资源potentiallresourceofoldtrees树龄在八十年以上一百年以下的树木。古树名木保护区conservationspotsofoldandhistoricaltrees古树、名木树冠垂直投影外不小于5米的区域。古树后续资源树冠垂直投影外不小于2米的区域。土壤溶液酸碱度soilacidityandalkalinity(可有pH值表示)土壤溶液中氢离子浓度的负对数,即pH=-log[H+]表示土壤溶液的酸碱度。土壤溶液电导率值soilsolutionconductance)(可用EC值表示)土壤溶液的导电强度,用于度量土壤中可溶性离子的总量,单位为毫西门子·厘米-1(mS·cm-1)。土壤有机质soiloganicsubstance土壤中动植物残体、微生物体及其分解和合成的有机物质,用克·千克-1表示(g·kg-1)。土壤容重soilbulkdensity土壤在自然结构状态下,单位体积内干土重。单位为兆克·米-3(Mg·m-3)。土壤通气孔隙度soilaerationporosity在土壤孔隙中,没有毛管作用的部分(一般指直径大于0.1mm的孔隙)所占的比例。用(%)表示。有效土层effectivesoilhorizon植物根系能正常生长发育的土壤厚度。单位为厘米(cm)。石灰反应limereaction用80-100g·kg-1盐酸与土壤中的碳酸盐反应引起泡沫的强弱程度,用无(0)、弱(<10g·kg-1)、中(10~50g·kg-1)、强(>50g·kg-1)表示。水体waterbody绿地内的水体分自然和人工建造两大类。人工建造的...

1、当您付费下载文档后,您只拥有了使用权限,并不意味着购买了版权,文档只能用于自身使用,不得用于其他商业用途(如 [转卖]进行直接盈利或[编辑后售卖]进行间接盈利)。
2、本站所有内容均由合作方或网友上传,本站不对文档的完整性、权威性及其观点立场正确性做任何保证或承诺!文档内容仅供研究参考,付费前请自行鉴别。
3、如文档内容存在违规,或者侵犯商业秘密、侵犯著作权等,请点击“违规举报”。

碎片内容

上海参考资料工程建设规范园林绿化养护技术等级标准

文库响当当+ 关注
实名认证
内容提供者

该用户很懒,什么也没介绍

确认删除?
VIP
微信客服
  • 扫码咨询
会员Q群
  • 会员专属群点击这里加入QQ群
客服邮箱
回到顶部