电脑桌面
添加小米粒文库到电脑桌面
安装后可以在桌面快捷访问

上海建筑模板租赁合同2010版VIP免费

上海建筑模板租赁合同2010版_第1页
1/6
上海建筑模板租赁合同2010版_第2页
2/6
上海建筑模板租赁合同2010版_第3页
3/6
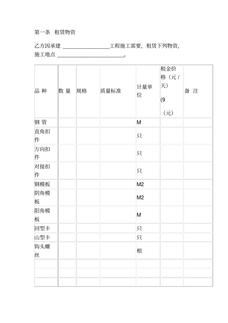
上海市建筑模板租赁合同(2010版)合同编号:_____________使用说明一、本合同文本是根据《中华人民共和国合同法》等法律法规制定的示范文本,供双方当事人约定采用。二、本合同文本所指建筑模板是指应用于工矿企业、市政工程、交通水利设施、民用建筑等工程建筑使用的模架支撑体系,主要由模板、钢管、扣件等组成。三、建筑模板等租赁物资如涉及设计支撑和设计荷载计算、安装、拆卸操作等技术服务内容,双方可协商订立补充条款或另行订立合同。四、本合同文本中,凡双方约定认为无需填写的条款,应在该条款填写的空白处划“/”表示。五、本合同文本未尽事项,双方当事人可根据实际情况另行签订补充协议。六、本合同文本自本通知下发之日起使用。今后在未制定新的版本前,本版本延续使用。甲方(出租方):_________________乙方(承租方):_________________根据《中华人民共和国合同法》以及其他有关法律法规的规定,遵循平等、自愿和诚实信用的原则,甲乙双方就租用建筑模板的相关事宜协商一致,签订本合同。第一条租赁物资乙方因承建________________工程施工需要,租赁下列物资,施工地点_______________________。品种数量规格质量标准计量单位租金价格(元/天)(9(元)备注钢管M直角扣件只万向扣件只对接扣件只钢模板M2阴角模板M2阳角模板M回型卡只山型卡只钩头螺丝根本表如有未尽事项可附件补充。第二条交货方式1.双方在签订合同后,由甲方开出提货单,乙方在___________天内凭甲方提货单提货。2.乙方提货时,须以书面形式向甲方提供有效的提货人证明书,否则甲方有权拒绝发货。3.由甲方送货的,相关费用(运输费、装卸费等)由___________方承担。4.租赁物资品种、规格、数量以双方签收的《租赁物资收发货清单》为准。5.在约定的有效期内,乙方须按时提货,甲方须保证约定所需租赁物资的品种、规格、数量。乙方提货后,若发现租赁物资中有质量问题,应从提货日起___________天内以书面形式通知甲方处理解决。第三条租赁期限租赁期限:自________年_____月_____日至______年______月_______日止。第四条租金支付方式乙方自提货日起,按实际租赁物资品种、数量每_____天向甲方支付租金一次。甲方应在租金结算日_______天前向乙方开出结算单,乙方接到甲方结算单后,应在________天内确认。经确认无异议的,乙方必须在_________天内付清租金;如有异议的,乙方应在_________天内向甲方提出。第五条保证金经双方协商,由甲方向乙方收取租赁保证金_______元,收款方式以________收取,甲方应出具保证金收据。第六条租赁物资使用1.租赁期间,乙方应按照租赁物资的性能和用途合理使用,并妥善保管。2.租赁期间,乙方不得将租赁物资转让、转租,不得变卖或作抵押。第七条租赁物资归还1.本合同约定的租赁期界满前________天内,甲方应告知乙方,如乙方须继续使用,应在天内与甲方办理相关手续。2.乙方在归还租赁物资过程中所产生的装卸和运输等费用,经甲乙双方协商由___(方)负担。3.租赁物资品种、规格、数量归还以双方所签收的《租赁物资收发货清单》为准。4.乙方归还租赁物资地址:_____________________________________________。第八条违约责任(一)甲方违约责任1.未按时间、数量提供租赁物资的,应按每天每件向乙方偿付未提供租赁物资租金_______%的违约金。2.提供的租赁物资在使用期间发现不符合约定的质量标准的,应及时调换,并免去调换物资自租赁日至调换日期间的租金,如造成损失的,应承担相应的责任。(二)乙方违约责任1.未按约定时间提货的,须支付甲方逾期提取部分租赁物资租金的损失费。2.不按时交纳租金的,应每天向甲方偿付逾期支付租金________%的违约金。3.租赁期内,乙方如有下列行为之一的,甲方有权解除本合同。(1)两次不支付租金;(2)乙方不按产品性能和用途使用租赁物资;(3)擅自将租赁物资转让、转租或变卖、抵押等。第九条其他约定1.双方关于租赁物资损毁赔偿的约定:___________________________________。2._____________________________________________________________________。第十条解决争议方式双方发生争议...

1、当您付费下载文档后,您只拥有了使用权限,并不意味着购买了版权,文档只能用于自身使用,不得用于其他商业用途(如 [转卖]进行直接盈利或[编辑后售卖]进行间接盈利)。
2、本站所有内容均由合作方或网友上传,本站不对文档的完整性、权威性及其观点立场正确性做任何保证或承诺!文档内容仅供研究参考,付费前请自行鉴别。
3、如文档内容存在违规,或者侵犯商业秘密、侵犯著作权等,请点击“违规举报”。

碎片内容

上海建筑模板租赁合同2010版

确认删除?
VIP
微信客服
  • 扫码咨询
会员Q群
  • 会员专属群点击这里加入QQ群
客服邮箱
回到顶部