电脑桌面
添加小米粒文库到电脑桌面
安装后可以在桌面快捷访问

铸造控制计划VIP免费

铸造控制计划_第1页
1/20
铸造控制计划_第2页
2/20
铸造控制计划_第3页
3/20
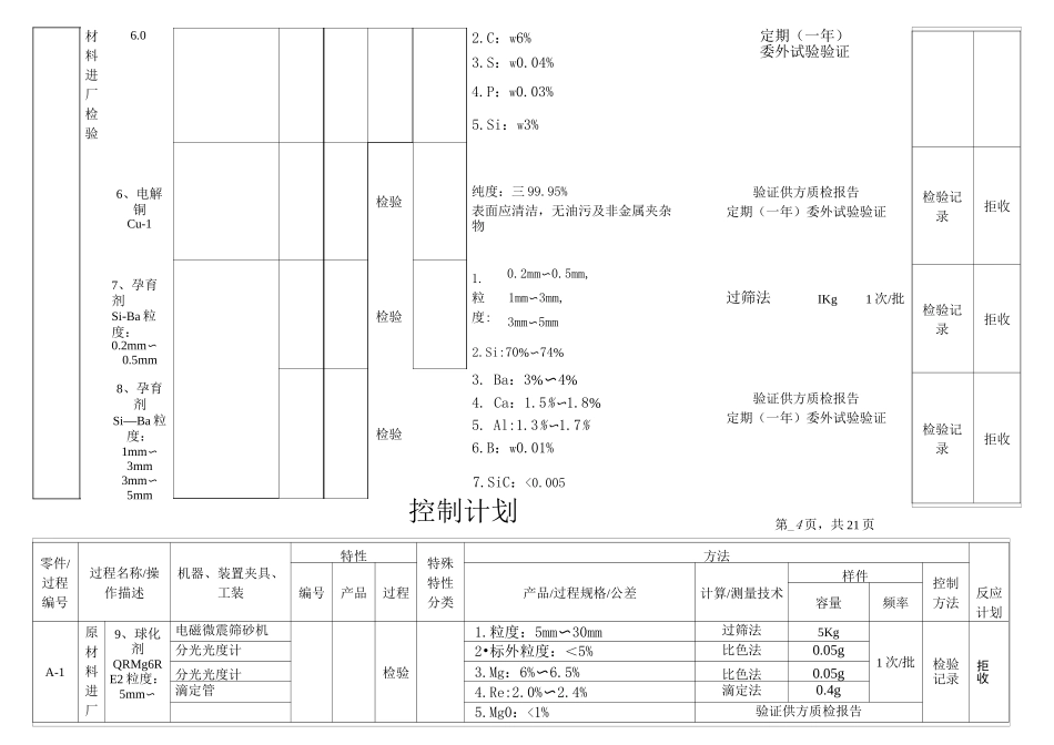
第丄页,共21页□样件□试生产□生产控制计划编号:主要联系人/电话日期(原订)日期(修订)零件编号/最新更改等级核心小组:顾客工程批准/日期(如需要)零件名称/描述供方/工厂批准/日期顾客质量批准/日期(如需要)供方/工厂供方代码其它批准/日期(如需要)其它批准/日期零件/过程编号过程名称/操作描述机器、装置夹具、工装特性特殊特性分类方法反应计划编号产品过程产品/过程规格/公差计算/测量技术样件控制方法容量频率A-1原材料进厂检验1•生铁(Q10)手锤检验化学成份r、1、断口:无白口目测3块1次/批检验记录拒收管式炉分析天平2、C(必须分析,只作参考)非水定碳法0.2g3、S:W0.03%碘量法定硫0.2g分光光度计分析天平4、Mn:W0.3%容量法0.1g5、Si:W1.0%比色法0.02g6、P:W0.05%0.1g光谱仪7、B:wO・OO1%光谱分析法3块8、Ti:w0・045————rU-U光谱分析法3块控^制计划第2页,共21页零件/过程名称/机器、装置特性特殊方法反应过程编号操作描述夹具、工装编号产品过程特性分类产品/过程规格/公差计算/测量技术样件容量频率控制方法计划A-1原材料进厂检验2、废钢三400mm3、废钢三250mm4、锰铁FeMn64光谱仪检验l.C:W0.6%2.S:wO.04%3.Mn:w0.6%4.Si:w0.6%5.P:w0.045%6.V:w0.25%7.Cr:w0.03%8.Ti:w0.05%9.B:w0.001%10.Mo:w0.02%光谱分析法试样3块(在3块废钢上各切取试样一块)检验记录拒收检验控制1.Mn:60%〜67%2.C:w7%3.S:w0.03%4.P:w0.4%5.Si:wl%验证供方质检报告定期(一年)委外试验验证检验记录拒收零件/过程编号过程名称/操作描述机器、装置夹具、工装特性特殊特性分类方法反应计划编号产品过程产品/过程规格/公差计算/测量技术样件控制方法容量频率A-1原5、铬铁FeCr67C检验1.Cr:62%〜72%验证供方质检报告检验记录拒收第丄页,共丄页材料进厂检验6.02.C:w6%3.S:w0.04%4.P:w0.03%5.Si:w3%6、电解铜Cu-1检验纯度:三99.95%表面应清洁,无油污及非金属夹杂物定期(一年)委外试验验证验证供方质检报告定期(一年)委外试验验证7、孕育剂Si-Ba粒度:0.2mm〜0.5mm8、孕育剂Si—Ba粒度:1mm〜3mm3mm〜5mm检验1.粒度:0.2mm〜0.5mm,1mm〜3mm,3mm〜5mm2.Si:70%〜74%检验3.Ba:3%〜4%4.Ca:1.5%〜1.8%5.Al:1.3%〜1.7%6.B:w0.01%7.SiC:<0.005控制计划过筛法IKg验证供方质检报告定期(一年)委外试验验证检验记录拒收检验记录拒收检验记录拒收1次/批零件/过程编号过程名称/操作描述机器、装置夹具、工装特性特殊特性分类方法反应计划编号产品过程产品/过程规格/公差计算/测量技术样件控制方法容量频率A-1原材料进厂9、球化剂QRMg6RE2粒度:5mm〜电磁微震筛砂机检验1.粒度:5mm〜30mm过筛法5Kg1次/批检验记录拒收分光光度计2•标外粒度:<5%比色法0.05g分光光度计3.Mg:6%〜6.5%比色法0.05g滴定管4.Re:2.0%〜2.4%滴定法0.4g5.Mg0:<1%验证供方质检报告第_4页,共21页检验30mm6.Mn:w4%7.Ca:2.1%〜2.4%8.Si:43%〜47%9.Al:wO.7%10.B:w0.01%11.Ti:<0.5%定期(一年)委外试验验证10、覆膜砂FMS5-30-21Q(H)电磁微震筛砂机检验1..粒度:50/100目(或100/50目)过筛法50g1次/批检验记录拒收SFL发气性试验仪2.发气量:<14ml/g(850°C)灼烧法1gXQY-H智能型砂强度试验机3.常温抗弯强度:>5MPa.4.热态抗弯强度:>2.5MPa.拉力实验法2000g电阻炉5.灼减量:<3.0%灼烧法2g6.熔点:96C〜105C查验质保单,定期1年外委试验验证7•不允许有煤屑、石块、砖块、木片等。目测5袋1次/批8•进料存储时间大于一个月查验质保单批次号1次/批11、硅砂ZGS85-21H检验1•擦洗、烘干砂,袋装。目测5袋1次/批检验记录拒收2.化学成份:Si02290%查验质保单,定期1年外委试验验证3.含泥量:W0.3%水洗法50g1次/批干燥箱4.水份:W0.3%烘干法20g标准筛5.粒度:21H(100/50)集中度三85%过筛法50g6•不得混入煤屑、、小石块、碎木片等。目测5袋第丄页,共21页零件/过程编号过程名称/操作描述机器、装置夹具、工装特性特殊特性分类方法反应计划编号产品过程产品/过程规格/公差计算/测量技术样件控制方法容量频率A-1原材料进厂检验12、煤粉SMF-30电阻炉检验1.挥发物含量:30%〜35%灼烧法0.5g1次/批检验记...

1、当您付费下载文档后,您只拥有了使用权限,并不意味着购买了版权,文档只能用于自身使用,不得用于其他商业用途(如 [转卖]进行直接盈利或[编辑后售卖]进行间接盈利)。
2、本站所有内容均由合作方或网友上传,本站不对文档的完整性、权威性及其观点立场正确性做任何保证或承诺!文档内容仅供研究参考,付费前请自行鉴别。
3、如文档内容存在违规,或者侵犯商业秘密、侵犯著作权等,请点击“违规举报”。

碎片内容

铸造控制计划

您可能关注的文档

确认删除?
VIP
微信客服
  • 扫码咨询
会员Q群
  • 会员专属群点击这里加入QQ群
客服邮箱
回到顶部