电脑桌面
添加小米粒文库到电脑桌面
安装后可以在桌面快捷访问

圆管涵施工工艺VIP免费

圆管涵施工工艺_第1页
1/8
圆管涵施工工艺_第2页
2/8
圆管涵施工工艺_第3页
3/8
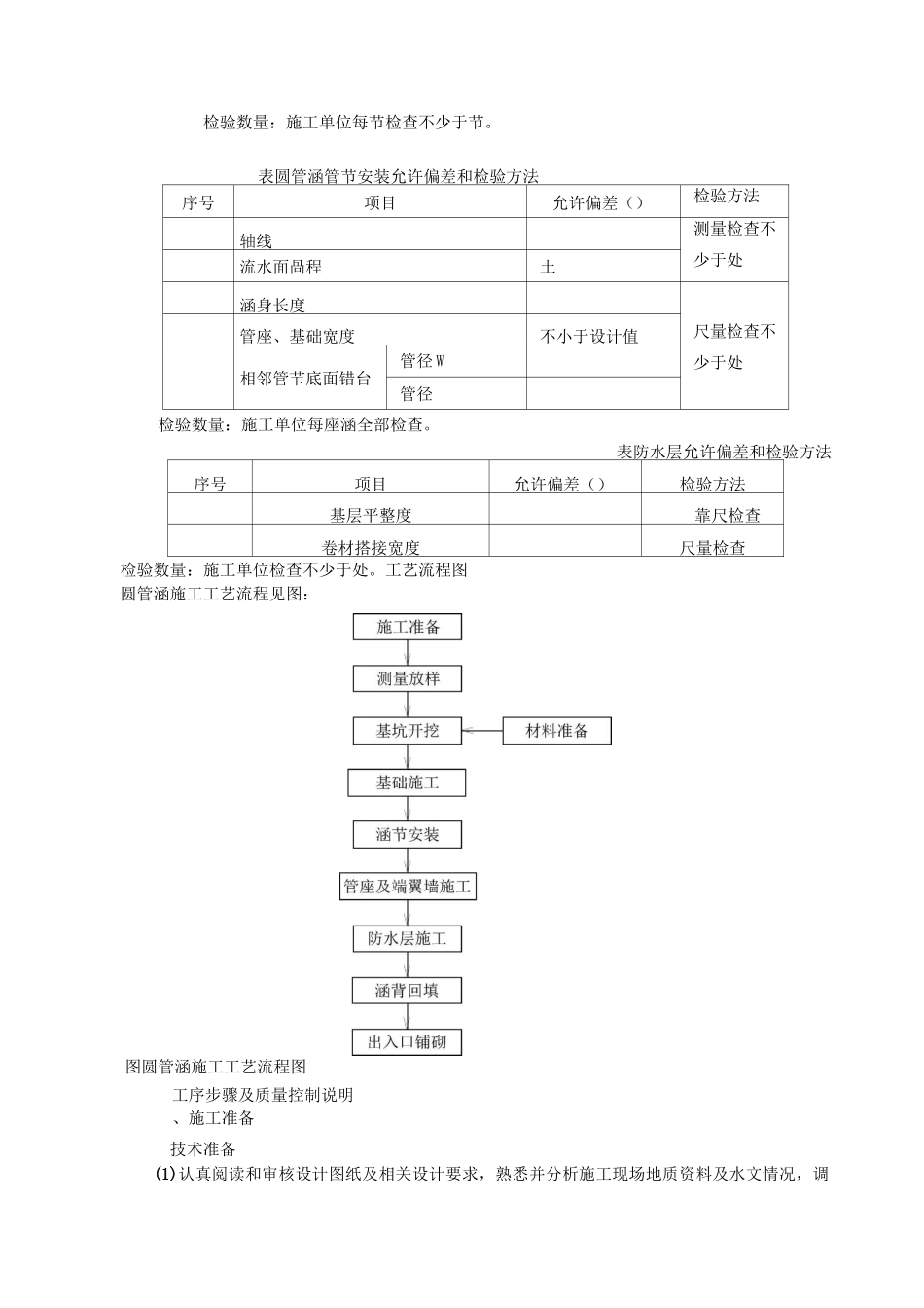
圆管涵施工方案一、工程概述圆管涵指采用整体式基础,涵身为预制钢筋混凝土圆管拼装在涵座上的涵洞。圆管涵一般作为过水涵洞。圆管涵结构要素见图。圆管涵明挖作业适用于地下水位较低,基坑开挖后基底及坑壁透水较小的地质。原基底或经处理后基底承载力满足设计要求,有一定的施工作业场地和材料运输条件。圆管涵施工主要施工内容有:基坑开挖、基础及管座施工、管节吊装、防水层施工、端翼墙施工、涵背回填、出入口铺砌施工等。质量标准及验收方法、圆管涵预制管节各部位偏差及检验方法应符合表和的规定,混凝土和砂浆强度应符合设计要求。防水层允许偏差及检验方法应符合表的规定。、涵身直顺,混凝土表面平整坚实,无蜂窝、麻面。圆管拼缝缝端面应竖直、平整。沉降缝直顺、整洁无渗漏,上下不得交错搭压影响沉降。填缝材料应具有弹韧性、不透水性和耐久性,并应连续填塞密实。、进、岀口流水顺畅,整洁美观。防水层类型应符合设计要求,应具备防水、耐久、粘结牢固和必要的弹韧性,应按铁道部现彳丁桥涵施工标准的有关规定施工。表圆管涵管节预制的允许偏差和检验方法序号项目允许偏差()检验方法长度尺量检查不少于处内径±壁厚检验数量:施工单位每节检查不少于节。表圆管涵管节安装允许偏差和检验方法序号项目允许偏差()检验方法轴线测量检查不少于处流水面咼程土涵身长度尺量检查不少于处管座、基础宽度不小于设计值相邻管节底面错台管径W管径检验数量:施工单位每座涵全部检查。表防水层允许偏差和检验方法序号项目允许偏差()检验方法基层平整度靠尺检查卷材搭接宽度尺量检查检验数量:施工单位检查不少于处。工艺流程图圆管涵施工工艺流程见图:图圆管涵施工工艺流程图工序步骤及质量控制说明、施工准备技术准备(1)认真阅读和审核设计图纸及相关设计要求,熟悉并分析施工现场地质资料及水文情况,调查了解季节和地下水位的关系。⑵编制圆管涵单项施工方案,对开挖超过的深基坑,应编制安全专项施工组织设计及应急预案,对开挖超过的深基坑,应组织相关专家进行方案的评审后实施。⑶做好相关施工技术交底,并向作业人员进行技术交底和相关知识的培训教育。⑷测量放样:平整场地后粗测涵洞的平面位置。⑸基坑开挖前认真阅读设计提供的地质资料及水文状况,掌握地下常水位及施工水位情况。⑹调查开挖区域及周边地下管线分布情况,对影响施工的管线做好改移和保护方案,重要管线需提前向有关部门提报施工方案并取得批复。材料准备⑴钢筋、钢材、水泥及混凝土粗骨料必须符合设计要求和具有产品质量证明。⑵预制涵节各部位偏差必须在规范允许范围内,必须具有产品合格证和产品质量证明。⑶在采用泵送混凝土施工时,对需掺加的外加剂必须进行试验确定配合比,同时应具备产品质量证明。机具准备圆管涵洞施工需要的机械主要有:挖掘机、混凝土运输车、钢筋加工机具、木工机具、混凝土浇筑机具、涵节吊装机具等。作业条件(1)试验室符合资质条件,混凝土配合比、钢筋试验等报批工作已完成。⑵混凝土搅拌站安装调试完成,水泥、砂、石等材料进场。⑶具备钢筋加工、存储和运输条件。⑷施工现场供水、供电条件达到开工要求。⑸施工技术人员和作业人员的培训学习、考核、技术交底工作已完成。⑹编制完成环境保护措施及具备使用功能的环保设备的运行条件。二、施工工艺测量放样测量放样时应选取经联测后符合要求的基准水准点和平面控制点为依据,测定基坑中心线、方向和高程。涵洞基坑临时放样点应在场地平整完成以后进行,临时平面点位应距离基坑开挖上边缘左右,并设置明显的标志,避免开挖和运输机械的破坏。根据测量放样的临时平面点,采用石灰粉等绘出基坑开挖的上口边线,基坑开挖交底中应明确开挖坡度,以便控制基底开挖边线满足施工需要。、基坑开挖⑴按地质水文资料,结合现场情况,决定开挖坡度和支护方案、开挖范围和防、排水措施。⑵基坑可采用垂直开挖、放坡开挖,支撑加固或其他加固的开挖方法。在有地面水淹没的基坑,可修筑围堰、改河、改沟、筑坝排开地面水后开挖。⑶无水土质基坑底面,宜按基础设计平面尺寸每边放宽不小于。适宜垂直开挖且不立模板的基坑,基底尺寸...

1、当您付费下载文档后,您只拥有了使用权限,并不意味着购买了版权,文档只能用于自身使用,不得用于其他商业用途(如 [转卖]进行直接盈利或[编辑后售卖]进行间接盈利)。
2、本站所有内容均由合作方或网友上传,本站不对文档的完整性、权威性及其观点立场正确性做任何保证或承诺!文档内容仅供研究参考,付费前请自行鉴别。
3、如文档内容存在违规,或者侵犯商业秘密、侵犯著作权等,请点击“违规举报”。

碎片内容

圆管涵施工工艺

您可能关注的文档

确认删除?
VIP
微信客服
  • 扫码咨询
会员Q群
  • 会员专属群点击这里加入QQ群
客服邮箱
回到顶部