电脑桌面
添加小米粒文库到电脑桌面
安装后可以在桌面快捷访问

屋面瓦专项施工方案VIP免费

屋面瓦专项施工方案_第1页
1/9
屋面瓦专项施工方案_第2页
2/9
屋面瓦专项施工方案_第3页
3/9
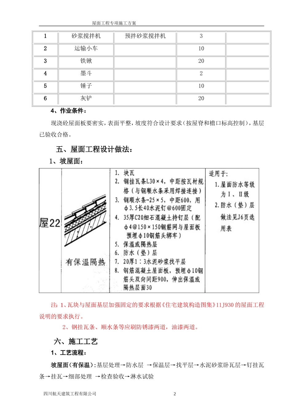
屋面工程专项施工方案编制依据为了保证本工程模板施工安全,根据国家和地方相关法规、规范的要求,加强施工安全的管理,按相关规定特编制本专项施工方案。方案编制计算依据如下:《贵阳华润国际社区二期》施工图纸本工程《施工组织设计》《屋面工程质量验收规范》GB50207-2012《建筑工程施工质量验收统一标准》GB50300-2013《坡屋面建筑构造》09J202-1《屋面工程技术规范》GB50345-2012《住宅建筑构造图集》11J930《建筑施工手册》(第四版)其他国家、行业、地方现行相关设计规范、规定等。三、基本规定1、屋面工程的防水层应由资质审查合格的防水专业队伍进行施工。作业人员应持证上岗,确保屋面防水施工质量。2、屋面瓦应铺成整齐的行列,彼此紧密搭接,并应瓦榫落槽,瓦底采用砂浆铺实;瓦头平齐,檐口应成一直线;屋脊处和所有平瓦不是在同一平面交接处均采用脊瓦将平瓦交接部位封闭严密。3、瓦屋面完工后严禁上人任意走动、踩踏或堆放物品。四、施工准备1、技术准备:熟悉设计图纸及相关施工验收规范。按照本方案要求,施工负责人做好技术交底、安全交底。2、材料要求:材料进场后应进行外观检查,并按规定进行抽样复验。瓦屋面采用1:3水泥砂浆找平层,防水卷材,挤塑聚笨保温隔热板,平瓦铺贴采用1:3水泥砂浆卧铺,最薄处为25厚,铺瓦砂浆要求应具有良好的和易性。3、主要机具:序号机具名称型号数量备注四川航天建筑工程有限公司1屋面工程专项施工方案1砂浆搅拌机预拌砂浆搅拌机32运输小车103铁锹204墨斗25锤子106灰铲204、作业条件:现浇砼屋面板要密实,表面平整,坡度符合设计要求(按屋脊和檐口标高控制),基层已验收合格。五、屋面工程设计做法:1、坡屋面:注:1、瓦块与屋面基层加强固定的要求根据《住宅建筑构造图集》11J930的屋面工程说明的要求执行。2、钢挂瓦条、顺水条等应刷防锈漆两道,油漆两道。六、施工工艺1、工艺流程:坡屋面(有保温):基层处理→防水层→保温层→找平层→水泥砂浆卧瓦层→钉挂瓦条→挂瓦→细部处理→检查验收→淋水试验四川航天建筑工程有限公司2屋面工程专项施工方案平屋面(有保温隔热):基层处理→找坡层→刷基层处理挤→防水层→保温层→细石砼保护层→细部处理→检查验收平屋面(无保温温隔热):基层处理→找坡层→刷基层处理挤→防水层→保护层→细石砼保护层→细部处理→检查验收2、施工方法:2.1、基层处理将屋面结构层上面的松散砂浆、混凝土、水泥浆及其他杂物清除干净,对凸出表面的混凝土用凿子凿去,扫净,用水冲洗干净;露筋部位用1:3水泥砂浆抹压,并浇水养护;女儿墙、烟道根部用1:2.5水泥砂浆粉刷压光,所有阴阳角做半径为5cm的圆弧;管道直径500mm范围内做高度不小于30mm的圆台;女儿墙水平留槽高度为500mm;落水口安装正确,不倒返水;出屋面管道套管高度不低于300mm。2.2、找平层施工工艺2.2.1基层清扫:将表面的松散杂物清扫干净,凸出基层表面的灰渣等粘结杂物要铲平,不得影响找平层的有效厚度。2.2.2洒水湿润:抹找平层水泥砂浆施工前,适当洒水湿润基层表面,主要是利于基层与找平层的结合,但不可洒水过量,以免影响找平层表面的干燥,防水层施工后窝住水气,使防水层产生空鼓。2.2.3砂浆拌制:找平层水泥砂浆配合比为1∶3,采用砂浆搅拌机搅拌,拌合稠度控制在7cm。贴饼冲筋:根据屋面坡度、找平厚度要求,拉线贴点标高(贴灰饼,间距不大于2m),铺抹找平砂浆时,先按流水方向以间距不大于2m冲筋,并设置找平层分格缝,缝宽一般为20mm,分格缝最大间距为6m。2.2.4铺摊砂浆:根据标高控制点铺水泥砂浆,用铝合金刮尺刮平,木抹子搓揉、压实。为避免气温过高影响施工质量,夏季施工找平层时宜于夜间施工。砂浆铺抹稍干后,用铁抹子压实三遍成活。头遍提浆拉平,使砂浆均匀密实;当水泥砂浆开始凝结,人踩上去有脚印但不下陷时,用铁抹子压第二遍,将表面压平整、密实;注意不得漏压,并把死坑、死角、砂眼抹平;当水泥开始终凝时,进行第三遍压实,将抹纹压平、压实,略呈毛面,使砂浆找平层更加密实,切忌在水泥终凝后压光。2.2.5养护:水泥砂浆找平层抹平压光后,一般过12h进行洒水养护,视用料...

1、当您付费下载文档后,您只拥有了使用权限,并不意味着购买了版权,文档只能用于自身使用,不得用于其他商业用途(如 [转卖]进行直接盈利或[编辑后售卖]进行间接盈利)。
2、本站所有内容均由合作方或网友上传,本站不对文档的完整性、权威性及其观点立场正确性做任何保证或承诺!文档内容仅供研究参考,付费前请自行鉴别。
3、如文档内容存在违规,或者侵犯商业秘密、侵犯著作权等,请点击“违规举报”。

碎片内容

屋面瓦专项施工方案

金钥匙书屋+ 关注
实名认证
内容提供者

热爱教育事业,爱好互联网行业

确认删除?
VIP
微信客服
  • 扫码咨询
会员Q群
  • 会员专属群点击这里加入QQ群
客服邮箱
回到顶部