电脑桌面
添加小米粒文库到电脑桌面
安装后可以在桌面快捷访问

大体积混凝土施工测温记录表VIP免费

大体积混凝土施工测温记录表_第1页
1/26
大体积混凝土施工测温记录表_第2页
2/26
大体积混凝土施工测温记录表_第3页
3/26
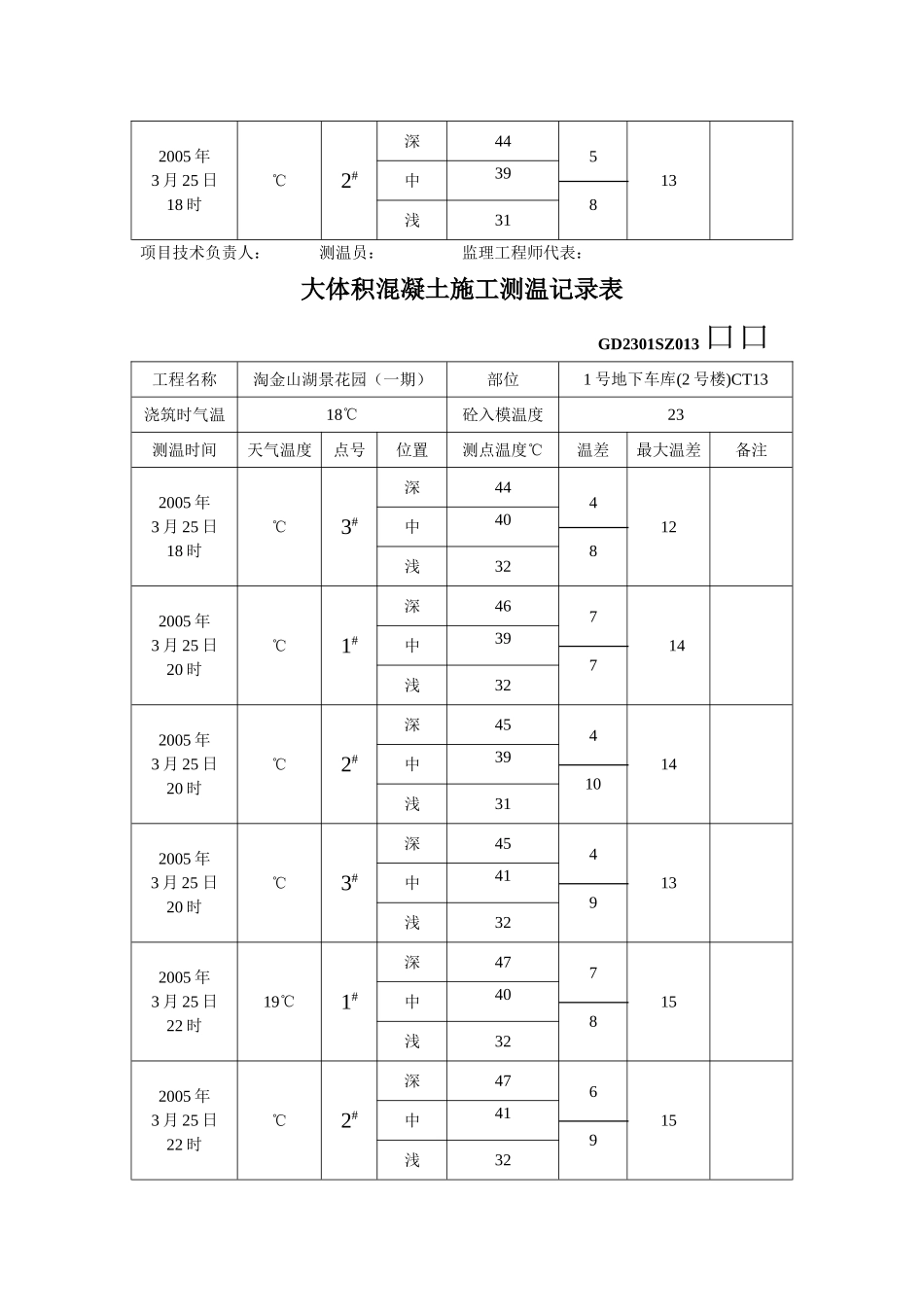
大体积混凝土施工测温记录表GD2301SZ013口口工程名称永秀花园北二期十标部位3#筏板浇筑时气温砼入模温度测温时间天气温度点号位置测点温度℃温差最大温差备注℃深中浅℃深中浅℃深中浅℃深中浅℃深中浅℃深中浅℃深中浅项目技术负责人:测温员:监理工程师代表:大体积混凝土施工测温记录表GD2301SZ013口口工程名称淘金山湖景花园(一期)部位1号地下车库(2号楼)CT13浇筑时气温18℃砼入模温度23测温时间天气温度点号位置测点温度℃温差最大温差备注2005年3月25日14时℃2#深404711中36浅292005年3月25日14时℃3#深405510中36浅302005年3月25日16时20℃1#深436612中37浅312005年3月25日16时℃2#深425712中37浅302005年3月25日16时℃3#深424711中38浅312005年3月25日18时℃1#深456713中39浅322005年3月25日18时℃2#深445813中39浅31项目技术负责人:测温员:监理工程师代表:大体积混凝土施工测温记录表GD2301SZ013口口工程名称淘金山湖景花园(一期)部位1号地下车库(2号楼)CT13浇筑时气温18℃砼入模温度23测温时间天气温度点号位置测点温度℃温差最大温差备注2005年3月25日18时℃3#深444812中40浅322005年3月25日20时℃1#深467714中39浅322005年3月25日20时℃2#深4541014中39浅312005年3月25日20时℃3#深454913中41浅322005年3月25日22时19℃1#深477815中40浅322005年3月25日22时℃2#深476915中41浅322005年3月25日22时℃3#深4641014中42浅32项目技术负责人:测温员:监理工程师代表:大体积混凝土施工测温记录表GD2301SZ013口口工程名称淘金山湖景花园(一期)部位1号地下车库(2号楼)CT13浇筑时气温18℃砼入模温度23测温时间天气温度点号位置测点温度℃温差最大温差备注2005年3月25日24时℃1#深487916中41浅322005年3月25日24时℃2#深4861016中42浅322005年3月25日24时℃3#深4741115中43浅322005年3月26日2时℃1#深4961218中43浅312005年3月26日2时℃2#深4851217中43浅312005年℃3#深4831732月26日2时14中45浅312005年3月26日4时17℃1#深4951217中44浅32项目技术负责人:测温员:监理工程师代表:大体积混凝土施工测温记录表GD2301SZ013口口工程名称淘金山湖景花园(一期)部位1号地下车库(2号楼)CT13浇筑时气温18℃砼入模温度23测温时间天气温度点号位置测点温度℃温差最大温差备注2005年3月26日4时℃2#深4951217中44浅322005年3月26日4时℃3#深4961218中43浅312005年3月26日6时℃1#深5051318中45浅322005年3月26日6时℃2#深4941418中45浅312005年3月26日6时℃3#深5061218中44浅322005年℃1#深51193月26日8时514中46浅322005年3月26日8时℃2#深5051419中45浅31项目技术负责人:测温员:监理工程师代表:大体积混凝土施工测温记录表GD2301SZ013口口工程名称淘金山湖景花园(一期)部位1号地下车库(2号楼)CT13浇筑时气温18℃砼入模温度23测温时间天气温度点号位置测点温度℃温差最大温差备注2005年3月26日8时℃3#深5171219中44浅322005年3月26日10时20℃1#深5251419中47浅332005年3月26日10时℃2#深5141519中47浅322005年3月26日10时℃3#深5161218中45浅332005年3月26日12时℃1#深5241519中48浅332005年℃2#深525193月26日12时14中47浅332005年3月26日12时℃3#深5261319中46浅33项目技术负责人:测温员:监理工程师代表:大体积混凝土施工测温记录表GD2301SZ013口口工程名称淘金山湖景花园(一期)部位1号地下车库(2号楼)CT13浇筑时气温18℃砼入模温度23测温时间天气温度点号位置测点温度℃温差最大温差备注2005年3月26日14时℃1#深5341519中49浅342005年3月26日14时℃2#深5361420中47浅332005年3月26日14时℃3#深5361319中47浅342005年3月26日16时20℃1#深5451621中49浅332005年3月26日16时℃2#深5351621中48浅322005年℃3#深54213月26日16时615中48浅332005年3月26日18时℃1#深5461521中48浅33项目技术负责人:测温员:监理工程师代表:大体积混凝土施工测温记录表GD2301SZ013口口工程名称淘金山湖景花园(一期)部位1号地下车库(2号楼)CT13浇筑时气温18℃砼入模温度23测温时间天气温度点号位置测点温度℃温差最大温差备注2005年3月26日18时℃2#深5451621中49浅332005年3月26日18...

1、当您付费下载文档后,您只拥有了使用权限,并不意味着购买了版权,文档只能用于自身使用,不得用于其他商业用途(如 [转卖]进行直接盈利或[编辑后售卖]进行间接盈利)。
2、本站所有内容均由合作方或网友上传,本站不对文档的完整性、权威性及其观点立场正确性做任何保证或承诺!文档内容仅供研究参考,付费前请自行鉴别。
3、如文档内容存在违规,或者侵犯商业秘密、侵犯著作权等,请点击“违规举报”。

碎片内容

大体积混凝土施工测温记录表

您可能关注的文档

确认删除?
VIP
微信客服
  • 扫码咨询
会员Q群
  • 会员专属群点击这里加入QQ群
客服邮箱
回到顶部