电脑桌面
添加小米粒文库到电脑桌面
安装后可以在桌面快捷访问

《橱柜衣柜设计手册》VIP专享VIP免费

《橱柜衣柜设计手册》_第1页
1/16
《橱柜衣柜设计手册》_第2页
2/16
《橱柜衣柜设计手册》_第3页
3/16
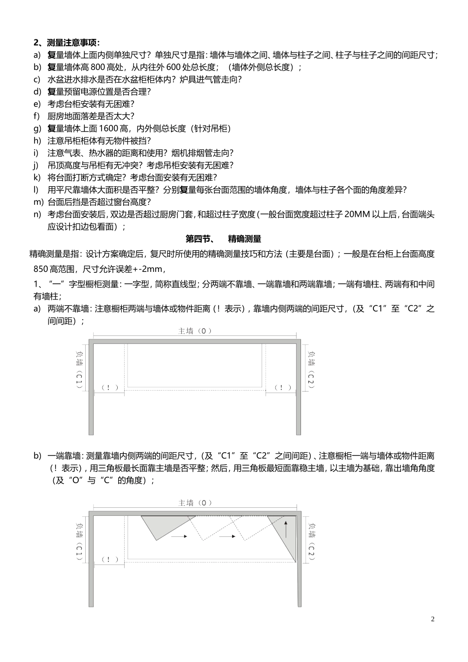
前言产品知识含:产品文化知识、厨柜产品结构、厨柜产品材质、厨柜相关配件等。产品技术知识含:厨柜产品规格型号;厨柜制作;厨柜安装;厨柜设计技术;(设计包括:厨房丈量、图纸绘制、设计经验等)第一章、厨柜测量“精确度”是保证橱柜品质的重要因素。对于厨柜而言,尺寸误差5mm都将会造成严重的质量问题,都将影响厨柜的正常安装和使用,因此,厨柜设计中,精确度是不能忽略的。那么,作为一名专业的橱柜设计师,首先,应当对尺寸要有很高的敏感性和掌握性;厨房的测量,就是了解和掌握尺寸的关键步骤之一;第一节、测量工具厨房的测量过程中,为了更方便测量和有效掌握尺寸的精确度,现场需要带上测量时所必须的工具;目前,还未找到橱柜专业的测量工具之前,各厂家几乎都使用原始的测量工具;因此,选用工具也是由为重要的;a)钢卷尺:数据测量工具;测量工具中卷尺是最为重要的工具之一;选用时我们尽量选择可抽出长度在4米以上的,钢皮应为宽型的为佳;钢皮上的数据应上下一致;辨别卷尺的质量好与坏主要是:看钢皮的上数据喷涂是否均匀、字体是否清晰、钢皮手感舒适无棱角,钢卷尺价格在20元/把以上的,一般质量都可以;b)90度三角板:角度测量工具:客户的厨房在装修时,墙面也许不平整、墙角角度不成90度角,因此,需要用三角板对比出墙角或墙体偏差的数据;三角板一端长度为600mm,一端400mm,成90度阳角;目前,主要采用木制板材裁截。c)美工刀:异型放样工具:客户的厨房墙角在600范围内,大于或小于90度直角超过30mm时,均为异型。现场测量时需用美工刀进行裁板放样。d)水平线:厨房一面墙两端之间,中间部位出现墙拄时,需用水平线来放线找平,求出柱子两边墙体是否在一条线上;用4米左右的鱼线或墨斗线即可。e)记录工具:在现场测量时用于记录数据和测量图形的纸和笔;记录时按照“测量标注图”标注方法,进行标注测量的数据和位置;0第二节、初次测量设计师接到销售定单时,首先要与客户预约初量的具体时间;并且,要求客户同时到达现场,了解客户对厨房的整改和设计要求,包括厨房内设备和物品的放置要求等;因此,现场与客户进行讨论和交流,确定出厨房大致的设计方案,是初量尺寸时最重要的目的;一般第一次测量时,客户厨房还未进行装修,测量尺寸时要求精度相对不是很高,无须用角尺测量;在了解客户的想法和要求后,按照以下步骤进行测量;a)测量厨房墙面总长尺寸:测量未贴墙砖的厨房尺寸,在记录时,按实际尺寸直接收砖厚20㎜/面;b)测量厨房墙拄长宽尺寸:测量未贴墙砖的墙拄长宽尺寸,在记录时,不收砖厚;c)测量进出水管位置、预留电源位置、气管位置、排烟管孔位和孔距、门窗方向等……。d)设计方案出图后,由设计师提供厨房整改图(详见,第二章橱柜设计),提醒客户,如果,厨房装修完毕以后,与门市部联系;第三节、复审测量接到客户厨房装修完毕以后的通知后,设计师应及时赶往现场,对客户厨房进行复审测量(复尺),厨房装修后,测量尺寸时要求精度相对较高,需要进行角尺或放样;测量时,带上客户认可后的图纸,按照以下步骤进行测量和对比;1、观察a)进房后观察厨房正确位置?考虑厨柜和台面能否搬进厨房?b)找到厨房与设计图纸上相符的正确方位?c)想象设计方案在厨房中的整体效果?进门和操作是否会拥挤?厨房光线是否被挡?d)观察进出水接口、水管、气管、排烟管、电源、气表、热水器的大概位置是否与与设计方案有冲突?12、测量注意事项:a)复量墙体上面内侧单独尺寸?单独尺寸是指:墙体与墙体之间、墙体与柱子之间、柱子与柱子之间的间距尺寸;b)复量墙体高800高处,从内往外600处总长度;(墙体外侧总长度);c)水盆进水排水是否在水盆柜柜体内?炉具进气管走向?d)复量预留电源位置是否合理?e)考虑台柜安装有无困难?f)厨房地面落差是否太大?g)复量墙体上面1600高,内外侧总长度(针对吊柜)h)注意吊柜柜体有无物件被挡?i)注意气表、热水器的距离和使用?烟机排烟管走向?j)吊顶高度与吊柜有无冲突?考虑吊柜安装有无困难?k)将台面打断方式确定?考虑台面安装有无困难?l)用平尺靠墙体大面积是否平整?分别复量每张台面范围的...

1、当您付费下载文档后,您只拥有了使用权限,并不意味着购买了版权,文档只能用于自身使用,不得用于其他商业用途(如 [转卖]进行直接盈利或[编辑后售卖]进行间接盈利)。
2、本站所有内容均由合作方或网友上传,本站不对文档的完整性、权威性及其观点立场正确性做任何保证或承诺!文档内容仅供研究参考,付费前请自行鉴别。
3、如文档内容存在违规,或者侵犯商业秘密、侵犯著作权等,请点击“违规举报”。

碎片内容

《橱柜衣柜设计手册》

确认删除?
VIP
微信客服
  • 扫码咨询
会员Q群
  • 会员专属群点击这里加入QQ群
客服邮箱
回到顶部