电脑桌面
添加小米粒文库到电脑桌面
安装后可以在桌面快捷访问

大厦管理处环境因素识别及评价表VIP免费

大厦管理处环境因素识别及评价表_第1页
1/24
大厦管理处环境因素识别及评价表_第2页
2/24
大厦管理处环境因素识别及评价表_第3页
3/24
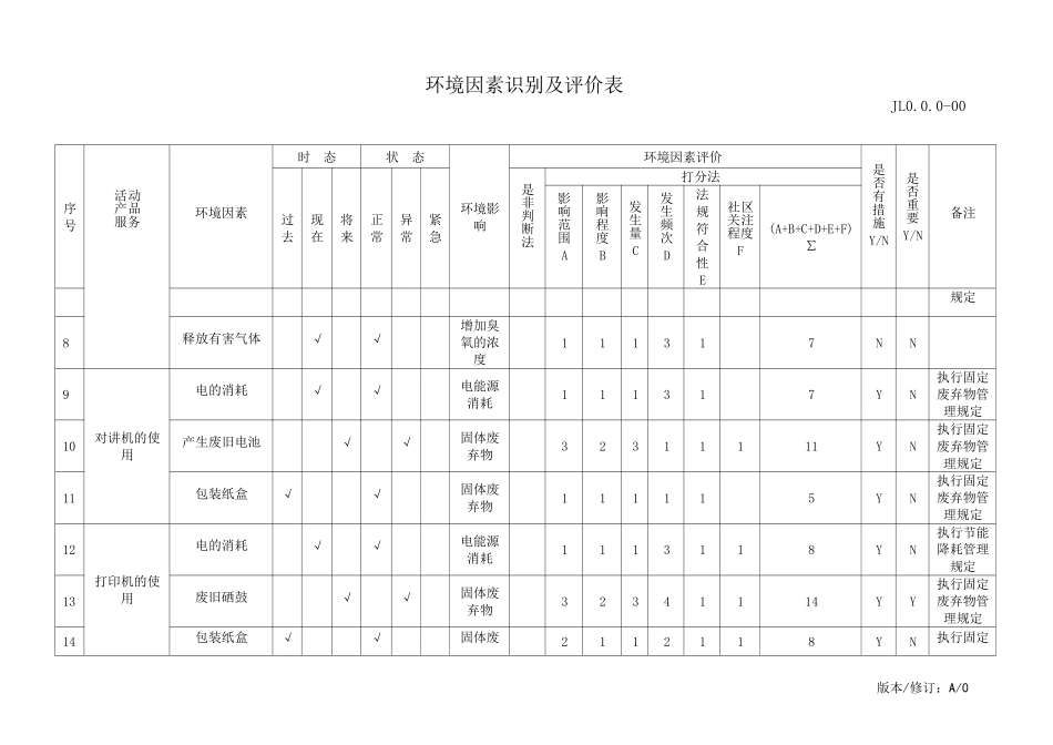
环境因素识别及评价表JL0.0.0-00部门:序号活动产品服务环境因素时态状态环境影响环境因素评价是否有措施Y/N是否重要Y/N备注过去现在将来正常异常紧急是非判断法打分法影响范围A影响程度B发生量C发生频次D法规符合性E社区关注程度F(A+B+C+D+E+F)∑1电脑的使用电的消耗√√能源消耗11151110YN执行节能降耗管理规定2产生废弃元件√√固体废弃物211116YN执行固定废弃物管理规定3废旧包装纸盒√√固体废弃物111115YN执行固定废弃物管理规定4复印机的使用电的消耗√√能源消耗11151110YN执行节能降耗管理规定5产生废旧硒鼓√√污染土壤33341115YY执行固定废弃物管理规定6包装纸盒√√固体废弃物111115YN执行固定废弃物管理规定7复印纸使用√√资源消耗11151110YN执行节能降耗管理版本/修订:A/0环境因素识别及评价表JL0.0.0-00序号活动产品服务环境因素时态状态环境影响环境因素评价是否有措施Y/N是否重要Y/N备注过去现在将来正常异常紧急是非判断法打分法影响范围A影响程度B发生量C发生频次D法规符合性E社区关注程度F(A+B+C+D+E+F)∑规定8释放有害气体√√增加臭氧的浓度111317NN9对讲机的使用电的消耗√√电能源消耗111317YN执行固定废弃物管理规定10产生废旧电池√√固体废弃物32311111YN执行固定废弃物管理规定11包装纸盒√√固体废弃物111115YN执行固定废弃物管理规定12打印机的使用电的消耗√√电能源消耗1113118YN执行节能降耗管理规定13废旧硒鼓√√固体废弃物32341114YY执行固定废弃物管理规定14包装纸盒√√固体废2112118YN执行固定版本/修订:A/0环境因素识别及评价表JL0.0.0-00序号活动产品服务环境因素时态状态环境影响环境因素评价是否有措施Y/N是否重要Y/N备注过去现在将来正常异常紧急是非判断法打分法影响范围A影响程度B发生量C发生频次D法规符合性E社区关注程度F(A+B+C+D+E+F)∑弃物废弃物管理规定15打印纸使用√√资源消耗11151110YN执行节能降耗管理规定16传真机的使用电的消耗√√电能源消耗111519YN执行节能降耗管理规定17包装纸盒√√固体废弃物111115YN执行固定废弃物管理规定18废旧硒鼓√√污染土壤32341114YY执行固定废弃物管理规定19复印纸的使用√√资源消耗2115110YN执行节能降耗管理规定20塑封机的使用产生废气√√空气污染111216NN21饮水机的使用电能的消耗√√能源消耗111217YN执行节能降耗管理版本/修订:A/0环境因素识别及评价表JL0.0.0-00序号活动产品服务环境因素时态状态环境影响环境因素评价是否有措施Y/N是否重要Y/N备注过去现在将来正常异常紧急是非判断法打分法影响范围A影响程度B发生量C发生频次D法规符合性E社区关注程度F(A+B+C+D+E+F)∑规定22包装纸盒√√固体废弃物111115YN执行固定废弃物管理规定23水的消耗√√资源消耗111317YN执行节能降耗管理规定24使用一次性纸杯√√固体废弃物1113118YN执行固定废弃物管理规定25投影仪的使用电能的消耗√√能源消耗111519YN执行节能降耗管理规定26办公用空调释放有害气体√√空气污染31341113NN27办公用电电的消耗√√能源消耗11151110YN执行节能降耗管理规定28干电池的使用产生废旧电池√√污染土壤32341114YY执行固定废弃物管版本/修订:A/0环境因素识别及评价表JL0.0.0-00序号活动产品服务环境因素时态状态环境影响环境因素评价是否有措施Y/N是否重要Y/N备注过去现在将来正常异常紧急是非判断法打分法影响范围A影响程度B发生量C发生频次D法规符合性E社区关注程度F(A+B+C+D+E+F)∑理规定29更换坏的荧光灯废灯管√√固体废弃物311219YN执行固定废弃物管理规定30更换废中性笔芯废笔芯√√资源消耗固体废弃物111317YN执行固定废弃物管理规定31垃圾袋的使用废垃圾袋√√资源消耗21141110YN执行节能降耗管理规定32办公家具的使用产生废旧元件√√固体废弃物211217YN执行固定废弃物管理规定33包装纸盒及塑料膜√√固体废弃物111216YN执行固定废弃物管理规定34扫描仪的使用电能的消耗√√能源消耗111115YN执行节能降耗管理规定35包装纸盒√√固体废111115YN执行固定版本/修订:A/0环境因素识别及评价表JL0.0.0-00序号活动产品服务环境因素时态状态环境影响环境因素评价是否有措施Y/N是否重要Y/N备注过去...

1、当您付费下载文档后,您只拥有了使用权限,并不意味着购买了版权,文档只能用于自身使用,不得用于其他商业用途(如 [转卖]进行直接盈利或[编辑后售卖]进行间接盈利)。
2、本站所有内容均由合作方或网友上传,本站不对文档的完整性、权威性及其观点立场正确性做任何保证或承诺!文档内容仅供研究参考,付费前请自行鉴别。
3、如文档内容存在违规,或者侵犯商业秘密、侵犯著作权等,请点击“违规举报”。

碎片内容

大厦管理处环境因素识别及评价表

您可能关注的文档

金钥匙书屋+ 关注
实名认证
内容提供者

热爱教育事业,爱好互联网行业

确认删除?
VIP
微信客服
  • 扫码咨询
会员Q群
  • 会员专属群点击这里加入QQ群
客服邮箱
回到顶部