电脑桌面
添加小米粒文库到电脑桌面
安装后可以在桌面快捷访问

体育馆运动木地板工程施工方案VIP免费

体育馆运动木地板工程施工方案_第1页
1/29
体育馆运动木地板工程施工方案_第2页
2/29
体育馆运动木地板工程施工方案_第3页
3/29
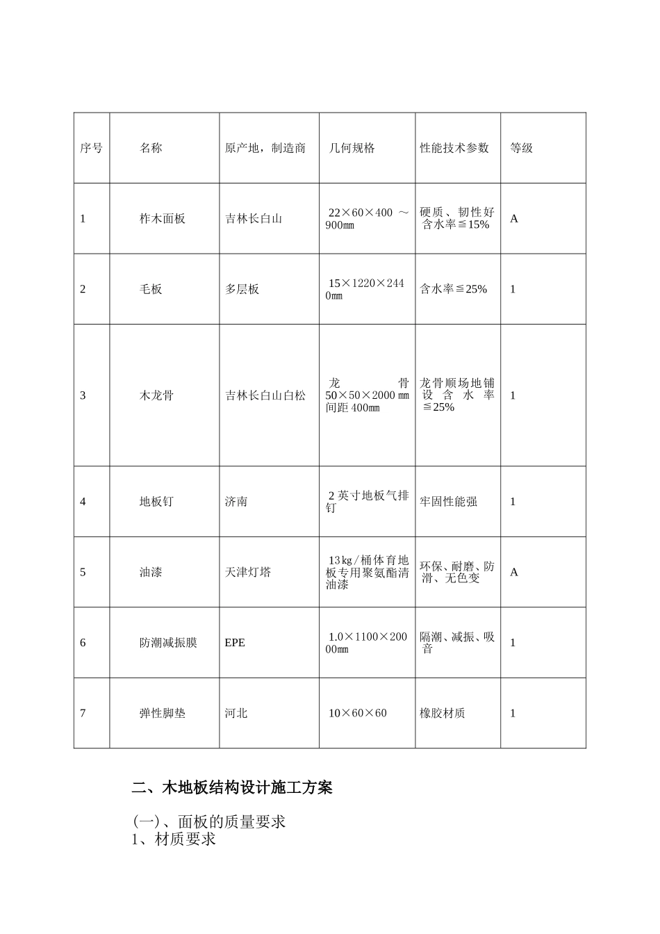
体育馆运动木地板安装工程施工方案编制:审核:批准:辽宁中天伟业体育工程设备有限公司施工方案目录一、方案编制说明及对施工现场的要求一、木地板结构施工方案及结构设计说明二、工程中所采用的主要标准三、工程设计图纸四、主要结构材料、施工方案工艺先进性的说明五、工艺设备、产品质量与先进性六、工程项目和管理机构七、确保供货及施工管理八、质量安全保证措施九、施工机械工具投入十、确保安全生产的技术组织措施十一、确保施工工期的技术组织措施十二、成品保护措施十三、施工工期和进度安排十五、同类场馆十六、检验报告十七、报价详细表一、方案编制说明和施工现场要求及概况(一)、编制说明根据体育馆室内运动木地板安装使用功能的技术指标和工期的要求,我们制作施工工艺,对施工、工期、材料、安装工艺、工程进度、验收等,结合施工现场情况,特制定出本方案,请工程建设方审批或提出宝贵意见。(二)、现场要求和工程概况及主材1、对施工现场的要求施工现场要具备基本施工的条件,施工场地要平整,不得有杂物,通往施工现场的道路要通畅,以便于工程材料的运送。建设方要保证施工现场的用水和施工用电机施工工人的生活用电。并配合我方做好每道工序的验收及工程中的指导工作。2、工程概况建设单位:工程施工地点:工程名称:工程施工面积:约为㎡施工计划工期:28日历天体育馆木地板主材及辅材二、木地板结构设计施工方案(一)、面板的质量要求1、材质要求序号名称原产地,制造商几何规格性能技术参数等级1柞木面板吉林长白山22×60×400~900㎜硬质、韧性好含水率≦15%A2毛板多层板15×1220×2440㎜含水率≦25%13木龙骨吉林长白山白松龙骨50×50×2000㎜间距400㎜龙骨顺场地铺设含水率≦25%14地板钉济南2英寸地板气排钉牢固性能强15油漆天津灯塔13㎏/桶体育地板专用聚氨酯清油漆环保、耐磨、防滑、无色变A6防潮减振膜EPE1.0×1100×20000㎜隔潮、减振、吸音17弹性脚垫河北10×60×60橡胶材质11)、选材要优质原木,直径大于200㎜以上。木材等级三级以上,通过锯材加工、除性。脱脂烘干。蒸煮、烘干、开榫、洗槽等制作达到GB/T15036-2001和BG/T153-95标准。2)、面板含水率小于15%,毛板、龙骨含水率小于等于25%。3)、面层板不准有芯材、死活节、虫眼、腐朽、钝棱、裂纹、横顺弯。纵横切口成90°。毛板,龙骨等级不低于TY/T3.1997。2表层铺设要求符合WB/T1016-2002《木地板铺设面层验收规范》和国标《天然材料体育场地使用要求及验收方法第二部分:综合体育馆木地板场地》GB/199995.2-2005只要求。(二)、施工方案1、木结构设计从上至下顺序:1)、油漆:天津灯塔体育地板专用油漆(环保、耐磨、防滑)。2)、面板:22㎜厚东北长白山柞木。3)、防潮减振膜:1㎜(EPE覆膜)。4)、毛地板(多层胶合板)厚度15㎜,错缝接拼,接缝在龙骨上,与龙骨成直角铺装。5)、木龙骨:龙骨采用50㎜×50㎜×2000㎜,顺场地铺设,间距以龙骨内沿400㎜;5)、弹性胶垫规格:10㎜×60㎜×60㎜。2、地面处理及调平1)、清理场地杂物,确定场地基准标高的位置。2)、弹线,确定线层龙骨的位置。3)、使用水准仪在基准点上测量地面的高度差,做好记录,安装标准的高度龙骨带。若地面有缺陷处,可用水泥混凝土做墩局部找平;若有微量不平整,利用龙凤楔木垫块垫起找平。3、龙骨1)、木龙骨的检查:划线,锯断、定长、锯口平直,表面要光滑。2)、木龙骨三面涂刷氟化钠防腐涂料后晾干。3)、在场地上弹线,从中间向两边摆放龙骨,间距按图纸要求。4、毛地板、隔潮层的铺设工艺1)、毛地板(出厂前做过脱脂防腐处理)错缝铺设在上层龙骨上,用地板专用钉以接近45度斜度钉牢固。2)、毛板的接头必须在龙骨上,不得悬空,毛地板接头错开板与板之间留有空隙不大于15㎜。3)、毛地板用铁钉钉在龙骨上,钉头砸入毛板之内,钉头不得高出毛板上表面。4)、毛地板上表面要求平整,平整度要满足2米靠尺应小于等于5㎜的要求。场地上任意选取相距15m的两点,用水准仪测标高,其标高值不大于15㎜。5)、顺场地方向铺设EPE防潮薄膜。5、面板的铺设工艺1)、安装前检查面板的质量;2)、在场地中心,顺...

1、当您付费下载文档后,您只拥有了使用权限,并不意味着购买了版权,文档只能用于自身使用,不得用于其他商业用途(如 [转卖]进行直接盈利或[编辑后售卖]进行间接盈利)。
2、本站所有内容均由合作方或网友上传,本站不对文档的完整性、权威性及其观点立场正确性做任何保证或承诺!文档内容仅供研究参考,付费前请自行鉴别。
3、如文档内容存在违规,或者侵犯商业秘密、侵犯著作权等,请点击“违规举报”。

碎片内容

体育馆运动木地板工程施工方案

确认删除?
VIP
微信客服
  • 扫码咨询
会员Q群
  • 会员专属群点击这里加入QQ群
客服邮箱
回到顶部