电脑桌面
添加小米粒文库到电脑桌面
安装后可以在桌面快捷访问

运转设备试运行记录样表VIP免费

运转设备试运行记录样表_第1页
1/2
运转设备试运行记录样表_第2页
2/2
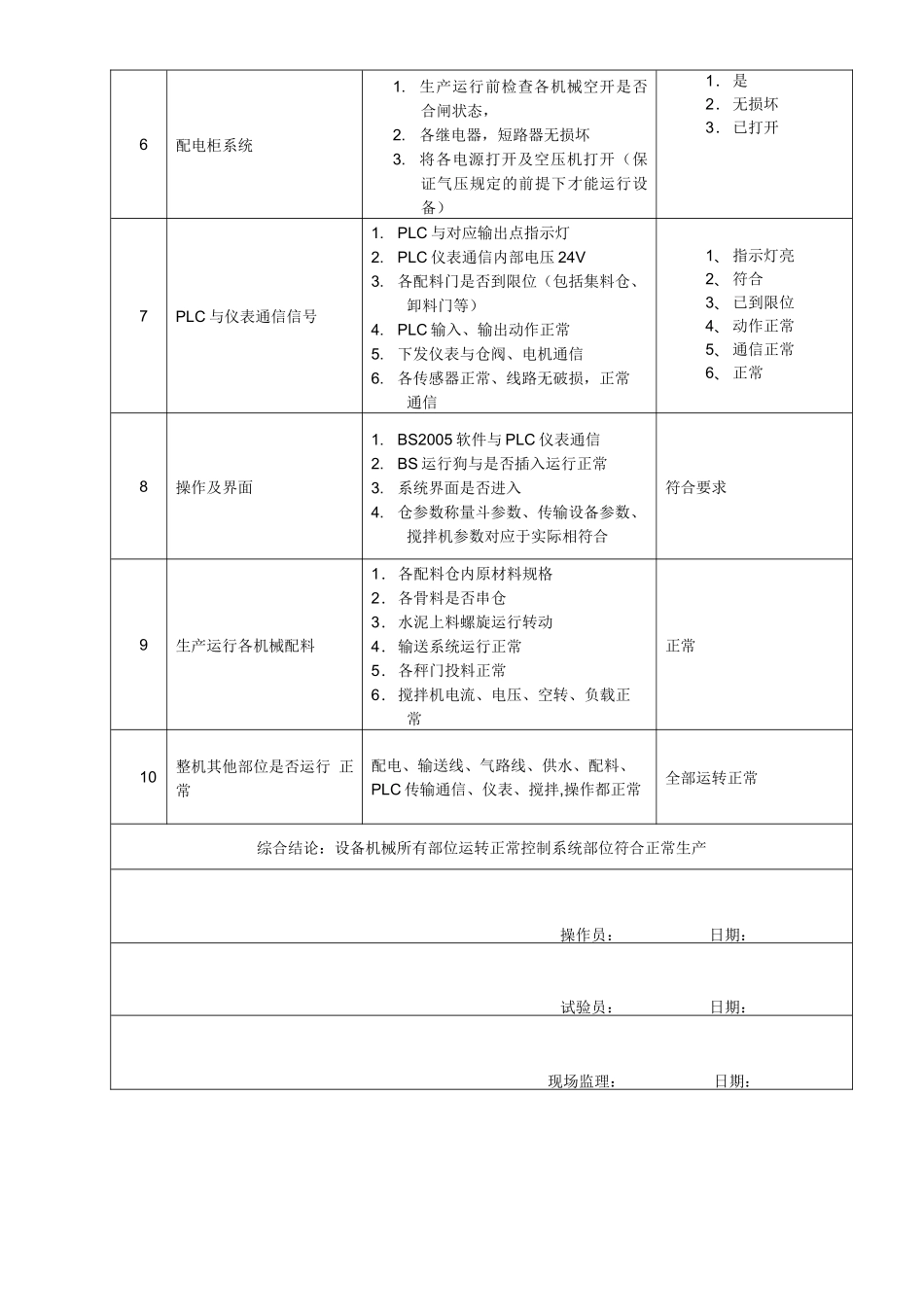
设备试运行记录运行编号:工程名称施工单位分部名称监理单位设备名称型号规格安装单位试运行单位使用单位试运行时间自年月日开始,至自年月日结束试运行性质设备试运行检验验设备台数1序号重点检查项目检查方式试验结论1安全检查及各机械1、生产运行前检查各输送带上,搅拌主机内,各机械周边是否有人员维修作业,保证操作运行前人员安全。2、各机械部位无异常声响,异常现象,转动是否灵活。无异常现象,转动灵活2输送系统1、电动滚筒工作是否正常。2、清扫器是否工作正常3、给各电动滚筒注油及加油。4、给螺旋输送机各注油点加油。1、正常2、正常3、已加油4、已加油3气路系统1、空压机是否正常工作。2、主管气路压力是否保持在0.55-0.75Mpa3、前台后台贮气罐内气压是否正常。4、排除空压机和贮气罐内积水。5、管路及管路附件有无泄露。1、正常2、是3、是4、已排除5、无4供水系统及液剂系统1、蓄水池是否足够水源。2、上水泵工作是否正常。3、管路有无泄露。4、液剂罐内搅拌系统是否正常工作。1、是2、是3、无4、是5搅拌主机1、是否拉下电源开关(挂上指示牌)。2、搅拌主机内有无异物。3、搅拌机筒内衬板有无损坏。4、搅拌叶片与衬板间隙符合要求1、是2、无3、无4、符合6配电柜系统1.生产运行前检查各机械空开是否合闸状态,2.各继电器,短路器无损坏3.将各电源打开及空压机打开(保证气压规定的前提下才能运行设备)1.是2.无损坏3.已打开7PLC与仪表通信信号1.PLC与对应输出点指示灯2.PLC仪表通信内部电压24V3.各配料门是否到限位(包括集料仓、卸料门等)4.PLC输入、输出动作正常5.下发仪表与仓阀、电机通信6.各传感器正常、线路无破损,正常通信1、指示灯亮2、符合3、已到限位4、动作正常5、通信正常6、正常8操作及界面1.BS2005软件与PLC仪表通信2.BS运行狗与是否插入运行正常3.系统界面是否进入4.仓参数称量斗参数、传输设备参数、搅拌机参数对应于实际相符合符合要求9生产运行各机械配料1.各配料仓内原材料规格2.各骨料是否串仓3.水泥上料螺旋运行转动4.输送系统运行正常5.各秤门投料正常6.搅拌机电流、电压、空转、负载正常正常10整机其他部位是否运行正常配电、输送线、气路线、供水、配料、PLC传输通信、仪表、搅拌,操作都正常全部运转正常综合结论:设备机械所有部位运转正常控制系统部位符合正常生产操作员:日期:试验员:日期:现场监理:日期:

1、当您付费下载文档后,您只拥有了使用权限,并不意味着购买了版权,文档只能用于自身使用,不得用于其他商业用途(如 [转卖]进行直接盈利或[编辑后售卖]进行间接盈利)。
2、本站所有内容均由合作方或网友上传,本站不对文档的完整性、权威性及其观点立场正确性做任何保证或承诺!文档内容仅供研究参考,付费前请自行鉴别。
3、如文档内容存在违规,或者侵犯商业秘密、侵犯著作权等,请点击“违规举报”。

碎片内容

运转设备试运行记录样表

文本预览

{php // 将文本按句子/段落分割,输出为段落标签,更利于SEO $paragraphs = preg_split('/[\n\r]+/', trim($seo_txt)); foreach($paragraphs as $p) { $p = trim($p); if(strlen($p) > 5) { echo '

' . htmlspecialchars($p) . '

'; } } }
展开全部 ▼
确认删除?
VIP
微信客服
  • 扫码咨询
会员Q群
  • 会员专属群点击这里加入QQ群
客服邮箱
回到顶部