电脑桌面
添加小米粒文库到电脑桌面
安装后可以在桌面快捷访问

钻孔桩检验批模板VIP免费

钻孔桩检验批模板_第1页
1/9
钻孔桩检验批模板_第2页
2/9
钻孔桩检验批模板_第3页
3/9
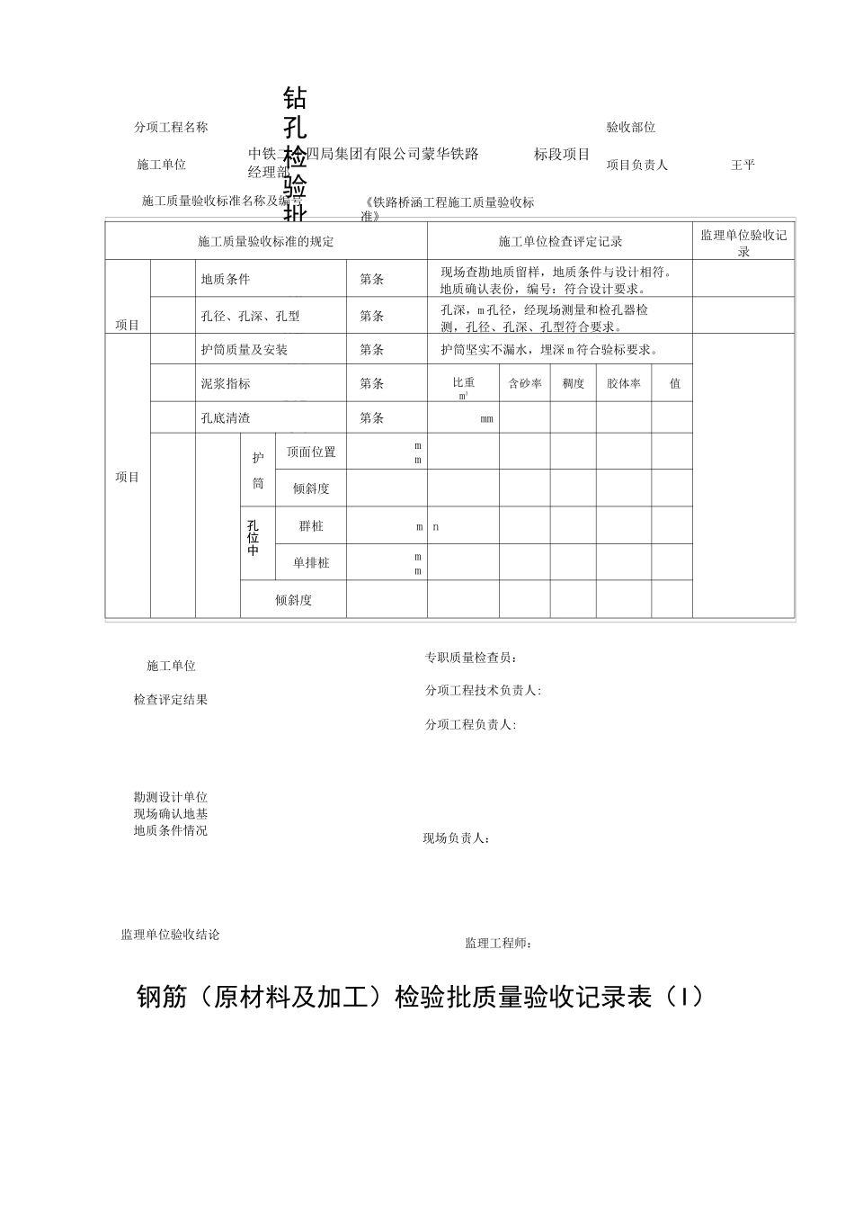
工程报验申请表工程名称:新建蒙西至华中地区铁路煤运通道工程施工标段:MHTJ-32编号:致北京铁研建设监理有限责任公司蒙华铁路标监理项目部:根据施工承包合同和设计文件的要求,我单位已完成ab桩基钻孔工程并自检合格,报请检杳。附件:自检资料。1、钻孔检验批质量验收记录表2、钢筋(原材料及加工)检验批质量验收记录表(I)3、钢筋(连接及安装)检验批质量验收记录表(II)4、混凝土(原材料及配合比)检验批质量验收记录表(I)5、混凝土(施工)检验批质量验收记录表(II)质量检查工程师(签字):日期:监理工程师意见:专业监理工程师(签字):日期:注:本表一式份,承包单位份,监理单位份钻孔检验批质量验收记录表分项工程名称验收部位施工单位中铁二十四局集团有限公司蒙华铁路经理部标段项目项目负责人王平施工质量验收标准的规定施工单位检查评定记录监理单位验收记录项目地质条件第条现场查勘地质留样,地质条件与设计相符。地质确认表份,编号:符合设计要求。孔径、孔深、孔型第条孔深,m孔径,经现场测量和检孔器检测,孔径、孔深、孔型符合要求。项目护筒质量及安装第条护筒坚实不漏水,埋深m符合验标要求。泥浆指标第条比重m3含砂率稠度胶体率值孔底清渣第条mm护筒顶面位置mm倾斜度孔位中群桩mn单排桩mm倾斜度施工质量验收标准名称及编号《铁路桥涵工程施工质量验收标准》施工单位专职质量检查员:检查评定结果分项工程技术负责人:分项工程负责人:勘测设计单位现场确认地基地质条件情况现场负责人:监理单位验收结论监理工程师:钢筋(原材料及加工)检验批质量验收记录表(I)钻孔检验批质量验收记录表[钻挖孔桩]03010404□□口单位工程名称分部工程名称钻孔桩分项工程名称钢筋验收部位施工单位中铁二十四局集团有限公司蒙华铁路标段项目经理部项目负责人王平施工质量验收标准名称及编号《铁路混凝土工程施工质量验收标准》(一)《铁路桥涵工程施工质量验收标准》(一)施工质量验收标准的规定施工单位检查评定记录监理单位验收记录项目钢筋材质第条钢筋弯钩、弯起°弯钩第条弯曲直径不小于,直线长度不小于钢筋直径的倍,符合验收标准要求。直角形弯钩弯起钢筋箍筋弯钩弯钩的弯曲直径不小于,直线长度不小于箍筋直径的倍,符合验标要求。项目钢筋外观第条钢筋平直、无损伤,表面无裂纹、油污、颗粒状或片状老锈,符合验收标准要求。加工允许偏差受力钢筋全长土、、、、弯起钢筋弯折位置箍筋内净尺寸土、、、、施工作业人员质量责任登记施工单位检查评定结果专职质量检查员:年月日分项工程技术负责人:年月日分项工程负责人:年月日监理单位验收结论监理工程师:年月日[钻挖孔桩]03010404□□口钢筋(连接及安装)检验批质量验收记录表(II)[钻挖孔桩]03010404□□口单位工程名称分部工程名称钻孔桩分项工程名称钢筋验收部位施工单位中铁二十四局集团有限公司蒙华铁路标段项目经理部项目负责人王平施工质量验收标准名称及编号:《铁路混凝土工程施工质量验收标准》一:《铁路桥涵工程施工质量验收标准》一施工质量验收标准的规定施工单位检查评定记录监理单位验收记录主项目纵向受力钢筋连接方式设计要求采用单面搭接焊,符合设计及验标要求。钢筋接头质量第条钢筋品种、规格、数量设计要求项目钢筋接头位置、数量第条接头布置在承受应力较小处,并分散布置,同一截面不大于。钢筋接头数量有个,符合设计和验标要求。钢筋骨架钢筋骨架在承台底以下长度土钢筋骨架直径土主钢筋间距土加强筋间距土箍筋间距或螺旋筋间距土钢筋骨架垂直度施工作业人员质量责任登记施工单位检查评定结果专职质量检查员:年月日分项工程技术负责人:年月日分项工程负责人:年月日监理单位验收结论监理工程师:年月日混凝土(原材料及配合比)检验批质量验收记录表(丨)[钻挖孔桩]03010405□□口单位工程名称分部工程名称钻孔桩分项工程名称混凝土验收部位施工单位中铁二十四局集团有限公司蒙华铁路标段项目经理部项目负责人王平施工质量验收标准名称及编号:《铁路混凝土工程施工质量验收标准》一:《铁路桥涵工程施工质量验收标准》一施工质量验收标准的规定施工单位检...

1、当您付费下载文档后,您只拥有了使用权限,并不意味着购买了版权,文档只能用于自身使用,不得用于其他商业用途(如 [转卖]进行直接盈利或[编辑后售卖]进行间接盈利)。
2、本站所有内容均由合作方或网友上传,本站不对文档的完整性、权威性及其观点立场正确性做任何保证或承诺!文档内容仅供研究参考,付费前请自行鉴别。
3、如文档内容存在违规,或者侵犯商业秘密、侵犯著作权等,请点击“违规举报”。

碎片内容

钻孔桩检验批模板

确认删除?
VIP
微信客服
  • 扫码咨询
会员Q群
  • 会员专属群点击这里加入QQ群
客服邮箱
回到顶部