电脑桌面
添加小米粒文库到电脑桌面
安装后可以在桌面快捷访问

中职机电技术应用专业实施性人才培养方案VIP免费

中职机电技术应用专业实施性人才培养方案_第1页
1/29
中职机电技术应用专业实施性人才培养方案_第2页
2/29
中职机电技术应用专业实施性人才培养方案_第3页
3/29
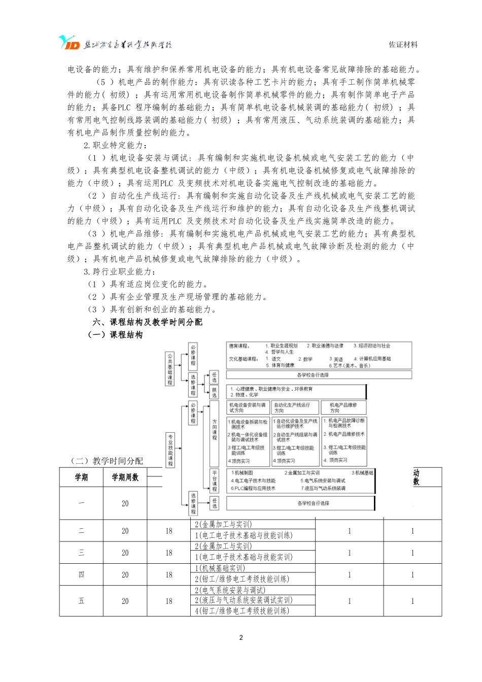
佐证材料盐城机电高等职业技术学校机电技术应用专业实施性人才培养方案一、专业与专门化方向专业名称:机电技术应用(专业代码051300)专门化方向:机电设备安装与调试、自动化生产线运行、机电产品维修二、入学要求与基本学制入学要求:初中毕业生或具有同等学力者基本学制:3年三、培养目标本专业培养与我国社会主义现代化建设要求相适应,德、智、体、美全面发展,具有良好的职业道德和职业素养,掌握机电技术应用专业对应职业岗位必备的知识与技能,能从事自动化设备和自动生产线的安装、调试、运行、维护和营销等工作,具备职业生涯发展基础和终身学习能力,能胜任生产、服务、管理一线工作的高素质劳动者和技术技能人才。四、职业(岗位)面向、职业资格及继续学习专业专门化方向职业(岗位)职业资格要求继续学习专业机电设备安装与调试机修钳工维修电工装配钳工工具钳工机修钳工(四级)维修电工(四级)装配钳工(四级)工具钳工(四级)高职:机电一体化技术机电设备维修与管理自动化生产设备应用本科:机械设计制造及其自动化机械工程电气工程及其自动化自动化生产线运行机电产品维修五、综合素质及职业能力(一)综合素质1.具有良好的道德品质、职业素养、竞争和创新意识。2.具有健康的身体和心理。3.具有良好的责任心、进取心和坚强的意志。4.具有良好的人际交往、团队协作能力。5.具有良好的书面表达和口头表达能力。6.具有良好的人文素养和继续学习能力。7.具有运用计算机进行技术交流和信息处理的能力。8.具有借助工具查阅中、英文技术资料的基础能力。(二)职业能力(职业能力分析见附录)1.行业通用能力:(1)识读图样能力:具有识读中等复杂机械零件图、装配图,电气原理图、接线图,液压、气动系统图的能力;具有应用计算机绘图软件抄画机械和电气图样的能力。(2)工量具及仪表选用能力:具有常用机械加工工具、量具、刀具选用的能力;具有常用电工、电子仪表选用的能力。(3)材料及元器件选用能力:具有常用金属材料的选用能力;具有识别和选用导线、低压电器、传感器及常用电工电子元件的能力;具有选用常用液压和气动元件的能力。(4)机电设备的使用能力:具有识读常用机电设备技术资料的能力;具有操作常用机1佐证材料电设备的能力;具有维护和保养常用机电设备的能力;具有机电设备常见故障排除的基础能力。(5)机电产品的制作能力:具有识读各种工艺卡片的能力;具有手工制作简单机械零件的能力(初级);具有运用常用机电设备制作简单机械零件的能力;具有制作简单电子产品的能力;具备PLC程序编制的基础能力;具有简单机电设备机械装调的基础能力(初级);具有常用电气控制线路装调的基础能力(初级);具有常用液压、气动系统装调的基础能力;具有机电产品制作质量控制的能力。2.职业特定能力:(1)机电设备安装与调试:具有编制和实施机电设备机械或电气安装工艺的能力(中级);具有典型机电设备整机调试的能力(中级);具有机电设备机械修复或电气故障排除的能力(中级);具有运用PLC及变频技术对机电设备实施电气控制改造的基础能力。(2)自动化生产线运行:具有编制和实施自动化设备及生产线机械或电气安装工艺的能力(中级);具有自动化设备及生产线运行和维护的能力;具有自动化设备及生产线整机调试的能力(中级);具有运用PLC及变频技术对自动化设备及生产线实施简单改造的能力。(3)机电产品维修:具有编制和实施机电产品机械或电气安装工艺的能力;具有典型机电产品整机调试的能力(中级);具有典型机电产品机械或电气故障诊断及检测的能力(中级);具有机电产品机械修复或电气故障排除的能力(中级)。3.跨行业职业能力:(1)具有适应岗位变化的能力。(2)具有企业管理及生产现场管理的基础能力。(3)具有创新和创业的基础能力。六、课程结构及教学时间分配(一)课程结构(二)教学时间分配学期学期周数教学周数考试周数机动周数周数其中:综合的实践教学及教育活动周数一20181(军训)111(入学教育)1(机械制图实训)二20182(金属加工与实训)111(电工电子技术基础与技能训练)三20182(金属加工与实训)111(电工电子技术基础...

1、当您付费下载文档后,您只拥有了使用权限,并不意味着购买了版权,文档只能用于自身使用,不得用于其他商业用途(如 [转卖]进行直接盈利或[编辑后售卖]进行间接盈利)。
2、本站所有内容均由合作方或网友上传,本站不对文档的完整性、权威性及其观点立场正确性做任何保证或承诺!文档内容仅供研究参考,付费前请自行鉴别。
3、如文档内容存在违规,或者侵犯商业秘密、侵犯著作权等,请点击“违规举报”。

碎片内容

中职机电技术应用专业实施性人才培养方案

一米阳光+ 关注
实名认证
内容提供者

爱好英语教学和互联网行业,热爱教育事业,兢兢业业

确认删除?
VIP
微信客服
  • 扫码咨询
会员Q群
  • 会员专属群点击这里加入QQ群
客服邮箱
回到顶部