电脑桌面
添加小米粒文库到电脑桌面
安装后可以在桌面快捷访问

工程定位测量记录 (2)VIP免费

工程定位测量记录 (2)_第1页
1/19
工程定位测量记录 (2)_第2页
2/19
工程定位测量记录 (2)_第3页
3/19
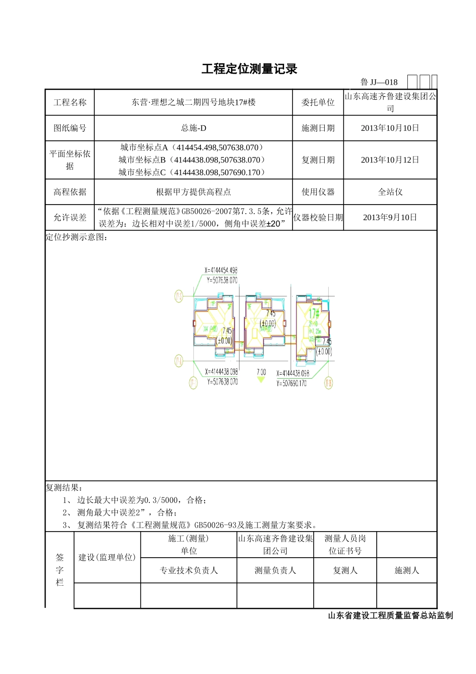
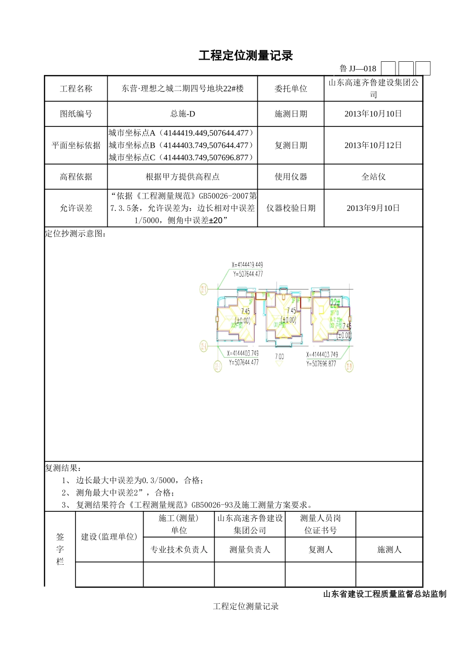
工程定位测量记录鲁JJ—018工程名称临沂大顺LNG加气站工程委托单位山东滨州城建集团公司图纸编号总施-D施测日期2013年10月10日平面坐标依据定位放线图复测日期2013年10月12日高程依据根据甲方提供高程点使用仪器经纬仪、50米钢尺允许误差“依据《工程测量规范》GB50026-2007第7.3.5条,允许误差为:边长相对中误差1/5000,侧角中误差±20”仪器校验日期2013年9月10日定位抄测示意图:复测结果:1、边长最大中误差为0.3/5000,合格;2、测角最大中误差2”,合格;3、复测结果符合《工程测量规范》GB50026-93及施工测量方案要求。签字栏建设(监理单位)施工(测量)单位山东高速齐鲁建设集团公司测量人员岗位证书号专业技术负责人测量负责人复测人施测人山东省建设工程质量监督总站监制工程定位测量记录鲁JJ—018工程名称东营·理想之城二期四号地块17#楼委托单位山东高速齐鲁建设集团公司图纸编号总施-D施测日期2013年10月10日平面坐标依据城市坐标点A(414454.498,507638.070)城市坐标点B(4144438.098,507638.070)城市坐标点C(4144438.098,507690.170)复测日期2013年10月12日高程依据根据甲方提供高程点使用仪器全站仪允许误差“依据《工程测量规范》GB50026-2007第7.3.5条,允许误差为:边长相对中误差1/5000,侧角中误差±20”仪器校验日期2013年9月10日定位抄测示意图:复测结果:1、边长最大中误差为0.3/5000,合格;2、测角最大中误差2”,合格;3、复测结果符合《工程测量规范》GB50026-93及施工测量方案要求。签字栏建设(监理单位)施工(测量)单位山东高速齐鲁建设集团公司测量人员岗位证书号专业技术负责人测量负责人复测人施测人山东省建设工程质量监督总站监制工程定位测量记录鲁JJ—018工程名称东营·理想之城二期四号地块22#楼委托单位山东高速齐鲁建设集团公司图纸编号总施-D施测日期2013年10月10日平面坐标依据城市坐标点A(4144419.449,507644.477)城市坐标点B(4144403.749,507644.477)城市坐标点C(4144403.749,507696.877)复测日期2013年10月12日高程依据根据甲方提供高程点使用仪器全站仪允许误差“依据《工程测量规范》GB50026-2007第7.3.5条,允许误差为:边长相对中误差1/5000,侧角中误差±20”仪器校验日期2013年9月10日定位抄测示意图:复测结果:1、边长最大中误差为0.3/5000,合格;2、测角最大中误差2”,合格;3、复测结果符合《工程测量规范》GB50026-93及施工测量方案要求。签字栏建设(监理单位)施工(测量)单位山东高速齐鲁建设集团公司测量人员岗位证书号专业技术负责人测量负责人复测人施测人山东省建设工程质量监督总站监制工程定位测量记录鲁JJ—018工程名称东营·理想之城二期四号地块23#楼委托单位山东高速齐鲁建设集团公司图纸编号总施-D施测日期2013年10月10日平面坐标依据城市坐标点A(4144420.149,507566.656)城市坐标点B(4144399.199,507566.656)城市坐标点C(4144420.149,507622.856)复测日期2013年10月12日高程依据根据甲方提供高程点使用仪器全站仪允许误差“依据《工程测量规范》GB50026-2007第7.3.5条,允许误差为:边长相对中误差1/5000,侧角中误差±20”仪器校验日期2013年9月10日定位抄测示意图:复测结果:1、边长最大中误差为0.3/5000,合格;2、测角最大中误差2”,合格;3、复测结果符合《工程测量规范》GB50026-93及施工测量方案要求。签字栏建设(监理单位)施工(测量)单位山东高速齐鲁建设集团公司测量人员岗位证书号专业技术负责人测量负责人复测人施测人山东省建设工程质量监督总站监制工程定位测量记录鲁JJ—018工程名称东营·理想之城二期四号地块25#楼委托单位山东高速齐鲁建设集团公司图纸编号总施-D施测日期2013年10月10日平面坐标依据城市坐标点A(4144385.894,507569.832)城市坐标点B(4144368.044,507569.832)城市坐标点C(4144385.894,507622.932)复测日期2013年10月12日高程依据根据甲方提供高程点使用仪器全站仪允许误差“依据《工程测量规范》GB50026-2007第7.3.5条,允许误差为:边长相对中误差1/5000,侧角中误差±20”仪器校验日期2013年9月10日定位抄测示意图:复测结果:1、边长最大中误差...

1、当您付费下载文档后,您只拥有了使用权限,并不意味着购买了版权,文档只能用于自身使用,不得用于其他商业用途(如 [转卖]进行直接盈利或[编辑后售卖]进行间接盈利)。
2、本站所有内容均由合作方或网友上传,本站不对文档的完整性、权威性及其观点立场正确性做任何保证或承诺!文档内容仅供研究参考,付费前请自行鉴别。
3、如文档内容存在违规,或者侵犯商业秘密、侵犯著作权等,请点击“违规举报”。

碎片内容

工程定位测量记录 (2)

您可能关注的文档

确认删除?
VIP
微信客服
  • 扫码咨询
会员Q群
  • 会员专属群点击这里加入QQ群
客服邮箱
回到顶部