电脑桌面
添加小米粒文库到电脑桌面
安装后可以在桌面快捷访问

安全生产管理手册(新)VIP免费

安全生产管理手册(新)_第1页
1/33
安全生产管理手册(新)_第2页
2/33
安全生产管理手册(新)_第3页
3/33
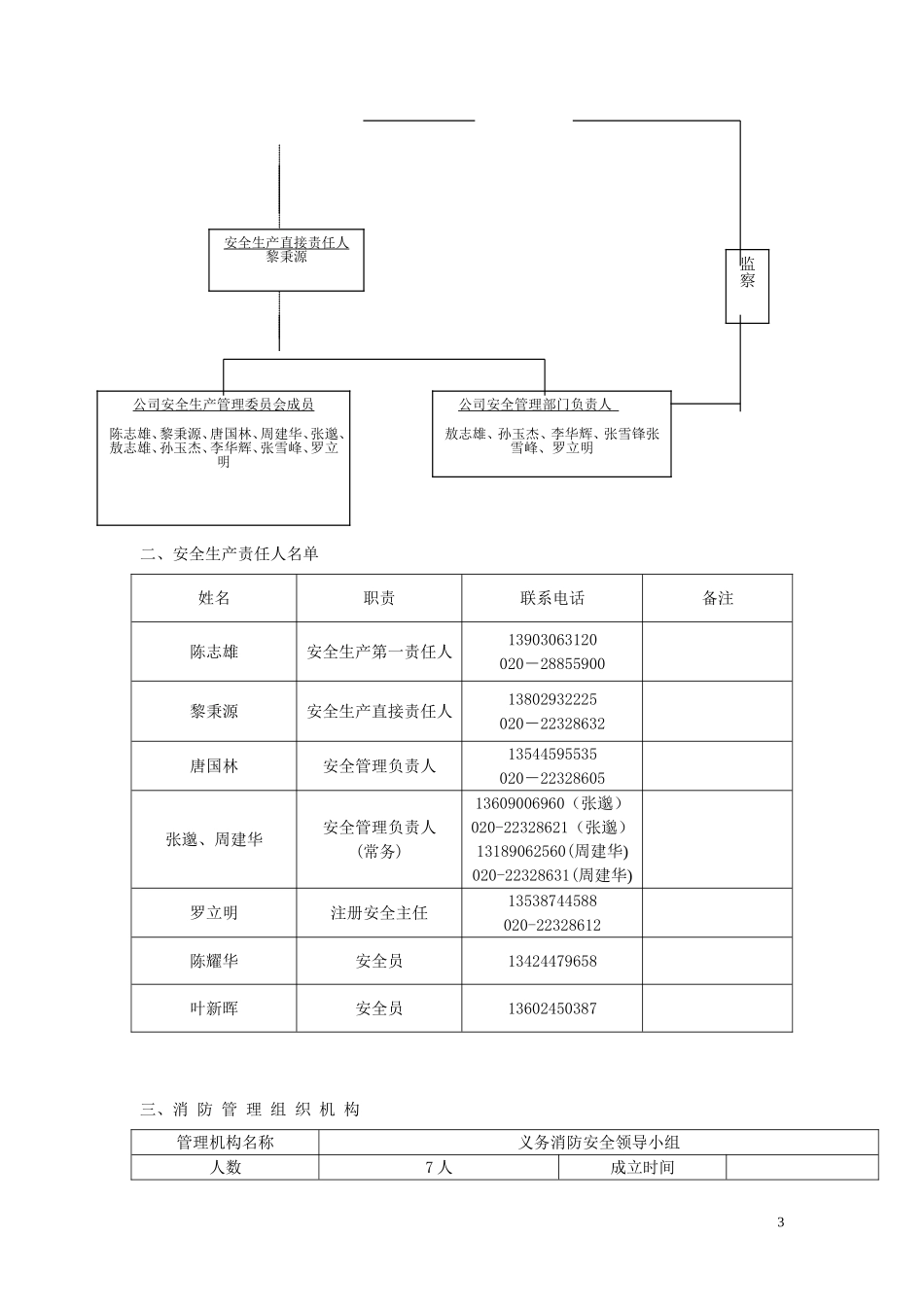
阿波罗(中国)有限公司安全管理手册目录一、安全生产三级管理网络图..........................................3二、安全生产责任人名单...............................................3三、消防管理组织机构.................................................4四、单位逐级消防安全责任人名单.......................................4五、安全工作会议制度................................................5六、安全上岗制度....................................................6七、员工安全培训规定.................................................6八、安全检查制度.....................................................7九、压力容器安全管理制度.............................................7十、气瓶安全管理制度...............................................9十一、厂内机动车安全管理规定.........................................10十二、起重机械安全管理规定..........................................12十三、新建、改建、扩建“三同时”安全管理规定.........................13十四、技术改造项目安全管理的规定.....................................14十五、技术改造项目安全卫生情况初步审批表.............................15十六、技术改造项目安全卫生情况初步审批表.............................16十七、高处作业管理制度...............................................17十八、手持电动工具的管理、使用、检查规定............................18十九、安全生产奖惩规定...............................................191二十、突发事故应急预案..............................................22二十一、工伤事故的有关处理规定.......................................23二十二、公司内特发事故处理规定.....................................25二十三、公司内防火安全规定...........................................25二十四、临时线路管理制度.............................................26二十五、动火安全管理规定.............................................27二十六、化学危险物品的安全管理规定...................................27二十七、外来施工员进厂施工安全管理规定..............................28二十八、公司安全管理部门职责.........................................29二十九、制造部门的安全生产职责.....................................30三十、技术部门的安全生产职责.........................................30三十一、总经理(副总经理)的安全生产职责.............................31三十二、生产管理部长的安全生产职责...................................31三十三、车间主管的安全生产职责.......................................32三十四、员工的安全生产职责..........................................32三十五、公司安全主任安全职责.......................................33三十六、公司安全员安全职责...........................................33三十七、安全生产管理工作承包责任书.................................34一、阿波罗(中国)有限公司安全生产三级管理网络图2安全生产第一责任人陈志雄政府部门二、安全生产责任人名单姓名职责联系电话备注陈志雄安全生产第一责任人13903063120020-28855900黎秉源安全生产直接责任人13802932225020-22328632唐国林安全管理负责人13544595535020-22328605张邈、周建华安全管理负责人(常务)13609006960(张邈)020-22328621(张邈)13189062560(周建华)020-22328631(周建华)罗立明注册安全主任13538744588020-22328612陈耀华安全员13424479658叶新晖安全员13602450387三、消防管理组织机构管理机构名称义务消防安全领导小组人数7人成立时间3安全生产直接责任人黎秉源公司安全生产管理委员会成员陈志雄、黎秉源、唐国林、周建华、张邈、敖志雄、孙玉杰、李华辉、张雪峰、罗立明公司安全管理部门负责人敖志雄、孙玉杰、...

1、当您付费下载文档后,您只拥有了使用权限,并不意味着购买了版权,文档只能用于自身使用,不得用于其他商业用途(如 [转卖]进行直接盈利或[编辑后售卖]进行间接盈利)。
2、本站所有内容均由合作方或网友上传,本站不对文档的完整性、权威性及其观点立场正确性做任何保证或承诺!文档内容仅供研究参考,付费前请自行鉴别。
3、如文档内容存在违规,或者侵犯商业秘密、侵犯著作权等,请点击“违规举报”。

碎片内容

安全生产管理手册(新)

您可能关注的文档

确认删除?
VIP
微信客服
  • 扫码咨询
会员Q群
  • 会员专属群点击这里加入QQ群
客服邮箱
回到顶部