电脑桌面
添加小米粒文库到电脑桌面
安装后可以在桌面快捷访问

安全评价机构资质等级与业务范围VIP免费

安全评价机构资质等级与业务范围_第1页
1/13
安全评价机构资质等级与业务范围_第2页
2/13
安全评价机构资质等级与业务范围_第3页
3/13
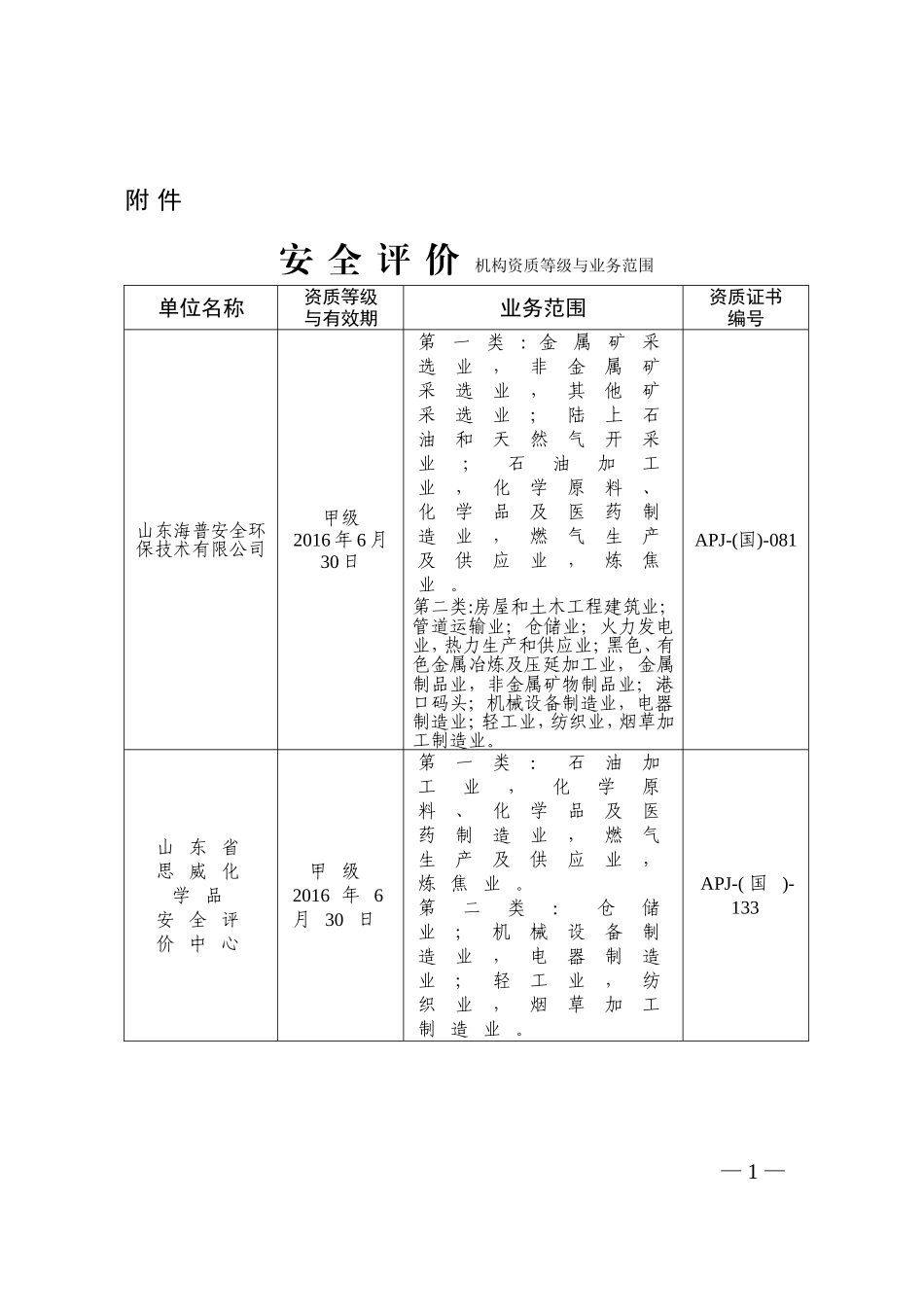
附件安全评价机构资质等级与业务范围单位名称资质等级与有效期业务范围资质证书编号山东海普安全环保技术有限公司甲级2016年6月30日第一类:金属矿采选业,非金属矿采选业,其他矿采选业;陆上石油和天然气开采业;石油加工业,化学原料、化学品及医药制造业,燃气生产及供应业,炼焦业。第二类:房屋和土木工程建筑业;管道运输业;仓储业;火力发电业,热力生产和供应业;黑色、有色金属冶炼及压延加工业,金属制品业,非金属矿物制品业;港口码头;机械设备制造业,电器制造业;轻工业,纺织业,烟草加工制造业。APJ-(国)-081山东省思威化学品安全评价中心甲级2016年6月30日第一类:石油加工业,化学原料、化学品及医药制造业,燃气生产及供应业,炼焦业。第二类:仓储业;机械设备制造业,电器制造业;轻工业,纺织业,烟草加工制造业。APJ-(国)-133—1—山东鲁轻安全卫生技术有限公司甲级2016年6月30日第一类:石油加工业,化学原料、化学品及医药制造业,燃气生产及供应业,炼焦业。第二类:管道运输业;火力发电业,热力生产和供应业;黑色、有色冶炼及压延加工业,金属制品业,非金属矿物制品业;轻工业,纺织业,烟草加工制造业。APJ-(国)-138济南华源安全评价有限公司甲级2016年6月30日第一类:石油加工业,化学原料、化学品及医药制造业,燃气生产及供应业,炼焦业。第二类:仓储业;房屋和土木工程建筑业;黑色、有色金属冶炼及压延加工业,金属制品业,非金属矿物制品业;机械设备制造业,电器制造业;轻工业,纺织业,烟草加工制造业。APJ-(国)-141单位名称资质等级有效期业务范围资质证书编号—2—济南浩宏伟业技术咨询有限公司甲级2016年6月30日第一类:金属矿采选业,非金属矿采选业,其他矿采选业;石油加工业,化学原料、化学品及医药制造业,燃气生产及供应业,炼焦业。第二类:尾矿库;管道运输业;仓储业;火力发电业,热力生产和供应业;风力发电业,太阳能发电业,再生能源发电业;黑色、有色金属冶炼及压延加工业,金属制品业,非金属矿物制品业;铁路运输业,城市轨道交通及辅助设施;公路;港口码头;机械设备制造业,电器制造业;轻工业,纺织业,烟草加工制造业。APJ-(国)-142—3—山东欣鹏安全技术咨询有限公司甲级2016年6月30日第一类:金属矿采选业,非金属矿采选业,其他矿采选业;石油加工业,化学原料、化学品及医药制造业,燃气生产及供应业,炼焦业。第二类:尾矿库;房屋和土木工程建筑业;仓储业;风力发电业,太阳能发电业,再生能源发电业;黑色、有色金属冶炼及压延加工业,金属制品业,非金属矿物制品业;港口码头;机械设备制造业,电器制造业;轻工业,纺织业,烟草加工制造业。APJ-(国)-311—4—北京华夏诚智安全环境技术有限公司甲级2016年6月30日第一类:金属矿采选业,非金属矿采选业,其他矿采选业;陆上石油和天然气开采业;石油加工业,化学原料、化学品及医药制造业,燃气生产及供应业,炼焦业。第二类:尾矿库;管道运输业;仓储业;火力发电业,热力生产和供应业;风力发电业,太阳能发电业,再生能源发电业;黑色、有色金属冶炼及压延加工业,金属制品业,非金属矿物制品业;港口码头;机械设备制造业,电器制造业;轻工业,纺织业,烟草加工制造业。APJ-(国)-495单位名称资质等级与有效期业务范围资质证书编号—5—山东正信安全评价有限责任公司甲级2016年6月30日第一类:金属矿采选业,非金属矿采选业,其他矿采选业;石油加工业,化学原料、化学品及医药制造业,燃气生产及供应业。第二类:房屋和土木工程建筑业;仓储业;火力发电业,热力生产和供应业;太阳能发电业;黑色、有色金属冶炼及压延加工业,金属制品业,非金属矿物制品业;机械设备制造业,电器制造业;轻工业。APJ-(国)-547—6—山东赛飞特集团有限公司甲级2016年6月30日第一类:石油加工业,化学原料、化学品及医药制造业,燃气生产及供应业。第二类:房屋和土木工程建筑业;管道运输业;仓储业;火力发电业,热力生产和供应业;黑色、有色金属冶炼及压延加工业,金属制品业,非金属矿物制品业;铁路运输业,城市轨道交通及辅助设施;公路;港口码头;机械...

1、当您付费下载文档后,您只拥有了使用权限,并不意味着购买了版权,文档只能用于自身使用,不得用于其他商业用途(如 [转卖]进行直接盈利或[编辑后售卖]进行间接盈利)。
2、本站所有内容均由合作方或网友上传,本站不对文档的完整性、权威性及其观点立场正确性做任何保证或承诺!文档内容仅供研究参考,付费前请自行鉴别。
3、如文档内容存在违规,或者侵犯商业秘密、侵犯著作权等,请点击“违规举报”。

碎片内容

安全评价机构资质等级与业务范围

您可能关注的文档

确认删除?
VIP
微信客服
  • 扫码咨询
会员Q群
  • 会员专属群点击这里加入QQ群
客服邮箱
回到顶部