电脑桌面
添加小米粒文库到电脑桌面
安装后可以在桌面快捷访问

公路工程质量检验评定标准7路面工程VIP专享VIP免费

公路工程质量检验评定标准7路面工程_第1页
1/13
公路工程质量检验评定标准7路面工程_第2页
2/13
公路工程质量检验评定标准7路面工程_第3页
3/13
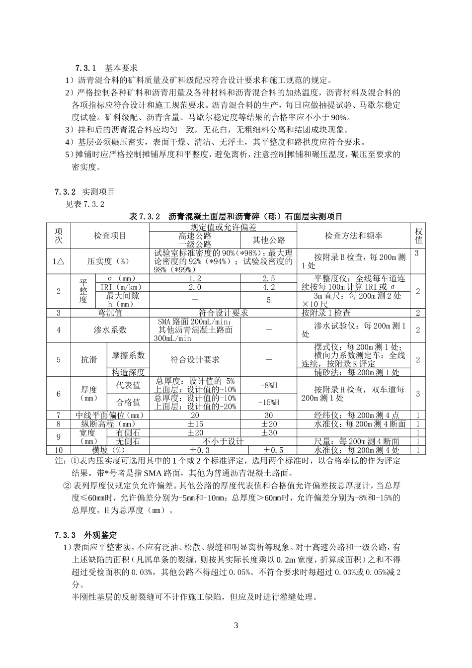
7.路面工程7.1一般规定7.1.1路面工程的实测项目规定值或允许偏差按高速公路、一级公路和其他公路(指二级及以下公路)两档设定。对于在设计和合同文件中提高了技术要求的二级公路,其工程质量检验评定按设计和合同文件的要求进行,但不应高于高速公路、一级公路的检验评定标准。7.1.2路面工程实测项目规定的检查频率为双车道公路每一检查段内的检查频率(按㎡或m3或工作班设定的检查频率除外),多车道公路的路面各结构层均须按其车道数与双车道数之比,相应增加检查数量。7.1.3各类基层和底基层压实度代表值(平均值的下置信界限)不得小于规定代表值,单点不得小于规定极值。小于规定代表值2个百分点的测点,应按其占总检查点数的百分率计算合格率。7.1.4垫层的质量要求同相同材料的其他公路的底基层;联结层的质量要求同相应的基层或面层;中级路面的质量要求同相同材料的其他公路的基层。7.1.5路面表层平整度检查测定以自动或半自动的平整度仪为主,全线每车道连续测定按每100m输出结果计算合格率。采用3m直尺测定路面各结构层平整度时,以最大间隙作为指标,按尺数计算合格率。7.1.6路面表层渗水系数宜在路面成型后立即测定。7.1.7路面各结构层厚度按代表值和单点合格值设定允许偏差。当代表值偏差超过规定值时,该分项工程评为不合格;当代表值偏差满足要求时,按单个检查值的偏差不超过单点合格值的测点数计算合格率。7.1.8材料要求和配比控制列入各节基本要求,可通过检查施工单位、工程监理单位的资料进行评定。7.1.9水泥混凝土上加铺沥青面层的复合式路面,两种结构均需进行检查评定。其中,水泥混凝土路面结构不检查抗滑构造,平整度可按相应等级公路的标准;沥青面层不检查弯沉。7.1.10路面基层完工后应按时浇洒透层油或铺筑下封层,透层油透入深度不小于5㎜,不得使用透入能力差的材料做透层油。对封层、粘层和透层油的浇撒要求同7.5.1沥青表面处治层中基本规定。7.2水泥混凝土面层7.2.1基本要求1)基层质量必须符合规定要求,并应进行弯沉测定,验算的基层整体模量应满足设计要求。2)水泥强度、物理性能和化学成分应符合国家标准及有关规范的规定。3)粗细集料、水、外掺剂及接缝填缝料应符合设计和施工规范要求。4)施工配合比应根据现场测定水泥的实际强度进行计算,并经试验,选择采用最佳配合比。5)接缝的位置、规格、尺寸及传力杆的设置应符合设计要求。6)路面拉毛或机具压槽等抗滑措施,起构造深度应符合施工规范要求。7)面层与其他构造物相接应平顺,检查井井盖顶面高程应高于周边路面1~3㎜。雨水口标高按设计比路面低5~8㎜,路面边缘无积水现象。8)混凝土路面铺筑后按施工规范要求养生。7.2.2实测项目见表7.2.21表7.2.2水泥混凝土面层实测项目项次检查项目规定值或允许偏差检查方法和频率权值高速公路一级公路其他公路1△弯垃强度(MPa)在合格标准之内按附录C检查32△板厚度(㎜)代表值-5按附录H检查,每200m每车道2处3合格值-103平整度σ(㎜)1.22.0平整度仪:全线每车道连续检测,每100m计算σ、IRI2IRI(m/㎞)2.03.2最大间隙h(㎜)-53m直尺:半幅车道板带每200m测2处×10尺4抗滑构造深度(㎜)一般路段不小于0.7且不大于1.1;特殊路段不小于0.8且不大于1.2一般路段不小于0.5且不大于1.0;特殊路段不小于0.6且不大于1.1铺砂法:每200m测1处25相邻板高差(㎜)23抽量:每条胀缝2点;每200m抽纵、横缝各2条,每条2点26纵、横缝顺直度(㎜)10纵缝20m拉线,每200m4处;横缝沿板宽拉线,每200m4条17中线平面偏位(㎜)20经纬仪:每200m测4点18路面宽度(㎜)±20抽量:每200m测4处19纵断高程(㎜)±10±15水准仪:每200m测4断面110横坡(﹪)±0.15±0.25水准仪:每200m测4断面1注:表中σ为平整度仪测定的标准差;IRI为国际平整度指数;h为3m直尺与面层的最大间隙。7.2.3外观鉴定1)混凝土板的断裂块数,高速公路和一级公路不得超过评定路段混凝土板总块数的0.2﹪,其他公路不得超过0.4﹪。不符合要求时每超过0.1﹪减2分。对于断裂板应采取适当措施予以处理。2)混凝土板...

1、当您付费下载文档后,您只拥有了使用权限,并不意味着购买了版权,文档只能用于自身使用,不得用于其他商业用途(如 [转卖]进行直接盈利或[编辑后售卖]进行间接盈利)。
2、本站所有内容均由合作方或网友上传,本站不对文档的完整性、权威性及其观点立场正确性做任何保证或承诺!文档内容仅供研究参考,付费前请自行鉴别。
3、如文档内容存在违规,或者侵犯商业秘密、侵犯著作权等,请点击“违规举报”。

碎片内容

公路工程质量检验评定标准7路面工程

确认删除?
VIP
微信客服
  • 扫码咨询
会员Q群
  • 会员专属群点击这里加入QQ群
客服邮箱
回到顶部